手机用户可
保存上方二维码到手机中,在
微信扫一扫中右上角选择“从
相册选取二维码”即可。
1、问答题 论述发电机停用后,密封油系统排油检修时的操作方法?
点击查看答案
本题答案:(1)当发电机静止后,应先将发电机内氢气完全置换成空气
本题解析:试题答案(1)当发电机静止后,应先将发电机内氢气完全置换成空气,然后将密封油系统停用。
(2)在排油前汽轮机主油箱应事先空出一定容积,准备接受发电机密封油系统的油量。
(3)打开氢、空气分离箱放油门将油排入平衡油箱内。
(4)启动主密封油泵把油打入主油箱内。
(5)将滤油器、冷却器、真空油泵管道内的存油放尽。
2、问答题 密封瓦起什么作用?
点击查看答案
本题答案:为了防止氢气向外泄漏,在发电机两端设有密封瓦,使发电机
本题解析:试题答案为了防止氢气向外泄漏,在发电机两端设有密封瓦,使发电机端盖与转子间具有良好的严密性。
3、单项选择题 氢冷发电机内充满氢气时,密封油压应()。
A.小于氢压;
B.大于氢压;
C.与氢压基本相等;
D.与氢压完全相等。
点击查看答案
本题答案:B
本题解析:暂无解析
4、问答题 怎样测试气体的湿度(以湿度计为例)?
点击查看答案
本题答案:以湿度计测试为例:测定前,先将温度表的湿球温度计用蒸馏
本题解析:试题答案以湿度计测试为例:测定前,先将温度表的湿球温度计用蒸馏水浸湿,测定时,开动风扇使气体通过,记录稳定的指示读数,按公式计算得出气体的湿度。
5、问答题 绘图题:画出可变电阻的图形符号。
点击查看答案
本题答案:
试题答案
6、问答题 试述发电机气体置换时的注意事项?
点击查看答案
本题答案:发电机置换气体应在转子静止或盘车状态下进行,发电机转动
本题解析:试题答案发电机置换气体应在转子静止或盘车状态下进行,发电机转动或充气时, 必须保证密封瓦的供油,油压一般应比发电机内部气体压力高0.03~0.06MPa。为了减少气体消耗,在置换时发电机壳体内可保持较低压力,但最低压力值不得小于0.003MPa。
7、问答题 解释电压的概念?
点击查看答案
本题答案:电路中任意两点的电位差,称为这两点间的电压,电压的单位
本题解析:试题答案电路中任意两点的电位差,称为这两点间的电压,电压的单位是伏特。
8、问答题 绘图题:画出控制气仪表气源图。
点击查看答案
本题答案:
试题答案
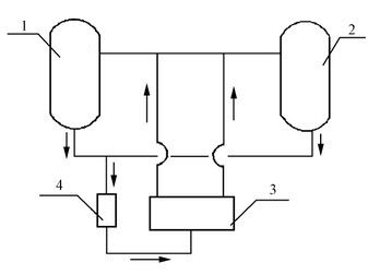
9、问答题 绘图题:画出碱液循环主要途径示意图。
点击查看答案
本题答案:
试题答案
1-氢分离器;2-氧分离器;3-电解槽;4-碱液过滤器
10、单项选择题 照明电路开关应装在()。
A.相线上;
B.地线上;
C.相线和地线都行;
D.中性线上。
点击查看答案
本题答案:A
本题解析:暂无解析
11、问答题 对电业系统运行有哪些基本要求?
点击查看答案
本题答案:(1)保证可靠的持续供电。
(2)保证良好的
本题解析:试题答案(1)保证可靠的持续供电。
(2)保证良好的电能质量。
(3)保证系统的运行经济性。
12、问答题 试述主密封油泵发生故障后的处理方法?
点击查看答案
本题答案:当主密封油泵故障后,查事故交流(直流)密封油泵是否自动
本题解析:试题答案当主密封油泵故障后,查事故交流(直流)密封油泵是否自动投入运行,如未启动成功(或故障),应检查汽轮机调整油(或润滑油)的自动控制系统是否自动投入,如不能自动投入,应迅速打开调整装置的旁路门,手动调整密封油压。
13、问答题 综合分析发电机、励磁机着火及氢气爆炸的特征、原因及处理方法?
点击查看答案
本题答案:发电机、励磁机着火及氢气爆炸的特征:
(1)
本题解析:试题答案发电机、励磁机着火及氢气爆炸的特征:
(1)发电机周围发现明火。
(2)发电机定子铁芯、绕组温度急剧上升。
(3)发电机巨响,有油烟喷出。
(4)发电机进、出风温突增,氢压增大。
发电机、励磁机着火及氢气爆炸的原因:
(1)发电机氢冷系统漏氢气并遇有明火。
(2)机械部分碰撞及摩擦产生火花。
(3)氢气纯度低于标准纯度(96%)。
(4)达到氢气自燃温度。
发电机、励磁机着火及氢气爆炸时应作如下处理:
(1)发电机、励磁机内部着火及氢气爆炸时,司机应立即破坏真空紧急停机。
(2)关闭补氢阀门,停止补氢。
(3)通知电气值班员排氢气,用CO2进行置换。
(4)及时调整密封油压至规定值。
14、问答题 为什么用氢气作为发电机冷却介质比用空气好?
点击查看答案
本题答案:用氢气作为发电机冷却介质主要有以下优点:
(
本题解析:试题答案用氢气作为发电机冷却介质主要有以下优点:
(1)由于氢气的密度是空气的2/29,使发电机转子在转动过程中所受到的阻力相应比空气减少10~14.5倍,从而使机械热损失减小,机组容量增加,并能使电机的风扇成比例减小。
(2)由于氢气的导热率比空气约大7倍,发电机冷却效果增强,约比空气冷却的温差小10℃。
(3)氢气比空气纯净,不会把灰尘等污物带到线圈内,造成短路。
(4)氢气扩散速度快,不易在绝缘体表面产生电晕现象,从而减弱了绝绝材料的老化。
15、问答题 试述水电解制氢运行准备阶段的保安要求?
点击查看答案
本题答案:(1)开车前要清除场地和电解槽上的金属物、易爆物和其他
本题解析:试题答案(1)开车前要清除场地和电解槽上的金属物、易爆物和其他杂物。
(2)配备充足的灭火器材,并保持在随时可用状态。
(3)气罐或气柜在充装前做好气体置换,达到充装标准。
(4)各阀门缝隙要严密,冷却水要通畅,信号系统要好,分析仪器完备,氮气充足,其他相关设备处于良好状态。
(5)启动前对系统进行取样分析,氢系统内含氧量小于1%,氧系统内含氢量小于0.1%,为合格。
(6)操作人员应经过培训、考核,合格后方能上岗操作。
(7)电解液的配制应符合技术规范。
16、单项选择题 关于1型糖尿病的叙述错误的是()
A.容易伴发其他自身免疫性疾病
B.青少年起病者有自发性酮症倾向
C.胰岛素抵抗参与其发病
D.需要以胰岛素治疗以控制代谢紊乱和维持生命
E.患病初期经胰岛素治疗以控制代谢紊乱和维持生命
点击查看答案
本题答案:C
本题解析:暂无解析
17、问答题 论述氢气中微量氧分析使用最广泛的“吸收法”原理,并说明其常用的碱性溶液及其化学性质是什么?
91exam.net
点击查看答案
本题答案:其原理是选用适当的吸收液,把氢气中的氧吸收,气体体积随
本题解析:试题答案其原理是选用适当的吸收液,把氢气中的氧吸收,气体体积随之减少,根据体积的减少,便可得出氢中氧的含量。通常采用的是焦性没食子酸的碱性溶液,它是一种强还原剂,但不能在温度低于15℃时操作。对于含有高浓度的氧(含氧40%~50%以上)的气体,焦性没食子酸溶液则按吸收氧量的多少而放出二氧化碳,因此焦性没食子酸的碱性溶液不能直接用于纯氧的分析测定。
18、问答题 气体冷却器的作用是什么?
点击查看答案
本题答案:氢气经过冷却器进行降温,除去氢气中水分,降低湿度。
本题解析:试题答案氢气经过冷却器进行降温,除去氢气中水分,降低湿度。
19、单项选择题 为保证电解效率,进入电解槽前的电解液温度必须冷却到(),以保证电解槽出口温度不超过85℃。
A.45~50℃;
B.55~60℃;
C.60~65℃;
D.65~70℃。
点击查看答案
本题答案:C
本题解析:暂无解析
20、问答题 制氢设备运行过程中主要分析哪些指标?
点击查看答案
本题答案:主要分析氢气、氧气纯度和氢气湿度。
本题解析:试题答案主要分析氢气、氧气纯度和氢气湿度。
21、问答题 绘图题:画出电解槽压力调节系统图。
点击查看答案
本题答案:
试题答案
22、问答题 绘图题:画出电位器的图形符号。
点击查看答案
本题答案:
试题答案
23、单项选择题 氢气的排出管必须伸出厂房外(),而且应设防雨罩,以防雨水进入管内,形成水封,妨碍排氢。
A.离地2m以上;
B.离地3m以上;
C.离地5m以上;
D.离地10m以上。
点击查看答案
本题答案:A
本题解析:暂无解析
24、单项选择题 氢、氧综合塔内的电解液液位,在正常运行时应该是()。
A.氢略高于氧;
B.氧略高于氢;
C.氢处在高位;
D.氧处在高位。
点击查看答案
本题答案:A
本题解析:暂无解析
25、问答题 论述氢气作为发电机冷却介质的优缺点?
点击查看答案
本题答案:优点:氢气比重小,通风损耗小,可提高发电机效率,氢气扩
本题解析:试题答案优点:氢气比重小,通风损耗小,可提高发电机效率,氢气扩散性强,可大大提高传热能力和散热能力,氢气比较纯净,不易氧化,发生电晕时不产生臭氧,对发电机绝缘起保护作用,氢气不助燃。
缺点:需要一套复杂的制氢设备和气体置换系统,由于氢气渗透力强,对密封要求高,并且要求有一套密封油系统,增加了运行操作和维护的工作量,氢气是易燃的,有着火的危险,遇到电弧和明火,就会燃烧,氢气与空气(或氧气)混合到一定比例时,遇火将发生爆炸,威胁发电机的运行安全。
26、问答题 分析判断电解槽在什么情况下需解体大修或者清洗?
点击查看答案
本题答案:(1)当电解槽严重漏碱,气体纯度迅速下降,极间电压不正
本题解析:试题答案(1)当电解槽严重漏碱,气体纯度迅速下降,极间电压不正常且清洗无效,石棉橡胶垫部分损坏以及其他需大修方可保证安全生产的情况下。
(2)满使用周期年限。
27、问答题 解释负压力的概念?
点击查看答案
本题答案:绝对压力低于大气压力时的表压力,它等于大气压力和绝对压
本题解析:试题答案绝对压力低于大气压力时的表压力,它等于大气压力和绝对压力之差。
28、问答题 电解系统由哪几部分组成?
点击查看答案
本题答案:由氢侧系统、氧侧系统、补给水系统和碱液系统四部分组成。
本题解析:试题答案由氢侧系统、氧侧系统、补给水系统和碱液系统四部分组成。
29、问答题 试述氢冷发电机引起爆炸的条件和范围?
点击查看答案
本题答案:氢气和氧气(或空气)混合,在一定条件下,化合成水且在化
本题解析:试题答案氢气和氧气(或空气)混合,在一定条件下,化合成水且在化合过程中发出大量热量。如果氢冷发电机的机壳内有混合气体,在一定条件下就会发生化合作用并同时产生大量的热,这样气体突然膨胀,就有可能发生氢冷发电机爆炸事故。试验得知,在密封容器内,氢气和空气混合,当氢含量在47.6%以上,且又有火花或温度在700℃以上时,就有可能爆炸。
30、问答题 绘图题:画出两个分别带有正电荷的球体,相互接近时的电力线。
点击查看答案
本题答案:
试题答案
31、问答题 检修中为什么要使用铜质工具敲打?
点击查看答案
本题答案:主要是防止在可能有爆炸性气体的场合下产生火花,铜质工具
本题解析:试题答案主要是防止在可能有爆炸性气体的场合下产生火花,铜质工具质软可避免火花的产生。
32、问答题 什么是电解质溶液理论分解电压?
点击查看答案
本题答案:电解槽外加电压的值等于其电解产物所构成原电池的反电动势
本题解析:试题答案电解槽外加电压的值等于其电解产物所构成原电池的反电动势时,称此为电解质溶液的理论分解电压。
33、问答题 试述发电机冷却的几种方式,冷却介质的总类及氢冷发电机的总类?
点击查看答案
本题答案:发电机的冷却方式分外部冷却和内部冷却两种。冷却介质不通
本题解析:试题答案发电机的冷却方式分外部冷却和内部冷却两种。冷却介质不通过发热体内部,而是流经发热体外部表面的冷却方式叫外部冷却;冷却介质在发热体内部流通的冷却方式叫内部冷却。发电机的冷却介质有气体和液体两种。气体冷却用空气或氢气;液体冷却用水或变压器油等。以空气作冷却流体的发电机叫空冷发电机;以氢气作冷却流体的发电机叫氢冷发电机;定子和转子导线内均通入冷却水进行冷却的发电机叫双水内冷发电机,铁芯氢冷,转子氢内冷,定子线圈水内冷的称作水氢氢冷却发电机。
34、问答题 什么叫负载曲线?
点击查看答案
本题答案:将电力负载随着时间变化关系绘制出的曲线称为负载曲线。<
本题解析:试题答案将电力负载随着时间变化关系绘制出的曲线称为负载曲线。
35、问答题 试述氢冷发电机氢气置换必须用中间气体的原因?
91ExAM.net
点击查看答案
本题答案:氢气和空气的混合物是一种危险的气体,在有火种或高温情况
本题解析:试题答案氢气和空气的混合物是一种危险的气体,在有火种或高温情况下易发生爆炸,严重时会造成人身伤亡或设备损坏等恶性事故。因此,氢冷发电机在由运行转为检修后投入运行的过程中,必须使用中间气体进行置换,避免空气和氢气相互接触。
36、单项选择题 补水箱自动补水的原理是依靠()。
A.补水箱安装标高比压力调整器高、利用水位差自动补水
B.补水箱内部压力高于压力调整器,利用压力差补水
C.依靠氢、氧综合塔的液位差
D.依靠氢综合塔的液位高低转换
点击查看答案
本题答案:D
本题解析:暂无解析
37、问答题 试述防止电解槽和极板腐蚀所采取的措施?
点击查看答案
本题答案:为了防止电解槽和极板(特别是阳极板)的腐蚀,一方面在电
本题解析:试题答案为了防止电解槽和极板(特别是阳极板)的腐蚀,一方面在电极上镀上一层镍作保护层,另一方面在电解液中以2g/L的浓度加入五氧化二矾。另外,还要严格要求电解质和补充水的质量,尽量减少杂质,同时注意运行时的温度不得太高,碱液浓度不宜过大等。
38、问答题 解释绝对压力的概念?
点击查看答案
本题答案:以完全真空作零标准(参考压力)表示的压力。
本题解析:试题答案以完全真空作零标准(参考压力)表示的压力。
39、单项选择题 QG10/3.2-A型氢气干燥装置的干燥器内装有()。
A.硅胶;
B.铝胶;
C.13X分子筛;
D.无水氯化钙。
点击查看答案
本题答案:C
本题解析:暂无解析
40、问答题 绘图题:画出电感线圈的图形符号。
点击查看答案
本题答案:
试题答案
41、问答题 绘图题:画出电阻的图形符号。
点击查看答案
本题答案:
试题答案
42、问答题
如何配制KOH溶液?并说明加入V2O5的作用?
点击查看答案
本题答案:将碱液箱用蒸馏水冲洗干净,加入所需要量的固体KOH和蒸
本题解析:试题答案将碱液箱用蒸馏水冲洗干净,加入所需要量的固体KOH和蒸馏水,搅拌加速固体KOH溶解,充分混合获得均匀碱液后,取样测定其比重。当配制的碱性浓度达到电解槽运行要求后,再以每升碱液中加入2gV2O5的比例,将其用碱溶液溶解后倒入碱箱内,搅拌均匀后静置24h,使沉淀物完全沉淀。加入V2O5的目的是为了防止电解槽和极板(特别是阳极板)的腐蚀。
43、问答题 为什么电流表、电压表某一刻度上划一红线?
点击查看答案
本题答案:为便于监视运动状态,常把额定值或允许值在表盘面上用红线
本题解析:试题答案为便于监视运动状态,常把额定值或允许值在表盘面上用红线表示,以便运行中能提醒注意,保证安全运行。
44、问答题 绘图题:画出氢站电解液配液流程图。
点击查看答案
本题答案:
试题答案
45、单项选择题
活泼金属与稀HNO3反应,()。
A.有H2生成;
B.没有H2生成;
C.有H2生成,并立即被硝酸氧化成水;
D.有H2和N2生成。
点击查看答案
本题答案:C
本题解析:暂无解析
46、问答题 综合分析发电机氢气湿度增大的原因?
点击查看答案
本题答案:(1)发电机氢气由制氢室储氢罐供给,储氢罐内如有水,尤
本题解析:试题答案(1)发电机氢气由制氢室储氢罐供给,储氢罐内如有水,尤其夏天室外温度高,水部分蒸发,会增加氢气湿度,因此储氢罐要经常排水。
(2)氢冷发电机在运行过程中,氢气由于吸收轴封带来的水分,而使氢气的湿度增加,超过标准,尤其油中含水量大时湿度增加更明显。
(3)发电机氢气系统装有硅胶的干燥器因吸收氢中水分,硅胶已失效,需要更换。
47、问答题 密封瓦的形式有几种?
点击查看答案
本题答案:密封瓦形式有三种,分别为单环式、双环式和盘式。
本题解析:试题答案密封瓦形式有三种,分别为单环式、双环式和盘式。
48、单项选择题 在电路中,将几个电阻首端和尾端分别连接在两个节点之间,这种连接方法叫做电阻的()。
A.串联;
B.并联;
C.混联;
D.互联。
点击查看答案
本题答案:B
本题解析:暂无解析
49、问答题 绘图题:画出交流发电机常用代表符号。
点击查看答案
本题答案:
试题答案
50、单项选择题 混合气体中氢气含量低于()时,氢气与空气中氧气发生反应所产生的热量弥补不了散失的热量,不能使周围的混合气体达到着火点温度,这一限度称为氢爆下限。
A.约2%;
B.约3%
C.约4%;
D.约5%。
点击查看答案
本题答案:C
本题解析:暂无解析
51、问答题 制氢系统由哪几部分组成?
点击查看答案
本题答案:由七部分组成,分别为电解槽、气体分离器、气体洗涤器、压
本题解析:试题答案由七部分组成,分别为电解槽、气体分离器、气体洗涤器、压力调整器、给水箱、冷却器和储氢罐。
52、单项选择题 混合气体中氢气含量高于()限度时,由于缺氧而无法燃烧,这一限度称为氢爆上限。
A.约75%;
B.约80%;
C.约85%;
D.约90%。
点击查看答案
本题答案:A
本题解析:暂无解析
53、问答题 什么叫气体置换?
点击查看答案
本题答案:利用中间气体,来排除发电机内氢气或空气,最后再用氢气或
本题解析:试题答案利用中间气体,来排除发电机内氢气或空气,最后再用氢气或空气排除中间气体的作业叫气体置换。
54、问答题 国际单位制中压力单位是什么?
点击查看答案
本题答案:国际单位制中压力单位是帕斯卡,简称“帕&r
本题解析:试题答案国际单位制中压力单位是帕斯卡,简称“帕”。
55、问答题 绘图题:画出水电解制氢槽压调节工作原理图。
点击查看答案
本题答案:
试题答案
56、单项选择题 在直流电路中,我们把电流流出电源的一端叫电源的()。
A.正极;
B.负极;
C.端电压;
D.端电流。
点击查看答案
本题答案:A
本题解析:暂无解析
57、问答题 论述氢冷发电机干燥器内干燥剂更换后的投用方法?
点击查看答案
本题答案:(1)打开干燥器底部放气门,同时打开干燥器进气门,对干
本题解析:试题答案(1)打开干燥器底部放气门,同时打开干燥器进气门,对干燥器内气体进行排污,1min后关闭以上阀门。
(2)打开干燥器出气门及底部放气门,反方向对干燥器内气体进行排污1min后关闭底部放气门,打开干燥器进气门。
58、问答题 绘图题:画出电流源的图形符号。
点击查看答案
本题答案:
试题答案
59、问答题 国产化学试剂的纯度(规格)分几级?
点击查看答案
本题答案:国产化学试剂的纯度分四级:一级为保证试剂(简称GK);
本题解析:试题答案国产化学试剂的纯度分四级:一级为保证试剂(简称GK);二级为分析纯(简称AG);三级为化学纯(简称CP);四级为实验试剂(简称CL)。
60、问答题 试述中间介质的质量标准?
点击查看答案
本题答案:(1)用二氧化碳作为中间介质时,气体纯度按容积计不得低
本题解析:试题答案(1)用二氧化碳作为中间介质时,气体纯度按容积计不得低于98%;水分的含量按质量计不得大于0.1%。
(2)用氮气作为中间介质时,氮气的纯度按容积计不得低于97.5%,水分的含量按质量计不得大于0.1%。
(3)中间介质不得含有带腐蚀性的杂质。
61、问答题 绘图题:画出制氢站补水流程图。
点击查看答案
本题答案:
试题答案
62、单项选择题 氧气压力调整器针形阀泄漏时,氢气压力调整器水位就()。
A.升高;
B.降低;
C.两侧基本持平;
D.两侧完全持平。
点击查看答案
本题答案:B
本题解析:暂无解析
63、问答题 试述氢冷发电机的工作原理?
点击查看答案
本题答案:氢冷发电机的工作原理是:用一定数量的氢气在发电机密封冷
本题解析:试题答案氢冷发电机的工作原理是:用一定数量的氢气在发电机密封冷却系统中循环,吸收发电机转子和定子的热量,然后用冷却水冷却氢气,冷却后的氢气又重新回到发电机中,如此不断循环。
64、问答题 绘图题:画出电容元件的图形符号。
点击查看答案
本题答案:
试题答案
65、问答题 绘图题:画出直流发电机常用代表符号。
点击查看答案
本题答案:
试题答案
66、单项选择题 整流柜的作用是为电解制氢装置提供()。
A.控制信号;
B.交流电源;
C.直流电源;
D.恒流电源。
点击查看答案
本题答案:C
本题解析:暂无解析
67、单项选择题 氢气和氧气的爆炸上限为()。
A.93.9%H2+6.1%O2;
B.94.9%H2+5.1%O2;
C.95.9%H2+4.1%O2;
D.96.9%H2+3.1%O2。
点击查看答案
本题答案 91EXAM.net:A
本题解析:暂无解析
68、问答题 绘图题:画出直流电源的图形符号。
点击查看答案
本题答案:
试题答案
69、问答题 什么叫电阻率?
点击查看答案
本题答案:把长度为1m、截面积为1cm2的导体所具有的电阻值称为
本题解析:试题答案把长度为1m、截面积为1cm2的导体所具有的电阻值称为该导体的电阻率。
70、问答题 写出制氢站气体纯度指标?
点击查看答案
本题答案:H2纯度不小于99.5%,O2纯度不小于99.5%,H
本题解析:试题答案H2纯度不小于99.5%,O2纯度不小于99.5%,H2湿度不大于5g/m3,氢站有干燥装置时,H2湿度不大于0.5g/m3。
71、问答题 氢冷发电机在运行过程中应注意哪些问题?
点击查看答案
本题答案:氢冷发电机的轴封必须严密,当机内充满氢气时,轴封油不准
本题解析:试题答案氢冷发电机的轴封必须严密,当机内充满氢气时,轴封油不准中断,油压应大于氢压,以防空气进入发电机内壳或氢气充满汽轮机的油系统中而引起爆炸。主油箱上的排烟机应保持经常运行,如排烟机出现故障,应采取措施,使油箱内不积聚氢气。
72、单项选择题 电击对人体的真正危害是()。
A.烧伤;
B.烫伤;
C.跌伤;
D.缺氧、心脏停搏。
点击查看答案
本题答案:D
本题解析:暂无解析
73、单项选择题 二氧化碳总储存量应根据置换一台最大机组所需量的()来计算。
A.1.5倍;
B.2.0倍;
C.2.5倍;
D.3.0倍。
点击查看答案
本题答案:D
本题解析:暂无解析
74、单项选择题 因工作需要进入氢站的人员必须(),并不得穿化纤服和带铁钉的鞋子。
A.经有关领导批准;
B.使用铜制工具;
C.持有动火工作票;
D.交出火种。
点击查看答案
本题答案:D
本题解析:暂无解析
75、单项选择题 氢、氧压力调整器水位差不允许超过()。
A.200mm;
B.150mm;
C.100mm;
D.50mm。
点击查看答案
本题答案:C
本题解析:暂无解析
76、问答题 试述对电解质的一般技术要求?
点击查看答案
本题答案:电解水时,电解质的选择是很重要的,既要考虑其水溶液的电
本题解析:试题答案电解水时,电解质的选择是很重要的,既要考虑其水溶液的电导率、稳定性、腐蚀性,又要考虑到其经济性等综合因素,一般要求有如下几点:
(1)离子传导性能高。
(2)在电解电压下能够分解。
(3)在综合条件下不因挥发而与氢氧一并逸出。
(4)操作条件下对电解池的有关材料无强的腐蚀。
(5)溶液pH值变化时,具有阻止其变化的缓冲性。
77、问答题 什么叫电解池?
点击查看答案
本题答案:利用电能使某电解质溶液分解为其他物质的单元装置,称作电
本题解析:试题答案利用电能使某电解质溶液分解为其他物质的单元装置,称作电解池。
78、问答题 气体洗涤器的作用是什么?
点击查看答案
本题答案:电解槽内产生的气体经分离器以后分为氢气和氧气,仍带有微
本题解析:试题答案电解槽内产生的气体经分离器以后分为氢气和氧气,仍带有微量的电解液,故必须再经过气体洗涤器进一步除去气体夹带的电解液,并把气体冷却到常温。
79、单项选择题 在电路中,将若干个电阻首尾依此连接起来叫做电阻的()。
A.串联;
B.并联;
C.混联;
D.互联。
点击查看答案
本题答案:A
本题解析:暂无解析
80、单项选择题 禁止用两只手分别接触电解槽的()。
A.两个不同电极;
B.同一电极;
C.中心点;
D.端部。
点击查看答案
本题答案:A
本题解析:暂无解析
81、问答题 绘图题:画出氢气的水封结构图。
点击查看答案
本题答案:
试题答案
82、问答题 试述水电解制氢运行阶段的保安要求?
点击查看答案
本题答案:(1)开车前检查电解槽对地绝缘,开车后定期检查框间电压
本题解析:试题答案(1)开车前检查电解槽对地绝缘,开车后定期检查框间电压分布、片间电压分布、相邻框片间 91exam.net电压分布;对于氢、氧和碱液管道从槽件中间引出的电解槽,要测中间框对接地极电位差,以确保无短路现象。
(2)气体产出后,要先进行气体爆鸣试验,然后再分析气体纯度,待气体纯度合格,并重复两次以上,才能将气体送入气罐或其他用户。
(3)电解槽及所有辅助设备和有关设备的运行参数必须在规定范围内。
(4)定时分析电解液浓度和杂质含量,检查电解槽的电源、电压、分离器、洗涤器和压力调整器的工作是否正常。随时监视电解槽的液位,连续补充无离子水,严防液位过低使电解槽内出现气体空间,造成氢、氧气混合;严防液位过高增加气体排出阻力,甚至导致氢、氧两侧压力不平衡,导致氢、氧气互相渗透。
(5)电解槽应保持正常的工作压力,当出现压差较大时,应及时查明原因,并进行处理。
(6)操作人员应按规定着装,按规程操作,不得擅离职守,金属工具(铜工具除外)、物品等不得带入室内。
83、单项选择题 空气中氮气的含量是氧气的()。
A.3.8倍;
B.3.5倍;
C.3.3倍;
D.3.0倍。
点击查看答案
本题答案:A
本题解析:暂无解析
84、问答题 写出氢冷发电机内氢气纯度控制指标?
点击查看答案
本题答案:以60万机组为例:H2纯度大于98%,含O2量小于1.
本题解析:试题答案以60万机组为例:H2纯度大于98%,含O2量小于1.2%,H2湿度小于10g/m3。
85、问答题 试述发电机水氢氢冷却的概念?
点击查看答案
本题答案:发电机采用水氢氢冷却方式,即定子绕组水内冷,转子绕组氢
本题解析:试题答案发电机采用水氢氢冷却方式,即定子绕组水内冷,转子绕组氢内冷(槽部为气隙,取气斜流通风方式,端部为两路通风方式),铁芯及端部结构件氢外冷。
86、单项选择题 QG10/3.2-A型氢气干燥装置正常工作时,两台吸附干燥器应()。
A.一起运行;
B.一起再生;
C.一台运行,一台再生;
D.一台加热,一台吹冷。
点击查看答案
本题答案:C
本题解析:暂无解析
87、单项选择题 储氢罐的有效容量应能满足()运行机组的补氢量。
A.3天;
B.5天;
C.8天;
D.10天。
点击查看答案
本题答案:D
本题解析:暂无解析
88、单项选择题 电解槽的电源采用()。
A.直流电;
B.交流电;
C.交、直流两用;
D.交、直流切换。
点击查看答案
本题答案:A
本题解析:暂无解析
89、问答题 论述氢冷发电机的特点?
点击查看答案
本题答案:(1)氢气比空气轻,通风损耗小。
(2)氢气
本题解析:试题答案(1)氢气比空气轻,通风损耗小。
(2)氢气比空气传热能力高,冷却效果提高。
(3)氢气比空气纯净,不易氧化,运行中产生臭氧,起保护绝缘作用。
(4)氢气易燃,遇有电弧或明火会燃烧,有火灾危险。
(5)氢气与空气的混合气体遇火(或700℃以上的热体),当氢含量在5%~76%的范围内时,在密封窗口容器中,有产生强烈氢爆炸的危险。
(6)氢气比空气渗透力强,易从发电机轴承、法兰盘、引出线套管、座板及机壳焊缝等处扩散出来,引起机壳内氢压力降低和氢纯度下降。
(7)氢系统复杂,除有一套制氢设备及系统外,还有氢油分离、密封油系统以及相应的控制、信号、仪表等,运行操作复杂,维护工作量增大。
90、单项选择题 制氢站内必需进行动火作业时,一定要()。
A.经有关领导批准;
B.使用动火工作票;
C.消防队同意;
D.做好安全措施。
点击查看答案
本题答案:B
本题解析:暂无解析
91、单项选择题 氢气经冷却器后的出口温度应不大于()。
A.10℃;
B.20℃;
C.30℃;
D.40℃。
点击查看答案
本题答案:C
本题解析:暂无解析
92、问答题 为什么规定发电机定子冷却水水压比氢压低0.049MPa?
点击查看答案
本题答案:国产300MW机组的发电机为水氢氢冷却方式,铁芯氢冷,
本题解析:试题答案国产300MW机组的发电机为水氢氢冷却方式,铁芯氢冷,定子绕组水内冷,转子绕组氢内冷,其水冷铜管是嵌在定子线棒之间的。氢压高于水压,则铜管受压应力,铜管破裂时水不致于外漏。如水压高于氢压,则铜管受拉应力,一般金属材料受压应力比拉应力允许数值大得多,故一般冷却水压比氢压低0.049MPa。
93、问答题 解释表压力的概念?
点击查看答案
本题答案:以大气压力作为零标准(参考压力)表示的压力,当绝对压力
本题解析:试题答案以大气压力作为零标准(参考压力)表示的压力,当绝对压力大于大气压力时,它等于绝对压力与大气压力之差。
94、问答题 为什么选择氢氧化钠、氢氧化钾作为电解质?
点击查看答案
本题答案:氢氧化钠、氢氧化钾的导电率较好,对钢或镀镍电极的稳定性
本题解析:试题答案氢氧化钠、氢氧化钾的导电率较好,对钢或镀镍电极的稳定性好,对电解槽的腐蚀性小。而其他大多数盐类在电解时,常因被分解而不能使用。因此不宜采用。目前一般采用氢氧化钾或氢氧化钠碱溶液作为水电解制氢的电解质。
95、问答题 论述吸附式氢气干燥器的除湿原理?
点击查看答案
本题答案:吸附式干燥器为双桶热氢再生式。干燥器自带磁力驱动零泄漏
本题解析:试题答案吸附式干燥器为双桶热氢再生式。干燥器自带磁力驱动零泄漏离心风机,来自发电机的氢气经风机增压后先经过吸附桶脱水干燥,干燥后氢气大部分回到发电机中去,少部分流经再生桶。再生桶内装有电加热器,将氢气加热,热氢将硅胶中吸附的水分带出,经冷却后水分析出,沉积在一贮水桶内。每天定时人工排放并记录。吸附桶和再生桶的切换定时进行。由于吸附式干燥器自带风机,因此在发电机停机时也可对发电机内气体进行干燥。
96、问答题 试述氢气质量分析的重要性?
点击查看答案
本题答案:分析氢气中杂质含量在氢气生产过程中占有很重要的地位,它
本题解析:试题答案分析氢气中杂质含量在氢气生产过程中占有很重要的地位,它不仅关系气体的质量,而且关系到氢气生产甚至整个工厂的安全。运行中氢冷发电机的氢气质量分析结果是否正确,直接影响到发电机的安全发电和经济指标;置换过程中的氢气质量分析也尤为重要,发生误差会有爆炸混合气体的存在,在检修过程中,就有发生爆炸可能,严重威胁工厂和人身安全。为此,必须要有严格的分析制度,配备必要的分析仪器和设备,随着工业生产的发展,对氢气生产的分析检验要求更高,这不仅要有准确可靠、操作方便的分析方法,还要有结构简单、灵敏度高、稳定性好的分析仪器。只有严格地进行氢气生产过程中的氢气纯度分析监督,才能绝对保证整个生产过程的安全。
97、问答题 论述水电解制氢电解槽的运行和维护要点?
点击查看答案
本题答案:(1)氢、氧压力调整器液位始终保持在规定范围内。
本题解析:试题答案(1)氢、氧压力调整器液位始终保持在规定范围内。
(2)经常检查,并保持氢氧两侧的压力平衡。
(3)调节分离器内冷却 水量,使电解液的温度保持在规定范围。
(4)每周检查一次电解槽的隔间电压,每次测量最好保持恒定的电解液温度及电流密度,以便于比较(正常情况下各电解池的电压分布是平稳的)。
(5)每2h进行一次手动分析氢氧纯度,如没有自动分析仪时,则4h进行一次人工分析。
(6)每周检查一次电解液浓度。
(7)定期清洗过滤器,保证槽内电解液正常循环。
(8)随时调节电解槽的电流强度,使产气量满足生产需要。
98、问答题 试述发电机冷却设备的作用?
点击查看答案
本题答案:汽轮发电机运行时和其他电机一样要产生能量损耗,主要为涡
本题解析:试题答案汽轮发电机运行时和其他电机一样要产生能量损耗,主要为涡流损失。这部分损耗功率在电机内部转变成热量,使电机转子和定子线圈发热。为了不使发电机线圈绝缘材料的特性因温度过高而降低,引起绝缘损坏,必须不断地排出这些由于损耗而产生的热量,发电机冷却设备的作用就在于此。
99、问答题 解释电流的概念?
点击查看答案
本题答案:电荷有规律的定向运动就形成了电流,习惯上规定正电荷的流
本题解析:试题答案电荷有规律的定向运动就形成了电流,习惯上规定正电荷的流动方向为电流方向。电流的大小用单位时间内在导体截面上移过的电量多少来度量。电流的单位是安培,简称“安”。
100、问答题 氢气冷却的发电机对冷却和密封系统的管道标色有何要求?
点击查看答案
本题答案:要求冷却水管、氢气管、油管、二氧化碳管等均用漆着色,以
本题解析:试题答案要求冷却水管、氢气管、油管、二氧化碳管等均用漆着色,以示区别。
题库试看结束后
微信扫下方二维码即可打包下载完整版《
★电机氢冷值班员考试》题库
手机用户可保存上方二维码到手机中,在微信扫一扫中右上角选择“从相册选取二维码”即可。
题库试看结束后
微信扫下方二维码即可打包下载完整版《
电机氢冷值班员考试:初级电机氢冷值班员》题库,
分栏、分答案解析排版、小字体方便打印背记!经广大会员朋友实战检验,此方法考试通过率大大提高!绝对是您考试过关的不二利器!
手机用户可
保存上方二维码到手机中,在
微信扫一扫中右上角选择“从
相册选取二维码”即可。