手机用户可
保存上方二维码到手机中,在
微信扫一扫中右上角选择“从
相册选取二维码”即可。
1、填空题 3~10KV中性点不接地系统中,当电力网接地电容电流大于()时,电源中性点需经消弧圈接地。
点击查看答案
本题答案:30A
本题解析:试题答案30A
2、填空题 三相五柱式电压互感器的二次线圈有一组接为开口三角形,正常时,电压为()V当一相接地时,开口处电压为()V。
点击查看答案
本题答案:0;100
本题解析:试题答案0;100
3、填空题 ()是监视变压器运行温度的表计,一般都把测温点放在油的上层。常用的温度计有()、气压式和电阻式等。
点击查看答案
本题答案:温度计;水银式
本题解析:试题答案温度计;水银式
4、多项选择题 继电保护装置信号回路的特点是()。
A、交流、直流回路分开
B、信号回路与控制回路分开
C、继电保护回路不作用于跳闸
D、继电保护信号不能复归
点击查看答案
本题答案:A, B
本题解析:暂无解析
5、多项选择题 UPS按电源的输入、输出方式可以分为()。
A、单相输入单相输出型UPS
B、三相输入单相输出型UPS
C、三相输入三相输出型UPS
D、单相输入三相输出型UPS
点击查看答案
本题答案:A, B, C
本题解析:暂无解析
6、问答题 330KV失灵保护的作用?
点击查看答案
本题答案:当电力系统出现故障时,继电保护动作而断路器拒绝动作,可
本题解析:试题答案当电力系统出现故障时,继电保护动作而断路器拒绝动作,可能烧毁电气设备,扩大事故范围,甚至使系统的稳定运行遭到破坏。故加装断路器失灵保护装置,有选择性得将失灵拒动断路器所连母线断路器断开以减少设备损坏缩小停电范围,提高系统安全稳定性。
7、填空题 北海炼油异地改造项目低压电动机主回路中采用的断路器是(),控制回路中综合保护器BDM的型号是()。
点击查看答案
本题答案:空气开关;BDM100—T
本题解析:试题答案空气开关;BDM100—T
8、填空题 每台电容器应装设()进行保护,对于多台电容器连接而成的电容器组,则应根据连接方式不同装设过电流保护、过电压保护、横差保护等。
点击查看答案
本题答案:熔断器
本题解析:试题答案熔断器
9、多项选择题 移相式电容器不正确的操作是()。
A、停电后使其自动放电
B、停电后等待放电
C、停电后立即送电
D、停电后过2min送电
点击查看答案
本题答案:C, D
本题解析:暂无解析
10、多项选择题 隔离开关在其额定值下运行时,出现接触部分过热,其原因是()。
A、线路电流过大
B、散热不良
C、线路电压高
D、接触部分压力不足或接触表面氧化有污垢
点击查看答案
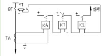
本题答案:B, D
本题解析:暂无解析
11、多项选择题 关于对馈出线自动重合闸装置的基本要求,以下说法正确的有()。
A、在值班人员手动或遥控操作将断路器跳闸,自动重合闸装置不应动作。
B、自动重合闸装置动作后不能自动复归,不能为下次动作做好准备。
C、在某些不允许重合闸的情况下,应自动将重合闸装置闭锁。
D、自动重合闸装置的动作次数应符合预先的规定。
点击查看答案
本题答案:A, C, D
本题解析:暂无解析
12、填空题 巡视时,运行人员身体各部分都要与带电部分保持距离,不同电压下的安全距离规定是:10KV及以下为0.7m,35KV为(),110KV为()。
点击查看答案
本题答案:1m;1.5m
本题解析:试题答案1m;1.5m
13、问答题 作图题:画出变压器过负荷接线原理图。
点击查看答案
本题答案:
试题答案
14、多项选择题 高压断路器灭弧室的灭弧方式有()。
A、纵吹
B、横吹
C、纵横吹
D、过零自然熄灭
点击查看答案
本题答案:A, B, C
本题解析:暂无解析
15、填空题 时间继电器的作用是(),中间继电器的作用是中转和放 大,信号继电器的作用是(),在继电保护装置中,它们都采用电磁式结构。
点击查看答案
本题答案:延时;动作指示
本题解析:试题答案延时;动作指示
16、问答题 何谓发电机进相运行?发电机进相运行时应注意什么?为什么?
点击查看答案
本题答案:所谓电机进相运行,是指发电机发出有功而吸收无功的稳定运
本题解析:试题答案所谓电机进相运行,是指发电机发出有功而吸收无功的稳定运行状态。
发电机进相运行时,主要应注意四个问题:一是静态稳定性降低;二是端部漏磁引起定子端部温度升高;三是厂用电电压降低;四是由于机端电压降低在输出功率不变的情况下发电机定子电流增加,易造成过负荷。
(1)进相运行时,由于发电机进相运行,内部电势降低,静态储备降低,使静态稳定性降低。
(2)由于发电机的输出功率P=EdU/Xd?Sinδ,在进相运行时Ed、U均有所降低,在输出功率P不变的情况下,功角δ增大,同样降低动稳定水平。
(3)进相运行时由于助磁性的电枢反应,使发电机端部漏磁增加,端部漏磁引起定子端部温度升高,发电机端部漏磁通为定子绕组端部漏磁通和转子端部磁通的合成。进相运行时,由于两个磁场的相位关系使得合成磁通较非进相运行时大,导致定子端部温度升高。
(4)厂用电电压的降低:
厂用电一般引自发电机出口或发电机电压母线,进相运行时,由于发电机励磁电流降低和无功潮流倒送引起机端电压降低同时造成厂用电电压降低。
17、填空题 为了保证变压器绝缘不过早老化,运行人员应加强变压器上层油温的监视,严格控制在()?C以下。
点击查看答案
本题答案:95
本题解析:试题答案95
18、填空题 SF6断路器简称GCB,属于气吹式断路器,是利用SF6气体做灭弧和()的一种断路器。
点击查看答案
本题答案:绝缘介质
本题解析:试题答案绝缘介质
19、问答题 变压器退出运行进行检修,装设接地线是必须采取的安全措施,以在变压器低压侧刀闸变压器侧装设接地线为例,请你详细说明如何装设接地线?要说明在整个操作过程中的操作步骤、操作注意事项及监护人在操作中的注意事项。
点击查看答案
本题答案:1、操作步骤:
(1)检查并确认变压器低压侧
本题解析:试题答案1、操作步骤:
(1)检查并确认变压器低压侧刀闸已拉开。
(2)验明变压器低压侧刀闸变压器侧三相确无电压。
(3)在变压器低压侧刀闸变压器侧挂接地线一组。
2、操作注意事项:
(1)操作工、监护人要戴安全帽、劳保用品要穿戴整齐符合要求。
(2)验电要用合格有效的验电器。
(3)验电前验电器应在有电设备上检验,确保验电器合格;验电后再在有电设备上检验一下。
(4)装设接地线时,操作工应戴绝缘手套(或用绝缘棒),人体不 得碰触接地体。
(5)装设接地线必须先接接地端,后接导线端,且接触良好,严禁用缠绕方式接地。
(6)接地线三相要短接
3、监护人注意事项:监护人不得帮助操作人拉拽接地线,失去监护作用。
20、问答题 在东兴炼厂模拟操作过的电气安全用具中,分别讲述各种工具的使用方法和注意事项?
点击查看答案
本题答案:验电笔:(1)检查验电笔与电压等级相符,且经试验合格的
本题解析:试题答案验电笔:(1)检查验电笔与电压等级相符,且经试验合格的产品。
(2)验电前应先在确知带电设备上试验,以证实其完好后,方可使用。
(3)使用高压验电器时,而要逐渐接近需要验电的部分。
绝缘手套:使用前,要认真检查是否破损、漏气,使用时就将衣袖纳于手套内,不得外露。
绝缘鞋(靴):严禁作为普通鞋(靴)穿用,使用前应检查有无明显破损,使用时要将绝缘鞋筒纳于裤腿,使其不外露。
21、多项选择题 直流电源装置在运行中进行浮充电的作用()。
A、使电池活化
B、保持电池机械寿命
C、补充电池的自放电
D、为直流负荷提供平稳输出
点击查看答案
本题答案:C, D
本题解析:暂无解析
22、多项选择题 大型电力系统在技术经济上具有下列优点()。
A、减少系统备用容量
B、通过合理分配负荷可以降低系统高峰负荷,提高运行经济性
C、便于发展大型机组利用大型动力资源,充分发挥水力发电厂电能生产成
本低的优越性
D、能够提高供电质量,提高供电可靠性
点击查看答案
本题答案:A, B, C, D
本题解析:暂无解析
23、填空题 ()工作票应在工作前一日交给值班员。临时工作可在工作开始以前直接交给值班员。()工作票应在进行工作的当天预先交给值班员。
点击查看答案
本题答案:第一种;第二种
本题解析:试题答案第一种;第二种
24、多项选择题 电气工作人员必须具备下列条件:()。
A.经医师鉴定,无妨碍工作的病症(体格检查约两年一次)
B.具备必要的电气知识,且按其职务和工作性质,熟悉《电业安全工作规程》(发电厂和变电所电气部分、电力线路部分、热力和机械部分)的有关部分,并经考试合格
C.领导批准后,方能参加工作
D.学会紧急救护法(附录G),特别要学会触电急救
点击查看答案
本题答案:A, B, D
本题解析:暂无解析
25、填空题 变压器油温每升高()时,油的劣化速度就会增加1.5~2倍。
点击查看答案
本题答案:10℃
本题解析:试题答案10℃
26、填空题 绝缘子表面脏污会降低绝缘子表面的()电压。
点击查看答案
本题答案:闪络
本题解析:试题答案闪络
27、多项选择题 目前同步电动机常见的励磁方式有()。
A、直流发电机励磁
B、谐波励磁
C、无刷励磁
D、可控硅励磁
点击查看答案
本题答案:A, C, D
本题解析:暂无解析
28、填空题 高压隔离开关用文字符号QS表示,没有灭弧装置,不允许()操作,不允许断开(),一般与断路器串联配合使用。
点击查看答案
本题答案:带负荷;短路电流
本题解析:试题答案带负荷;短路电流
29、问答题 什么是SF6全封闭组合电器?
点击查看答案
本题答案:SF6全封闭组合电器是将一座变电站中除了变压器以外的一
本题解析:试题答案SF6全封闭组合电器是将一座变电站中除了变压器以外的一次设备,包括断路器、隔离开关、接地开关、电压互感器、电流互感器、避雷器、母线、电缆终端、进出线套管等,经优化设计组合在一起,并全部封闭在接地的金属外壳中。壳内充以SF6气体作为高压设备的绝缘和断路器的灭弧介质,这种形式的组合电器称为SF6全封闭组合电器,又叫GIS。
30、多项选择题 磁路按结构不同可分为()。
A、无分支磁路
B、有分支磁路
C、对称磁路
D、不对称磁路
点击查看答案
本题答案:A, B
本题解析:暂无解析
31、填空题 同步电动机的起动方法有辅助电动机起动法,()起动法,和异步起动法。最常用的是()起动法。
点击查看答案
本题答案:调频;异步
本题解析:试题答案调频;异步
32、填空题 预告信号一般采取(),事故信号一般采取()。
点击查看答案
本题答案:警铃;蜂鸣器
本题解析:试题答案警铃;蜂鸣器
33、问答题 什么是接地装置?如何设置?
点击查看答案
本题答案:接地体与接地线的总和称为接地装置。
施工现场
本题解析:试题答案接地体与接地线的总和称为接地装置。
施工现场接地装置采用圆钢、钢管、角钢、扁钢等材料制作,其最小规格尺寸为:圆钢,直径不小于4mm;钢管,壁厚不小于3.5mm;角钢,厚度不小于4mm;扁钢,截面不小于48平方毫米。螺纹钢不能用作接地体。
34、问答题 做为一名运行操作电工,每天都要对变电所设备进行巡视与检查,请你详细表述对GIS设备巡视检查的全过程?
点击查看答案
本题答案:1、巡视检查前的准备工作:
(1)戴安全帽,
本题解析:试题答案1、巡视检查前的准备工作:
(1)戴安全帽,穿戴整齐劳保用品;
(2)准备巡视检查中要用到的工具、用具;
(3)对GIS室通风换气15分钟。
2、巡视检查内容:
(1)各单元气室压力是否正常,并记录各单元气室SF6气压值;
(2)各阀门开合位置是否正常,是否有漏气现象;
(3)液压机构的油箱油位是否正常、油压是否正常,有无漏油现象;
(4)观察GIS室温度是否正常,并记录环境温度
(5)、GIS阀门、配管有无损伤、锈蚀;
(6)观察并记录断路器、避雷器动作指示值;
(7)观察控制柜各电源指示灯及设备运行位置是否正常;
(8)有无光字牌异常显示;
(9)接地装置是否完好;
(10)巡检完毕,正确填写巡检记录。
35、问答题 作图题:画出电动机电流速断保护的接线原理图。
点击查看答案
本题答案:
试题答案
36、多项选择题 变电站综合自动化系统中的微机继电保护主要包括()。
A、输电线路保护
B、电力变压器保护
C、母线保护
D、直流屏保护
点击查看答案
本题答案:A, B, C
本题解析:暂无解析
37、填空题 变压器过负荷有两种,即正常过负荷和()。
点击查看答案
本题答案:故障过负荷
本题解析:试题答案故障过负荷
38、单项选择题 用兆欧表测量电气设备绝缘时,如果摇表转速低于要求转速过多时,其测量结果与实际值比较可能()。
A、偏高
B、偏低
C、大小一样
点击查看答案
本题答案:A
本题解析:暂无解析
39、多项选择题 一般电流互感器上一次测标有L1、L2,二次测标有K1、K2,则下列组合属同名端的是()。
A、L1、K1
B、L1、K2
C、L2、K1
D、L2、K2
点 击查看答案
本题答案:A, D
本题解析:暂无解析
40、多项选择题 真空断路器的优点()。
A、体积小、重量轻
B、熄弧时间短,触头烧伤轻
C、可频繁操作、防火防爆
D、采用空气横吹灭弧
点击查看答案
本题答案:A, B, C
本题解析:暂无解析
41、多项选择题 下列情况下,必须停用断路器自动重合闸装置()。
A、重合闸装置异常时
B、断路器灭弧介质及机构异常,但可维持运行时
C、断路器切断故障电流次数超过规定次数时
D、线路带电作业要求停用自动重合闸装置时
点击查看答案
本题答案:A, B, C, D
本题解析:暂无解析
42、填空题 一个工作负责人只能发给()张工作票。工作票上所列的工作地点,以一个电气连接部分为限。
点击查看答案
本题答案:一
本题解析:试题答案一
43、填空题 电力电容器正常运行时,日常巡视检查由运行值班人员进行。有人值班时()检查一次,无人值班时()检查一次。
点击查看答案
本题答案:每班;每周
本题解析:试题答案每班;每周
44、填空题 根据我国《电力变压器运行规程》规定变压器上层油面温升的限值是()℃。
点击查看答案
本题答案:55
本题解析:试题答案55
45、填空题 变压器在做短路试验时,功率表所测得的数值称为(),也叫铜损。
点击查看答案
本题答案:短路损耗
本题解析:试题答案短路损耗
46、填空题 微机保护硬件系统由五大部分组成,即()、模拟量输入系统、开关量输入系统、通信系统和电源系统。
点击查看答案
本题答案:数字核心系统
本题解析:试题答案数字核心系统
47、填空题 变压器是传输电能而不改变其()的静止的电能转换器。变压器是基于()原理工作的,变压器的主体由绕组和铁芯组成。工作时绕组是电的通路,铁芯是磁的通路。
点击查看答案
本题答案:频率;电磁感应
本题解析:试题答案频率;电磁感应
48、问答题 SF6断路器在SF6气体压力异常降低或打出“SF6气压低”信号后,如何处理?
点击查看答案
本题答案:SF6断路器在SF6气体压力异常降低或打出&ldquo
本题解析:试题答案SF6断路器在SF6气体压力异常降低或打出“SF6气压低”信号后,应迅速联系检修人员,在有条件的情况下可进行带电补充气体,如故障不能排除,且压力继续降低时应在跳闸闭锁前停运该断路器,如断路器跳闸回路已闭锁,则按拒跳处理。
49、多项选择题 关于绝缘监视装置的构成,下列说法正确的有()。
A、通常采用一个单相或一个三相五柱式电压互感器按Y/Y00/△型接线
B、一般包括电压测量和信号两部分
C、绝缘监察电压表量程按正常线电压选择
D、绝缘监察电压表量程按正常相电压选择
点击查看答案
本题答案:A, B, C
本题解析:暂无解析
50、填空题 SF6断路器是利用SF6气体在灭弧室的喷口及触头间形成的高压气流来灭弧的,灭弧的体压力一般是()Mpa。
点击查看答案
本题答案:0.95~1.47
本题解析:试题答案0.95~1.47
51、问答题 消弧线圈在系统运行中,一般采用哪种补偿方式?为什么?
点击查看答案
本题答案:1、消弧线圈在系统中,一般采用过补偿允许方式。
本题解析:试题答案1、消弧线圈在系统中,一般采用过补偿允许方式。
2、因为单相接地时,过补偿可以使故障点流过感性电流;
3、在线路开断或因故障跳闸时不会引起串联谐振。
52、填空题 电容器组为双星形接线时常采用中性点间不平衡()或中性点间不平衡()。
点击查看答案
本题答案:电流保护;电压保护
本题解析:试题答案电流保护;电压保护
53、填空题 成套配电装置又称成套配电柜,是以()为主将其他各种电器元件按一定接线要求组成一体构成的成套电气设备,俗称()。
点击查看答案
本题答案:开关;开关柜
本题解析:试题答案开关;开关柜
54、多项选择题 用一准确度为1.0级,量程为250V电压表进行电压测量,其测出的最大绝对误差有可能是()。
A、2.5V
B、0.25V
C、-2.5
D、-0.25
点击查看答案
本题答案:A, C
本题解析:暂无解析
55、多项选择题 变压器只是轻瓦斯保护动作的原因,一般有()。
A 、过负荷
B、相间短路
C、绕组匝间短路
D、油位下降
点击查看答案
本题答案:C, D
本题解析:暂无解析
56、填空题 变压器呼吸器内硅胶一般采用变色硅胶,在干燥情况下硅胶呈(),当吸潮达到饱和状态时,渐渐变为()。这时应将硅胶取出在120~160?C高温下烘干变成蓝色便可使用。
点击查看答案
本题答案:浅蓝色;淡红色
本题解析:试题答案浅蓝色;淡红色
57、填空题 我国电力系统目前所采用的中性点接地方式主要有()、经消弧圈接地和()三种。
点击查看答案
本题答案:不接地;直接接地
本题解析:试题答案不接地;直接接地
58、问答题 作图题:画出正常运行时中性点不接地的电力系统中对地电容电流分布图。
点击查看答案
本题答案:
试题答案
59、多项选择题 在中性点不接地系统,当发生间隙接地故障时,会出现()现象。
A、接地相的相电压恒为零
B、接地相的相电压时减时增
C、非故障相的相电压时大时小或有时正常
D、非故障相的相电压恒为线电压
点击查看答案
本题答案:B, C
本题解析:暂无解析
60、填空题 变压器并列运行的特点有:提高供电();提高经济();减少一次性投资。
点击查看答案
本题答案:可靠性;运行性
本题解析:试题答案可靠性;运行性
61、填空题 UPS由整流器、逆变器、隔离变压器、()开关、手动旁路开关等设备组成。
点击查看答案
本题答案:静态
本题解析:试题答案静态
62、填空题 为了保证装置的动作可靠,所以在引向保护装置的电压互感器电源都()保险器。
点击查看答案
本题答案:不可以安装
本题解析:试题答案不可以安装
63、填空题 高压断路器的额定电压指断路器所工作的某一系统的额定电压,在三相系统中指的是(),在单相系统中则为()。
点击查看答案
本题答案:线电压;相电压
本题解析:试题答案线电压;相电压
64、多项选择题 变压器投入运行前,施工单位需向运行单位移交下列技术文件和图纸()。
A、制造厂提供的说明书、图纸及出厂试验报告;
B、本体、冷却装置及各附件(套管、互感器、分接开关、气体继电器、压力释放阀及仪表等)在安装时的交接试验报告、器身吊检时的检查及处理记录等;
C、安装全过程(按GBJ148和制造厂的有关规定)记录及油质化验及色谱分析记录;
D、变压器冷却系统,有载调压装置的控制、保护回路的安装竣工图及备品配件清单。
点击查看答案
本题答案:A, B, C, D
本题解析:暂无解析
65、问答题 作图题:画出电流互感器和继电器的星形接法。
点击查看答案
本题答案:
试题答案
66、多项选择题 测量较小阻值的电阻(如0.1Ω以下),可以使用()测量。
A、单臂电桥
B、双臂电桥
C、数字式毫欧表
D、兆欧表
点击查看答案
本题答案:B, C
本题解析:暂无解析
67、填空题 在同一时刻,各用电设备所需要或消耗电功率的总合成为(),单位KW。
点击查看答案
本题答案:用电负荷
本题解析:试题答案用电负荷
68、问答题 防止误操作闭锁装置的五防内容是什么?
点击查看答案
本题答案:其“五防”的内容是:
本题解析:试题答案其“五防”的内容是:
(1)防止误拉误合断路器;
(2)防止带负荷误拉,误合隔离开关;
(3)防止带电合接地隔离开关;
(4)防止带接地线合闸;
(5)防止误入带电间隔。
69、多项选择题 下列情况可以不填用操作票()。
A、事故处理
B、拉开、合上断路器、二次空气开关、二次回路开关的单一操作
C、投上或取下熔断器的单一操作
D、投、切保护(或自动装置)的一块连接片或一个转换开关
点击查看答案
本题答案:A, B, C, D
本题解析:暂无解析
70、多项选择题 断路器操作时,操作人员要检查()是否正确。
A、机械指示器的位置
B、位置灯光显示
C、有功电度表
D、无功电度表
点击查看答案
本题答案:A, B
本题解析:暂无解析
71、多项选择题 在中性点不接地的电力系统中,当发生一点接地后其三相线电压()。
A、均升高
B、均不变
C、一个不变两个升高
D、保持对称
点击查看答案
本题答案:B, D
本题解析:暂无解析
72、多项选择题 测量电力电缆吸收比时,应注意()。
A、将电缆移至平坦的地方
B、将电缆终端头擦拭干净
C、将电缆进行屏蔽
D、将电缆拉直
点击查看答案
本题答案:B, C
本题解析:暂无解析
73、问答题 运行中的电动机三相电流不平衡是什么原因?
点击查看答案
本题答案:三相电流不平衡的原因可能是:
1、电源线三相
本题解析:试题答案三相电流不平衡的原因可能是:
1、电源线三相电压不平衡;
2、一相短路;
3、匝间短路;
4、启动设备的触点接触不良造成绕阻端三相电压不平衡;
5、三相绕组中有一相首尾接反或有接线错误。
74、多项选择题 在GIS中,断路器室SF6气体压力下降,将导致()。
A、合闸速度减慢
B、触头直阻增大
C、SF6气体绝缘降低
D、灭弧能力下降
点击查看答案
本题答案:C, D
本题解析:暂无解析
75、填空题 将电压互感器停电时,应先断开有关保护()后断开电压互感器。
点击查看答案
本题答案:自动装置
本题解析:试题答案自动装置
76、判断题 两个平行放置的载流导体,当通过的电流为同方向时,两导体将互相吸引。()
点击查看答案
本题答案:对
本题解析:暂无解析
77、填空题 变压的外部故障是指变压器(),(),发生的故障。
点击查看答案
本题答案:负载短路;或接地
本题解析:试题答案负载短路;或接地
78、填空题 北海炼油异地改造项目110kVGIS采用的是()公司的产品。
点击查看答案
本题答案:ABB
本题解析:试题答案ABB
79、问答题 写出中石化系统“三查四定”的内容?
点击查看答案
本题答案:三查四定:查设计漏项、查工程质量及隐患、查未完工程量,
本题解析:试题答案三查四定:查设计漏项、查工程质量及隐患、查未完工程量,对检查出来的问题四定:定任务、定人员、定时间、定措施限期完成。
80、问答题 写出“禁止合闸,有人工作”、“止步,高压危险”标示牌的底色及字样颜色,悬挂位置。
点击查看答案
本题答案:“禁止合闸,有人工作”:白底红
本题解析:试题答案“禁止合闸,有人工作”:白底红字。
悬挂位置:一经合闸即可送电到设备的断路器、隔离开关操作把手上。
“止步,高压危险!”:白底红边黑字红箭头。
悬挂位置:施工地点临近带电设备的遮栏上;室外工作的围栏上;禁止通行的过道上;工作地点临近带电设备的横梁上。
81、多项选择题 对手车式高压开关柜安装时,以下()是合格的。
A、配电柜“五防”功能齐全,动作可靠;
B、手车推拉灵活,同型号互换性好;
C、一次动静触头接触间隙符合产品技术要求;
D、手车和柜体接地完好,手车推入时主触头接触后接地触头才接触。
点击查看答案
本题答案:A, B, C
本题解析:暂无解析
82、多项选择题 摇测二次线整体绝缘前,应先()。
A、断开本路交直流电源
B、断开与其它回路连线
C、短接继电器线圈
D、短接二极管及三极管
点击查看答案
本题答案:A, B, D
本题解析:暂无解析
83、填空题 通常油枕的容积为变压器油箱容积的(),在油枕一侧装油位指示器,用来监视油位变化。
点击查看答案
本题答案:1/10
本题解析:试题答案1/10
84、填空题 三相变压器的额定容量计算公式为()。
点击查看答案
本题答案:3SN=()KVAUIN2N2
本题解析:试题答案3SN=()KVAUIN2N2
85、填空题 在电容器运行中,电容器上最大电压不超过()额定电压是安全的,当超过()额定电压时保护应动作。
点击查看答案
本题答案:1.1倍;1.1倍
本题解析:试题答案1.1倍;1.1倍
86、问答题 新安装的发电机或发电机大修以后应做哪些试验?
点击查看答案
本题答案:(1)自动开机和自动停机试验;
(2)发电机
本题解析:试题答案(1)自动开机和自动停机试验;
(2)发电机短路试验;
(3)发电机升压试验;
(4)发电机空载下励磁调节器试验5发电机带负荷试验6发电机甩负荷试。
87、多项选择题 高压验电器的结构分为()和两部分。
A.指示器
B.电容器
C.绝缘器
D.支持器
点击查看答案
本题答案:A, D
本题解析:暂无解析
88、填空题 操作票应用钢笔或圆珠笔填写,票面应清楚整洁,不得()。
点击查看答案
本题答案:任意涂改
本题解析:试题答案任意涂改
89、填空题 北海项目110KV总变电站计划受电时间为()。
点击查看答案
本题答案:2011.01.30
本题解析:试题答案2011.01.30
90、多项选择题 双机冗余并联UPS的供电系统中(两台UPS完全相同),理论上要使两台UPS之间不出现“环流”,必须具备()条件。
A、两台UPS的逆变器输出电源同相位
B、两台UPS的逆变器输出电源同幅度
C、两台UPS的逆变器输出电源同频率
D、只要是三相正弦交流电即可
点击查看答案
本题答案:A, B, C
本题解析:暂无解析
91、填空题 在中性点装设消弧圈接地系统中,当消弧圈的()等于接地()时,称之为全补偿。
点击查看答案
本题答案:电感电流;电容电流
本题解析:试题答案电感电流;电容电流
92、问答题 简答GIS中快速接地开关FES的安装位置及作用?
点击查看答案
本题答案:安装在变电站进线线路上,具有闭合短路电流的能力,当母线
本题解析:试题答案安装在变电站进线线路上,具有闭合短路电流的能力,当母线筒里的导体对外壳短路时,要迅速将此短路引起的电弧熄灭掉,否则将引起GIS外壳爆炸,为此可用快速接地开关迅速接地,使断路器保护装置迅速动作,切断故障电流,使电弧熄灭。
93、判断题 二极管的正向导通反向截止特性被称为单向导电性。()
点击查看答案
本题答案:对
本题解析:暂无解析
94、填空题 变压器的内部故障是指变压器内部发生的故障.包括()、分接开关故障、()等。
点击查看答案
本题答案:绕组故障;铁芯故障
本题解析:试题答案绕组故障;铁芯故障
95、填空题 电缆型号及规格为YJLV22--3³120--10--300,其中3³120表示(),10表示电压为10KV,300表示()。
点击查看答案
本题答案:3芯120mm²;电缆长300米
本题解析:试题答案3芯120mm²;电缆长300米
96、填空题 如果变压器油色变暗,说明油质()。
点击查看答案
本题答案:变酸
本题解析:试题答案变酸
97、问答题
母线是变电所最重要的一次设备之一,起汇聚和分配电能作用。母线一旦发生故障将会造成变电所(站)部分或全部停电。根据你掌握的电气知识回答下列问题。
(1)母线通过额定电流时,其本身温度不应超过70℃。你在巡检过程中发现母线局部过热,作为运行电工试分析原因并做处理?
(2)你在巡检过程中发现母线大面积过热,作为运行电工试分析原因并做处理?
(3)母线绝缘子破损,会造成什么后果?
点击查看答案
本题答案:(1)原因:母线与隔离开关接触不良或母线接头处氧化或固
本题解析:试题答案(1)原因:母线与隔离开关接触不良或母线接头处氧化或固定螺栓松动造成接触电阻增大引起局部过热。
处理方法:向调度及主管领导汇报;加强监视并尽快处理。若发热严重甚至局部发红,应立即停电,做好安全措施,进行处理。处理后再恢复运行。
(2)母线大面积过热通常是由过负荷引起的,应立即向调度汇报,申请倒母线或调负荷。
(3)母线接地或相间短路,严重的可能由于绝缘子击穿放电将母线烧毁。
98、多项选择题 下列()是一般防护安全用具。
A.验电器
B.标识牌
C.绝缘手套
D.临时遮栏
点击查看答案
本题答案:B, D
本题解析:暂无解析
99、多项选择题 选 用电工测量仪表时,一般要充分考虑以下()技术指标。
A、仪表类型
B、准确度
C、量程及内阻
D、工作条件及绝缘强度
点击查看答案
本题答案:A, B, C, D
本题解析:暂无解析
100、问答题 发电机失去励磁对电力系统有何影响?
点击查看答案
本题答案:一台发电机失磁后,不但不能向系统输送无功,反而从电网吸
本题解析:试题答案一台发电机失磁后,不但不能向系统输送无功,反而从电网吸取无功,造成电网无功功率的差额。这一差额将引起整个电网电压水平的下降,尤其是失磁发电机附近的各级电压下降较为严重。电压降低的程度,与电网的运行方式,以及失磁机组的容量大小有关。
电网电压下降带来的结果:
(1)影响厂用电的安全运行。由于电压降低,电动机定子电流将超过允许值。如果电压降低太多,还可能引起低电压保护动作或使电动机停止转动。
(2)可能引起其它发电机过电流,甚至可能引起这些发电机因过流而跳闸。
(3)电压下降降低了其它机组的送 电功率极限,易导致电网失去稳定,还有可能因电压崩溃而造成电网瓦解。
题库试看结束后
微信扫下方二维码即可打包下载完整版《
★电气专工试题》题库
手机用户可保存上方二维码到手机中,在微信扫一扫中右上角选择“从相册选取二维码”即可。
题库试看结束后
微信扫下方二维码即可打包下载完整版《
电气专工试题:电气专工试题》题库,
分栏、分答案解析排版、小字体方便打印背记!经广大会员朋友实战检验,此方法考试通过率大大提高!绝对是您考试过关的不二利器!
手机用户可
保存上方二维码到手机中,在
微信扫一扫中右上角选择“从
相册选取二维码”即可。