手机用户可
保存上方二维码到手机中,在
微信扫一扫中右上角选择“从
相册选取二维码”即可。
1、填空题 燃料油从进入炉膛到烧完,大致经历()、()、()。
点击查看答案
本题答案:着火前的准备、燃烧、燃尽
本题解析:试题答案着火前的准备、燃烧、燃尽
2、问答题 在运行中发现燃烧不正常时,应以哪几方面检查并进行调整和处理?
点击查看答案
本题答案:1、油压和油温是否正常,油质有无变化。2、油头有无脱落
本题解析:试题答案1、油压和油温是否正常,油质有无变化。2、油头有无脱落,漏油,结焦,雾化法有无磨损、堵塞等。3、雾化是否良好。4、调风器有无烧损现象。5、油枪和调风器的位置是否合适。
3、填空题 温度升至()℃以上时,焦碳开始剧烈燃烧。
点击查看答案
本题答案:700
本题解析:试题答案700
4、单项选择题 热水锅炉产生汽化的原因不包括()。
A.突然停电、停泵,锅内水停止循环后被炉膛大量余热继续加热
B.水管内严重积垢,或存有杂物,使水循环遭到破坏
C.锅炉结构和燃烧工况良好
D.分水缸或系统内阀门未开
点击查看答案
本题答案:C
本题解析:暂无解析
5、单项选择题 热水锅炉质的调节是在()的情况下,改变向网络供热的温度,即改变锅炉的出口温度。
A.压力变化
B.压力不变
C.温度不变
D.流量不变
点击查看答案
本题答案:D
本题解析:暂无解析
6、问答题 厂用电中断时的处理方法有哪些?
点击查看答案
本题答案:1、应即拉开各电动机操作开关,如联琐装置在投入位置,可
本题解析:试题答案1、应即拉开各电动机操作开关,如联琐装置在投入位置,可首先拉开引风机操作开关。2、关闭所有油门,扫能油枪;若锅炉烧瓦斯,烃,则应先关瓦斯,烃总门;若短期内不能恢复,应进行油母管扫线。3、检查处理各转动机械,做好启动前的准备工作。4、关闭采样门和连续排污门。5、所有自动调节改手动,解列减温器。6、先关小减温减压器入口汽门,关闭中压汽管线出口总门,以保证锅炉汽压不致降低过快;联小低压母管出口总门,保证扫线用汽。7、电源恢复后,可启动水泵向锅炉缓慢上水到点火水位,然后按正常点火处理。
7、填空题 现代电站锅炉采用的回转式空气预热器分为()和风罩回转两种类型。
点击查看答案
本题答案:受热面回转
本题解析:试题答案受热面回转
8、问答题 软化水与除盐水的区别?
点击查看答案
本题答案:软化水只是将水中的硬度降低到一定程度,水在软化过程中,
本题解析:试题答案软化水只是将水中的硬度降低到一定程度,水在软化过程中,仅硬度降低而总含盐量不变。除盐水不但降低了硬度而且还将水中的盐类降低。
9、填空题 当锅炉负荷变化时汽温特性曲线变化比较平稳的受热面是()式。
点击查看答案
本题答案:半辐射
本题解析:试题答案半辐射
10、问答题 说明内旋风分离器的原理?
点击查看答案
本题答案:内置旋风分离器由2-3毫米厚的钢板制成圆筒形,汽水混合
本题解析:试题答案内置旋风分离器由2-3毫米厚的钢板制成圆筒形,汽水混合物从进口蜗壳沿切张方向进入依靠离心力的作用将水滴抛向筒壁内侧流回到汽泡的水容积中,而蒸汽则在筒的中心部位旋转向上进入汽包汽空间,为了将旋风子内分离出的蒸汽平稳地引入汽包的汽空间,在旋风子顶部装有波形(百叶窗)分离箱,为了使分离出来的水流平稳的进入汽包水空间,并防止蒸汽从筒底穿出,常将筒底封死,而在边上的环形缝中装有异叶.
11、问答题 锅炉炉墙常用的绝热材料有哪些?
点击查看答案
本题答案:常用的绝热材料有:硅藻土砖,水泥珍珠岩,超细玻璃棉或玻
本题解析:试题答案常用的绝热材料有:硅藻土砖,水泥珍珠岩,超细玻璃棉或玻璃棉毡,保温混凝土等.
12、单项选择题 既用于氨制冷系统,也可用于氟里昂系统的蒸发器是()。
A.冷却排管
B.干式壳管式蒸发器
C.卧式壳管式蒸发器
D.水箱式蒸发器
点击查看答案
本题答案:C
本题解析:暂无解析
13、填空题 给水品质控制指标,含油量(),含铜()。
点击查看答案
本题答案:<1.0mg/l;<10mg/l
本题解析:试题答案<1.0mg/l;<10mg/l
14、单项选择题 腐植酸钠用量根据锅炉给水的总用度确定,每1mol/L硬度,加药剂为每吨水()克。
A.1至2
B.3至5
C.5至10
D.10至15
点击查看答案
本题答案:B
本题解析:暂无解析
15、填空题 燃料在燃烧设备中的燃烧方式有()三种。
点击查看答案
本题答案:层状燃烧、悬浮燃烧和沸腾燃烧
本题解析:试题答案层状燃烧、悬浮燃烧和沸腾燃烧
16、填空题 当锅内金属表面附着有水垢或水渣时,压具下面会发生严重的腐蚀,称为()腐蚀。
点击查看答案
本题答案:沉积物下
本题解析:试题答案沉积物下
17、单项选择题 对锅内水处理的机理描述不正确的是()。
A.采用不同的软水处理剂使形成水垢的各类盐类转化成非粘结性的泥渣
B.不用控制锅水中的离子平衡
C.破坏和防止锅水中沉淀析出的固形物与锅炉金属表面之间的静电吸附作用
D.在锅水中补充形成泥渣的结晶中心
点击查看答案
本题答案:B
本题解析:暂无解析
18、单项选择题 大型高中压锅炉水的循环倍率比小容量锅炉()。
A、大
B、小
C、相近
D、大小不一定
点击查看答案
本题答案:B
本题解析:暂无解析
19、填空题 温度测量仪表按测量方法分一般分为()和()两大类。
点击查看答案
本题答案:接触式,非接触式
本题解析:试题答案接触式,非接触式
20、填空题 燃油锅炉的燃烧设备包括()和()两大部分。
点击查看答案
本题答案:油燃油器,炉膛
本题解析:试题答案油燃油器,炉膛
21、单项选择题 压力表表面模糊不清的原因是表面()。
A.直径过小
B.脏物遮盖
C.量程小
D.距离选
点击查看答案
本题答案:B
本题解析:暂无解析
22、填空题 无阀滤池的自动反冲洗是根据()的原理形成的。
点击查看答案
本题答案:虹吸
本题解析:试题答案虹吸
23、单项选择题 严重缺水事故发生时,应该按照()的方法进行操作。
A.迅速冷却停炉操作
B.快速停炉操作
C.请示停炉操作
D.快速加大给锅炉上水
点击查看答案
本题答案:C
本题解析:暂无解析
24、问答题 锅炉缺水的处理
点击查看答案
本题答案:1、发现水位低报警时,对照汽、水流量,校对水位指示是否
本题解析:试题答案1、发现水位低报警时,对照汽、水流量,校对水位指示是否正确,检查自动调节功能有否异常。
2、确证水位较低时,将给水自动切为手动,增加给水流量。若给水调节阀在较小位置卡时,应投入给水旁路,同时到就地开大调节阀。检查并关闭放水门、排污门。
3、若由于给水泵跳闸或其再循环门突开引起的,应尽快恢复。
4、经上述处理无效,水位继续下降,降低机组负荷。
5、当水位下降至-330mm时,锅炉MFT动作,若MFT拒动,应手动MFT,按紧急停炉有关规定处理。
6、停炉后,确定汽包内有水、可缓慢进水,同时应注意汽包上、下壁温差小于56℃,故障消除后方可重新点火。若停炉时任何水位计都显示不出,严禁向锅炉进水,汇报有关领导,具体进水时间由总工程师决定。
25、填空题 常用的水封安全装置有()两种。
点击查看答案
本题答案:无套管式和套管式
本题解析:试题答案无套管式和套管式
26、填空题 对流过热器的汽温特性是负荷增加进蒸汽温度()。
点击查看答案
本题答案:升高
本题解析:试题答案升高
27、问答题 锅炉通风方式有哪几种?
点击查看答案
本题答案:锅炉有自然通风和强制通风两种方式。
本题解析:试题答案锅炉有自然通风和强制通风两种方式。
28、单项选择题 旋风式除尘器适用于层燃烧,或者作为煤粉双级除尘的第一级,其圆筒直径不宜超过()米。
A.1
B.1.5
C.2
D.2.5
点击查看答案
本题答案:A
本题解析:暂无解析
29、单项选择题 当多台锅炉同时使用一根排污总管时,禁止()。
A.同时排污
B.排污
C.装阀门
D.间接排污
点击查看答案
本题答案:A
本题解析:暂无解析
30、填空题 空预期停运后严密监视(),防止内部()。
点击查看答案
本题答案:出口温度;着火
本题解析:试题答案出口温度;着火
31、填空题 防止和减轻低温腐蚀的途径有两条:一是(),二是()
点击查看答案
本题答案:尽量设法减少钿气中的SO3,以降低烟气的露点和减少硫酸的凝结
本题解析:试题答案尽量设法减少钿气中的SO3,以降低烟气的露点和减少硫酸的凝结量,使腐蚀减轻;提高空气预热器冷端的壁温,使之在高于烟气露点下运行
32、单项选择题 并汽后的汽水系统检查不包括()。
A.检查并汽效果
B.检查“水击”
C.检查水位
D.检查鼓风机
点击查看答案
本题答案:D
本题解析:暂无解析
33、填空题 司泵的“三件宝”是()、()、()。
点击查看答案
本题答案:扳手,听诊器,抹布
本题解析:试题答案扳手,听诊器,抹布
34、单项选择题 光学高温计可测()℃以上有光温度。
A、500
B、600
C、700
D、800
点击查看答案
本题答案:D
本题解析:暂无解析
35、单项选择题 阳床出水为酸性水,一定能判断()
A、阳床失效
B、阴床失效
C、阴、阳床失效
点击查看答案
本题答案:B
本题解析:暂无解析
36、填空题 锅炉的汽水损失,除了由于检修质量不高造成的跑、冒、滴、漏之外,主要是锅炉运行中()造成的。
点击查看答案
本题答案:排污和疏水
本题解析:试题答案排污和疏水
37、填空题 自然循环水动力计算方法有()和压差法两种。
点击查看答案
本题答案:有效压头法
本题解析:试题答案有效压头法
38、填空题 用眼睛观察比较溶液颜色深浅来确定物质含量的分析方法称为()。
点击查看答案
本题答案:目视比色法
本题解析:试题答案目视比色法
39、单项选择题 限制锅炉水中的含盐量和含硅量是为了保证()品质。
A、蒸汽
B、炉水
点击查看答案
本题答案:A
本题解析:暂无解析
40、填空题 未经处理过的水称为()。
点击查看答案
本题答案:原水或生水
本题解析:试题答案原水或生水
41、填空题 一般安全用具有()、()、()防毒工具等。
点击查看答案
本题答案:安全带、安全帽、安全灯具
本题解析:试题答案安全带、安全帽、安全灯具
42、单项选择题 燃油、燃气炉炉墙爆炸是由于()造成的。
A.燃料与风量调配不当
B.鼓风与引风调配不当
C.燃料与引风调配不当
D.燃料与鼓风调配不当
点击查看答案
本题答案:A
本题解析:暂无解析
43、问答题 简述排污阀的操作方法及注意事项。
点击查看答案
本题答案:排污阀的操作方法:排污时先开启慢开阀,再开快开阀进行排
本题解析:试题答案排污阀的操作方法:排污时先开启慢开阀,再开快开阀进行排污。排污结束后,先关闭快开阀,再关闭慢开阀。这种操作方法可使慢开阀受到保护,当快开阀损坏时可以不停炉进行更换或修理。
操作注意事项:(1)操作排污阀的人员,若不能直接观察到水位表的水位时,应与水位表的监视人员共同协作进行排污;(2)排污时不能进行其他操作,若必须进行其他操作时,应先停止排污,关闭排污阀;(3)排污操作结束,排污阀关闭后,要检查排污管道出口,确认没有泄漏;(4)排污管若完全固定死,则会在与锅炉连接部位产生应力。因此排污管路要有伸缩性。
44、单项选择题 完全好的管道支架系统,管子与支架应在()承重面上。
A.单独
B.两个
C.同一个
D.不同
点击查看答案
本题答案:C
本题解析:暂无解析
45、填空题 锅炉中风机的选择主要取决于额定负荷下()总压降和流量。
点击查看答案
本题答案:烟风道
本题解析:试题答案烟风道
46、单项选择题 锅炉排污管底色应涂为()。
A.黑色
B.红色
C.绿色
D.黄色
点击查看答案
本题答案:A
本题解析:暂无解析
47、填空题 主要辅机检修后,必须经过试运行。引风机、送风机、一次风机、空预器的连续试运行时间不得小于(),其它辅机试运行时间应不小于(),以验证其工作的可靠性。
点击查看答案
本题答案:四小时;二小时
本题解析:试题答案四小时;二小时
48、填空题 水质不良会对热力设备产生三种危害是()、()、()。
点击查看答案
本题答案:结垢,腐蚀,积盐
本题解析:试题答案结垢,腐蚀,积盐
49、填空题 水泵启动后,泵密封处漏水应成(),不能成()。
点击查看答案
本题答案:滴状,线状
本题解析:试题答案滴状,线状
50、单项选择题 锅炉定期巡回检查时,首先应检查()。通风后方可重新点火。
A.风量、风压、炉膛负压的额定值
B.锅炉给水、给煤、蒸发量的额定值
C.水位、压力、温度、出力的额定值
D.电流、电压、温度、出力的额定值
点击查看答案
本题答案:C
本题解析:暂无解析
51、填空题 每台蒸汽锅炉至少应装有()个彼此独立的水位表。
点击查看答案
本题答案:2
本题解析:试题答案2
52、单项选择题 检查锅炉内外部的腐蚀、磨损,主要采用()。
A.射线照相
B.焊缝检验尺
C.超声波测厚仪
D.超声波探伤仪
点击查看答案
本题答案:C
本题解析:暂无解析
53、问答题 锅炉运行中为什么要定期运行记录?
点击查看答案
本题答案:其目的是:检查分析运行情况,合理改进操作,和判断事故隐
本题解析:试题答案其目的是:检查分析运行情况,合理改进操作,和判断事故隐患,以便及时消除或作到心中有数,运行记录可作为综合负荷变化规律和班组经济核算的依据,也是制订锅炉检修计划的依据之一发生事故时,运行记录可作为分析事故的参考.
54、问答题 停炉后锅炉应完成哪些操作?
点击查看答案
本题答案:1.停运磨煤机、密封风机及一次风机,逐渐停运油枪,停运
本题解析:试题答案1.停运磨煤机、密封风机及一次风机,逐渐停运油枪,停运最后一支油枪时,MFT保护动作。检查确认所有油枪自动吹扫后全部退出,关闭各组油枪手动进油阀,隔离燃油系统。将汽包上至最高可见水位。
2.锅炉熄火后,维持正常的炉膛负压及30%以上额定风量,对炉膛连续吹扫5min以上后停运所有送、引风机,关闭锅炉所有风门、挡板、孔门,锅炉闷炉进行自然冷却。
55、单项选择题 氧化锆分析仪的变送器测量范围统一为()%氧气。
A.0至10
B.0至20.6
C.0至60
D.0至70
点击查看答案
本题答案:B
本题解析:暂无解析
56、填空题 无阀滤池主体自上而下分成三个部分,即()、()、()。
点击查看答案
本题答案:冲洗水箱,过滤室,集水室
本题解析:试题答案冲洗水箱,过滤室,集水室
57、问答题 为什么主安全阀装在过热器出口联箱上较好?
点击查看答案
本题答案:主安全阀一般都装在过热器出口联箱上当两个主安全阀中任何
本题解析:试题答案主安全阀一般都装在过热器出口联箱上当两个主安全阀中任何一个动作时,蒸汽从过热器排入大气,使过热器得到冷却,否则,过热器得不到足够的冷却有过热烧坏的危险。
58、名词解释 炉膛截面热负荷
点击查看答案
本题答案:每小时送入炉膛单位截面积的平均热量。
本题解析:试题答案每小时送入炉膛单位截面积的平均热量。
59、单项选择题 安全阀阀杆与外壳之间间隙过小,阀杆受热膨胀后被卡住,会造成安全阀()。
A.长期漏汽
B.超过额定压力值不起跳
C.不到额定压力值提前起跳
D.起跳后不回座
点击查看答案
本题答案:B
本题解析:暂无解析
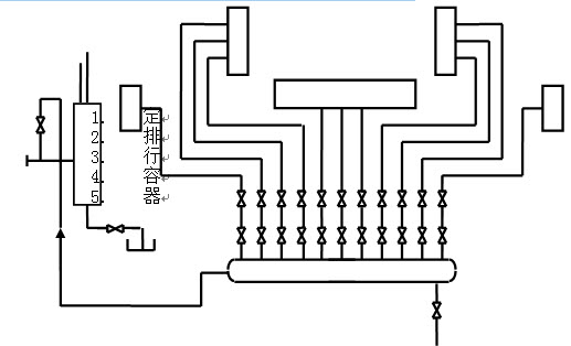
60、问答题 画出1#锅炉排污系统图。
点击查看答案
本题答案:
试题答案
61、填空题 低温腐蚀速度与管壁上凝结的()、凝结的硫酸量及管壁温度有关。
点击查看答案
本题答案:硫酸浓度
本题解析:试题答案硫酸浓度
62、填空题 一台LSG0.7—0.4—AⅡ型锅炉,使用燃料为()。
点击查看答案
本题答案:二类烟煤
本题解析:试题答案二类烟煤
63、单项选择题 运行锅炉只使用吸风机来抽烟气的通风方式称为()。
A、负压式通风
B、平衡通风
C、正压式通风
D、自然通风
点击查看答案
本题答案:A
本题解析:暂无解析
64、填空题 锅炉管子穿孔泄露时应()。
点击查看答案
本题答案:更换穿孔处管段
本题解析:试题答案更换穿孔处管段
65、单项选择题 三通旋塞堵塞后,—般采用()的方法处理。
A.更换
B.修理
C.冲洗压力表
D.冲洗水位表
点击查看答案
本题答 案:C
本题解析:暂无解析
66、问答题 负荷骤增如何操作处理?
点击查看答案
本题答案:1、所有自动调节履为手动,增加引风量和燃料量,根据汽压
本题解析:试题答案1、所有自动调节履为手动,增加引风量和燃料量,根据汽压情况下投入备用油枪。2、根据汽包水位,蒸汽流量及给水流量的,指示手动调整给水量,保持正常水位。3、根据汽压汽温情况,及时调整燃料和减温水量。4、当负荷骤增,蒸汽流量超过锅炉额定蒸发量时,应迅速通知汽机或减温减压器作相应的调整。锅炉不得超负荷运行。
67、问答题 请写出苯乙烯磺酸型阳离子交换剂与水中钙、镁离子的离子交换反应?
点击查看答案
本题答案:R(SO3H)2+Ca2+→R(SO3)2C
本题解析:试题答案R(SO3H)2+Ca2+→R(SO3)2Ca+2H+
R(SO3H)2+Mg2+→R(SO3)2Mg+2H+
68、单项选择题 自然循环回路中,汽水混合物的重度比水的重度()。
A.大
B.小
C.相同
点击查看答案
本题答案:B
本题解析:暂无解析
69、填空题 离子交换树脂的()是水处理工艺中的实用数据。
点击查看答案
本题答案:密度
本题解析:试题答案密度
70、填空题 发现风机振动大时应(),适当().如果振动太大超过最高允许值威胁到设备和人身安全,应().
点击查看答案
本题答案:加强运行监视;减小风机的负荷;立即停止风机运行
本题解析:试题答案加强运行监视;减小风机的负荷;立即停止风机运行
71、问答题 脉冲阀与主安全阀之间疏水阀的作用。
点击查看答案
本题答案:作用一:将疏水阀稍许开启,脉冲阀泄漏时,蒸汽或凝结水被
本题解析:试题答案作用一:将疏水阀稍许开启,脉冲阀泄漏时,蒸汽或凝结水被排掉,主安全阀活塞上方形成不了压力,避免主安全阀误动作。作用二:可以调节安全阀的回座压力。疏水阀开大,回座压力高;疏水阀关小,回座压力降低。
72、问答题 当锅炉送风机故障跳闸时,同炉岗位如何处理?
点击查看答案
本题答案:若风机在故障跳闸前,无电流过大或机械部分缺陷时,跳闸后
本题解析:试题答案若风机在故障跳闸前,无电流过大或机械部分缺陷时,跳闸后,可立即合闸一次,如合闸成功则继续进行。如风机跳闸致使锅炉灭火时,则应先按锅炉灭火的故障处理。
73、填空题 衡量煤粉品质的指标有()、煤粉均匀性和煤粉水分。运行中,煤粉水分是通过磨煤机出口的气粉混合物的温度来反映。
点击查看答案
本题答案:煤粉细度
本题解析:试题答案煤粉细度
74、名词解释 包覆管过热器
点击查看答案
本题答案:布置在水平烟道和垂直烟道内壁上的过热器。
本题解析:试题答案布置在水平烟道和垂直烟道内壁上的过热器。
75、问答题 炉水碱度不合格的处理?
点击查看答案
本题答案:1、调节给水PH。2、调整加药装置。3、调节排污。4、
本题解析:试题答案1、调节给水PH。2、调整加药装置。3、调节排污。4、通知炉外水处理控制好阴、阳床运行。
76、填空题 低温过热器允许管壁温度(),分隔屏过热器允许管壁温度(),后屏过热器允许管壁温度(),末级过热器允许管壁温度();辐射再热器允许管壁温度(),屏式再热器允许管壁温度()末级再热器允许管壁温度()。
点击查看答案
本题答案:485℃;486℃;575℃;580℃;580℃;612℃;
本题解析:试题答案485℃;486℃;575℃;580℃;580℃;612℃;606℃
77、问答题 过热器管漏泄如何处理?
点击查看答案
本题答案:1、过热器管损坏严重时,必须及时停炉,防止从损坏的过热
本题解析:试题答案1、过热器管损坏严重时,必须及时停炉,防止从损坏的过热器管中喷出漏汽,吹损邻近的过热器管而使事故扩大。2、加过热器轻微漏泄,可适当降低锅炉蒸发量,在短时间内继续运行。此时,应经常检查监督漏泄情况,并快速启支备用锅炉,若故障情况加剧时,则须及早停炉。3、停炉后关闭主汽门,保留引风机继续运行,以排除炉内的烟气和蒸汽。
78、问答题 什么叫过热器的热偏差?有什么危害?
点击查看答案
本题答案:造成一些管子的蒸汽温度超过整个管列的平均温度,这种现象
本题解析:试题答案造成一些管子的蒸汽温度超过整个管列的平均温度,这种现象称为热偏差,这些管子叫偏差管.当某根管子的热负荷较高而流过的蒸汽量又较少时蒸汽焓增较大,偏差管出口外的蒸汽温度也就比其他管子出口蒸汽温度高,可能使管壁过热而发生爆管事故.
79、问答题 如何判断送风量的大小?
点击查看答案
本题答案:其送风量的大小应根据烟气的氧化碳表或氧量表的指示值以及
本题解析:试题答案其送风量的大小应根据烟气的氧化碳表或氧量表的指示值以及火焰颜色,烟囱烟色来判断.锅炉烧煤粉或重油时,若冒白烟,火焰炽白刺眼,烟气中CO2含量低(或O2含量高),则表示风量偏大,若火焰暗红,火焰尖端卷有"烟舌",CO2含量高(或O2含量低),有CO存在,烟囱冒黑烟,则表示风量不足,锅炉烧气体燃料时,火焰发红为风小,发蓝为风大,其它现象同烧煤粉或油.
80、单项选择题 燃油锅炉点火时,应保证炉膛负压在()Pa。
A.10至20
B.20至30
C.30至40
D.50至100
点击查看答案
本题答案:D
本题解析:暂无解析
81、单项选择题 压力表指针不动的原因不包括()。
A.仪表管上的阀门未打开
B.仪表管内有赃物堵塞
C.弹簧管与支座的焊口有裂纹
D.表内机械转动部分不灵活
点击查看答案
本题答案:D
本题解析:暂无解析
82、填空题 空预器检查润滑油系统各阀门位置正确,冷却水投入且畅通,冷却水量合适,冷却水流量为(),冷却水温正常。
点击查看答案
本题答案:0.8m3/h
本题解析:试题答案0.8m3/h
83、单项选择题 锅炉炉墙损坏引起漏风时,可()。
A.暂时甩钢板堵住漏风处
B.用其他临时方法堵住漏风处
C.暂停锅炉运行,修复炉墙
D.待正常停炉后,修复炉墙寸
点击查看答案
本题答案:C
本题解析:暂无解析
84、问答题 蒸汽管路冲洗压力和时间有哪些规定?
点击查看答案
本题答案:1、中、低压锅炉可在工作压力的75%以上开始冲洗,高压
本题解析:试题答案1、中、低压锅炉可在工作压力的75%以上开始冲洗,高压锅炉可在3.43-5.88MPa进行。2、冲洗时间应根据管路长短,管径大小等具体情况确定,一般蒸汽母管冲洗的总时间不少于20分钟,其它管路可以缩短到10-15分钟。3、中压锅炉冲洗时,当压力降到本工作压力,不低于1.47MPa时,即应停止冲洗,待压力升高后,再行冲洗,低压锅炉压力降低不得低于0.78MPa。
85、填空题 腾炉由()和()三部分组成。
点击查看答案
本题答案:布风系统、沸腾段;悬浮段
本题解析:试题答案布风系统、沸腾段;悬浮段
86、填空题 ()是锅炉的有效利用热量与输入锅炉的热量之比。
点击查看答案
本题答案:锅炉热效率
本题解析:试题答案锅炉热效率
87、单项选择题 在一般的运行条件下,由于锅炉水PH值常保持在()之间,锅炉金属表面的保护膜是稳定的,所以不会发生腐蚀。
来源:91考试 网
A、7-8
B、9-11
C、11-13
点击查看答案
本题答案:B
本题解析:暂无解析
88、填空题 锅炉冷态启动上水温度大于汽包壁温(),上水温度与汽包壁温差不宜超过();冬季上水时间(),夏季上水时间();上水过程中控制汽包上下壁温();上水至()mm,停止上水,并校对汽包水位计。
点击查看答案
本题答案:20℃;28℃;>4h;>2h;56℃;-200
本题解析:试题答案20℃;28℃;>4h;>2h;56℃;-200
89、单项选择题 水位计出厂时,玻璃管存在不直度,使用时会造成()。
A.水位过高
B.水位过低
C.假水位
D.破裂
点击查看答案
本题答案:D
本题解析:暂无解析
90、单项选择题 固定炉排停炉约()小时后,开启烟道挡板,进行通风和换水。
A.2
B.3
C.4
D.6
点击查看答案
本题答案:D
本题解析:暂无解析
91、单项选择题 常用的水处理药剂不包括()。
A.氢氧化钠
B.碳酸钠
C.磷酸三钠
D.甘油二硬脂酸酯
点击查看答案
本题答案:D
本题解析:暂无解析
92、单项选择题 蒸气压缩式制冷的理想循环是由()组成的制冷循环。
A.两个等温过程和两个绝热过程
B.两个等压过程和两个等容过程
C.两个等焓过程和两个等温过程
D.两个等压过程和两个等温过程
点击查看答案
本题答案:A
本题解析:暂无解析
93、问答题 什么叫参比电极?
点击查看答案
本题答案:提供电位标准的电极,在一定的测量条件下参比电极的电位值
本题解析:试题答案提供电位标准的电极,在一定的测量条件下参比电极的电位值是恒定不变的。
94、问答题 正常停炉后应做哪些工作?
点击查看答案
本题答案:正常停炉后,应监视水位,监视排烟温度。
本题解析:试题答案正常停炉后,应监视水位,监视排烟温度。
95、填空题 在回路的自补偿范围内,上升管热负荷增大时,循环水速将(),循环倍率将减小。
点击查看答案
本题答案:增大
本题解析:试题答案增大
96、问答题 停炉保护方法大体上可分成几类?
点击查看答案
本题答案:大体可分为湿保护和干保护两大类。
本题解析:试题答案大体可分为湿保护和干保护两大类。
97、单项选择题 锅炉操作工应做的记录有()。
A.运行工作记录、交接班记录、维护保养记录
B.设备检修记录、水质化验记录、事故记录
C.运行工作记录、交接班记录、水质化验记录
D.运行工作记录、交接班记录、设备检修记录
点击查看答案
本题答案:A
本题解析:暂无解析
98、单项选择题 下列阀门那个为安全阀()。
A、J44H-25
B、Z44H-25
C、Y44H-25
D、A44H-25
点击查看答案
本题答案:D
本题解析:暂无解析
99、单项选择题 为防止再生过程中产生硫酸钙沉淀,除按规定保持低浓度外,还应注意再生液的流速一般可选用()m/h。
A、5~15
B、8~15
C、10~20
点击查看答案
本题答案:B
本题解析:暂无解析
100、名词解释 锅炉静态特性
点击查看答案
本题答案:锅炉在不同稳定工况下,参数之间变化的相互关系。
本题解析:试题答案锅炉在不同稳定工况下,参数之间变化的相互关系。
101、单项选择题 预防空气预热器泄漏,应()。
A.清除管内积垢,使管束受热均匀,避免局部管子过热
B.提高烟气温度,防止管子内部腐蚀
C.加强积灰的清除,防止堵塞管子
D.降低烟气温度
点击查看答案
本题答案:A
本题解析:暂无解析
102、问答题 锅炉定排的时间一般是多少(指一个排污点)时间过长有什么危害影响?
点击查看答案
本题答案:一般是30秒,时间过长会破坏水循环。
本题解析:试题答案一般是30秒,时间过长会破坏水循环。
103、填空题 给粉机的作用是根据锅炉负荷需要的(),把煤粉仓中的煤粉均匀的送入一次风管中。
点击查看答案
本题答案:煤粉量
本题解析:试题答案煤粉量
104、填空题 常用的温度测量仪表有玻璃温度计和()温度计。
点击查看答案
本题答案:压力
本题解析:试题答案压力
105、问答题 水泵运行中抽空的原因?
点击查看答案
本题答案:1、水箱水位过低或吸入侧不严,泵内进空气。2、水泵吸入
本题解析:试题答案1、水箱水位过低或吸入侧不严,泵内进空气。2、水泵吸入管路堵塞。
106、问答题 锅炉节能有哪些途径?
点击查看答案
本题答案:锅炉节能的途径很多,主要有:1、提高锅炉热效率。2、强
本题解析:试题答案锅炉节能的途径很多,主要有:1、提高锅炉热效率。2、强化炉内传热。3、降低排污率,利用余热。4、减少锅炉启动热损失。5、加强锅炉管理,制定消耗定额。
107、问答题 正常停炉的操作步骤如何?
点击查看答案
本题答案:1、缓慢减负荷,应逐个停止燃烧器。2、拉开风机联锁装置
本题解析:试题答案1、缓慢减负荷,应逐个停止燃烧器。2、拉开风机联锁装置,关闭送风机挡板,停止送风机。3、燃烧室通风5分钟后,关闭引风机挡板,停止引风机。4、停炉过程中应将给水自动改为手动调节。5、汽温降低到400℃时,停止减温器。6、当锅炉蒸汽流量降到零时,关闭隔绝门与蒸汽母管解列。
108、填空题 停磨时,应(),减少下次启动对燃烧的影响。
点击查看答案
本题答案:抽尽系统余粉
本题解析:试题答案抽尽系统余粉
109、单项选择题 水中的悬浮物可以利用()去除。
A、沉淀法
B、机械过滤法
C、软化法
D、除盐法
点击查看答案
本题答案:B
本题解析:暂无解析
110、填空题 煤中的灰分是燃料中的有害成分,灰分多会()可燃质与氧气的接触,使碳粒不易燃烧完全,影响锅炉()。
点击查看答案
本题答案:防碍;效率
本题解析:试题答案防碍;效率
111、单项选择题 除尘器筒体内耐磨层浇注完毕,冬季养护时筒体外温度在()℃左右为宜。
A.20
B.30
C.35
D.40
点击查看答案
本题答案:A
本题解析:暂无解析
112、填空题 二次风速一般均应()一次风速,二次风速高,才能使(),与()充分混合。
点击查看答案
本题答案:大于;空气;煤粉
本题解析:试题答案大于;空气;煤粉
113、单项选择题 螺旋出渣机运行时以下注意事项错误的是()。
A.螺旋体与螺旋片有一定的间隙,防止螺旋体与螺旋片产生摩擦
B.减速器和螺旋轴的不同心度要满足设计要求
C.下轴不能有颤动声响
D.出渣机接口与炉排连接处有无水封均可
点击查看答案
本题答案:D
本题解析:暂无解析
114、填空题 锅炉房水平管路上装置的止回阀,多选用()止回阀。
点击查看答案
本题答案:升降式
本题解析:试题答案升降式
115、问答题 无阀滤池的强制反冲洗的条件?
点击查看答案
本题答案:在无阀滤池长期停运,大修之后及在运行中出水浊度超标,自
本题解析:试题答案在无阀滤池长期停运,大修之后及在运行中出水浊度超标,自控失灵时,均应进行强制反冲洗操作。
116、单项选择题 锅水溶解固形物超标时的调整方法不包括()。
A.仍按原先排污方法进行排污
B.调整定期排污法阀开启的时间
C.调整定期排污阀开启的次数
D.大开排污阀连续排污
点击查看答案
本题答案:A
本题解析:暂无解析
117、问答题 锅炉定期排污应注意哪些事项?
点击查看答案
本题答案:(1)排污前要将锅炉水位调至稍高于正常水位线。排污时要
本题解析:试题答案(1)排污前要将锅炉水位调至稍高于正常水位线。排污时要严密监视水位,防止因排污造成锅炉缺水。排污后管内不应再有水流动的声音,间隔一段时间后,最好再用手触摸排污阀以外的排污管道,如果感觉温度高,表明排污阀有泄露,应查明原因后加以消除。
(2)本着“勤排、少排、均匀排”的原则,蒸汽锅炉每班至少排污一次,热水锅炉至少每天排污一次。一台锅炉上同时有几根排污管时,必须对所有的排污管轮流排污。如果只排某一部位,而长期不排另一部位,就会降低锅水品质,或者造成部分排污管堵塞,甚至引起水循环破坏和爆管事故;当多台锅炉同时用一根排污总管时,禁止同时排污,以防止排出的污水倒流入相邻的锅炉内。
(3)排污要在低负荷时进行,此时锅炉循环水流动比较缓慢,渣垢容易积聚,排污效果好。
(4)排污操作应快速、间断进行,即每次排污阀开后即关,关后即开,如此重复数次,依靠吸力使渣垢迅速想排污口汇集,然后集中排除。如果一次排污时间过长,锅水中渣垢的浓度先高后低,降低了排污效果,又增加了排污量,还可能造成局部水循环故障。
118、问答题 锅炉正常运行中应如何进行检查?
点击查看答案
本题答案:1、检查人孔、手孔和水位阀门是否泄漏。2、检查汽包,水
本题解析:试题答案1、检查人孔、手孔和水位阀门是否泄漏。2、检查汽包,水冷壁,过热器及省煤器的排污门和疏水门的严密性。3、检查风机运行是否正常。4、检查水位计是否正常。5、检查燃烧是否良好。
119、填空题 司炉工的司炉证按规定()年换一次。
点击查看答案
本题答案:三
本题解析:试题答案三
120、填空题 影响树脂工作交换容量的因素主要有()、()、()、()。
点击查看答案
本题答案:含盐量,控制终点,树脂层高度,交换速度
本题解析:试题答案含盐量,控制终点,树脂层高度,交换速度
121、填空题 波形板分离器有()和水平两种,在前者中蒸汽与水膜垂直交叉流动;在后者中蒸汽与水膜平行流动。
点击查看答案
本题答案:立式
本题解析:试题答案立式
122、填空题 蒸汽的溶盐能力随压力升高而()。
点击查看答案
本题答案:增大
本题解析:试题答案增大
123、问答题 紧急停炉如何进行?
点击查看答案
本题答案:1、停止加煤和通风;
2、熄灭炉火或开大炉排
本题解析:试题答案1、停止加煤和通风;
2、熄灭炉火或开大炉排转速将煤推到灰斗;
3、开炉门和烟道门,以冷却炉排;
4、降压、排汽。
124、填空题 锅炉热平衡就是送入锅炉的热量与各项热损失以及()之间的平衡。
点击查看答案
本题答案:有效利用的热量
本题解析:试题答案有效利用的热量
125、问答题 逆止阀的作用是什么?如何进行更换?
点击查看答案
本题答案:逆止阀又叫止回阀,安装在锅炉的进水管上,控制锅水倒流。
本题解析:试题答案逆止阀又叫止回阀,安装在锅炉的进水管上,控制锅水倒流。安装时应确定逆止阀的方向,箭头指的方向为出口,反之为进口。在停炉或闷炉时更换逆止阀,必须将蒸汽压力降为零,经补水排污后把温度降至70℃,关闭给水调节阀。拆下逆止阀法兰螺栓,取下逆止阀,换上新的逆止阀及法兰垫料,将法兰螺栓均匀紧固。紧固后需进行通水试验,观察有无渗漏,给水效果是否满足锅炉需求。
126、单项选择题 锅炉手动给水时应时刻注意锅炉()的变化。
A.压力
B.鼓风
C.水位
D.引风
点击查看答案
本题答案:C
本题解析:暂无解析
127、填空题 大型锅炉整个受热面的汽温特性仍是()的.
点击查看答案
本题答案:对流式
本题解析:试题答案对流式
128、填空题 装设空气预热器的燃油锅炉,尾部应装设可靠的()及()装置。
点击查看答案
本题答案:吹灰、灭火
本题解析:试题答案吹灰、灭火
129、填空题 逆卡诺循环是由两个()和两个绝热过程交替进行的逆向循环。
点击查看答案
本题答案:等温过程
本题解析:试题答案等温过程
130、名词解释 燃烧器区域炉壁热负荷
点击查看答案
本题答案:按燃烧器区域单位炉壁面积折算,每小时送入炉膛的平均热量
本题解析:试题答案按燃烧器区域单位炉壁面积折算,每小时送入炉膛的平均热量。
131、填空题 正常使用条件下,衬胶的作用年限一般为()年左右。
点击查看答案
本题答案:10
本题解析:试题答案10
132、问答题 金属的超温与过热两者这间有什么关系?
点击查看答案
本题答案:金属的超温与过热在概念上是相同的,所不同的是,超温是指
本题解析:试题答案金属的超温与过热在概念上是相同的,所不同的是,超温是指在运行中由于种种原因,使金属的管壁温度超过它所允许的温度,而过热是因为超温致使金属发生不同程度的损坏,也就是说超温是过热的原因,过热是超温的结果.
133、填空题 若磨煤机油管道发生破裂,润滑油大量泄漏时,应立即()。
点击查看答案
本题答案:停止磨煤机运行
本题解析:试题答案停止磨煤机运行
134、填空题 锅炉上水水质应为()的除盐水。
点击查看答案
本题答案:除过氧
本题解析:试题答案除过氧
135、填空题 ()是指电流流过两种不同材料组成的电回路时,两个接点处将分别发生了吸热、放热效应。
点击查看答案
本题答案:帕尔帖效应
本题解析:试题答案帕尔帖效应
136、单项选择题 采用有机水质稳定剂时,JDG取()mol/L。
A.3至8
B.8至12
C.12至18
D.18至20
点击查看答案
本题答案:B
本题解析:暂无解析
137、填空题 若因缺水事故而采取紧急停炉时,严禁()。
点击查看答案
本题答案:向锅炉给水
本题解析:试题答案向锅炉给水
138、问答题 锅炉紧急启动与正常启动有什么不同?
点击查看答案
本题答案:紧急启动前的检查与准备,点火,开压,暖管及并汽等各个阶
本题解析:试题答案紧急启动前的检查与准备,点火,开压,暖管及并汽等各个阶段的操作内容,与正常启动基本相同,其主要不同点是进行紧急启动时,开压过程要缩短.
139、问答题 请简述天然水中答杂质对锅炉的危害。
点击查看答案
本题答案:1、引起锅炉受热面结垢,影响传热,浪费材料;
本题解析:试题答案1、引起锅炉受热面结垢,影响传热,浪费材料;
2、使蒸汽品质恶化;
3、引起锅炉腐蚀,影响安全与使用寿命。
140、单项选择题 调整锅水浓度应()进行。
A.按班次定期
B.在化验员指导下
C.在班长指导下
D.在值班长指导下
点击查看答案
本题答案:B
本题解析:暂无解析
141、问答题 送风机保护跳闸条件
点击查看答案
本题答案:1、两台油泵跳闸延时2S
2、轴承温度>11
本题解析:试题答案1、两台油泵跳闸延时2S
2、轴承温度>110℃延时10S
3、电机轴承温度>100℃延时5S
4、润滑油站油位低低
5、润滑油压低低<0.05Mpa
6、锅炉连锁投入时两台引风机均停
7、MFT动作20S后,炉膛压力仍超过高高跳闸值
8、送风机启动后其出口门90S内未全开
142、填空题 锅炉的尾部受热面一般指省煤器与()。
点击查看答案
本题答案:空气预热器
本题解析:试题答案空气预热器
143、填空题 磨煤机润滑油滤网压差()时,应切换滤网运行并通知检修清洗。
点击查看答案
本题答案:≥0.2Mpa
本题解析:试题答案≥0.2Mpa
144、单项选择题 阀杆扳不动的原因不包括()。
A.填料压的过多、过紧
B.闸板卡死
C.阀杆与阀盖上的螺纹良好
D.首轮损坏,不能带动阀杆
点击查看答案
本题答案:C
本题解析:暂无解析
145、填空题 排烟热焓与冷空气热焓之差应等于()。
点击查看答案
本题答案:排烟热损失
本题解析:试题答案排烟热损失
146、单项选择题 压缩机的压缩比上升,则容积效率()。
A.不变
B.减少
C.增加
D.视具体情况确定
点击查看答案
本题答案:B
本题解析:暂无解析
147、单项选择题 除尘器的筒体穿孔时,停炉后的修理,挖补的形状不包括()。
A.菱形
B.圆形
C.方形
D.长方形
点击查看答案
本题答案:A
本题解析:暂无解析
148、问答题 对流式过热器具有怎样的汽温特性?
点击查看答案
本题答案:过热蒸汽温度随锅炉负荷的增加而升高,反之则降低。当过热
本题解析:试题答案过热蒸汽温度随锅炉负荷的增加而升高,反之则降低。当过热器入口烟温越低时,这种变动特性越明显。
149、单项选择题 为了防止锅炉受热面上形成钙镁水垢,主要应尽量降低给水()
A、硬度
B、碱度
C、酸度
点击查看答案
本题答案:A
本题解析:暂无解析
150、问答题 强制循环热水锅炉运行中突然停电如何处理?
点击查看答案
本题答案:1、关闭出水阀门,打开锅炉的排汽放空阀;
2
本题解析:试题答案1、关闭出水阀门,打开锅炉的排汽放空阀;
2、迅速打开炉门及省煤器旁路烟道;
3、撤出炉膛煤火。
151、填空题 锅炉尾部受热面存在的主要问题是磨损、()、低温腐蚀。
点击查看答案
本题答案:积灰
本题解析:试题答案积灰
152、单项选择题 锅内水处理的降碱剂不包括()。
A.磷酸
B.磷酸三钠
C.磷酸二氢钠
D.硫酸铵
点击查看答案
本题答案:B
本题解析:暂无解析
153、填空题 目前常用的安全阀有()三种。
点击查看答案
本题答案:弹簧式、杠杆式和净重式
本题解析:试题答案弹簧式、杠杆式和净重式
154、单项选择题 改变电动机转动方向的操作错误的是()。
A.接上接线盒,同时注意橡皮胶圈是否卡在盒盖上,以防污物进入
B.不用启动电动机试运转
C.调换三相电源中任意两相的线头
D.切断电源,拆下电动机接线盒
点击查看答案
本题答案:B
本题解析:暂无解析
155、单项选择题 启动转动机械,用机械自身的力量进行彻底的转动清洗,清洗时间一般为()h。
A.2
B.4
C.8
D.10
点击查看答案
本题答案:C
本题解析:暂无解析
156、填空题 锅炉负荷小于(),特别是()时,空预器应连续吹灰。
点击查看答案
本题答案:35%MCR;投油燃烧
本题解析:试题答案35%MCR;投油燃烧
157、单项选择题 抛煤机锅炉(倒转炉排)引火物应放在()。
A.炉排前部
B.炉排后部
C.炉排中部
D.锅炉中后部
点击查看答案
本题答案:B
本题解析:暂无解析
158、单项选择题 锅炉正常运行中应保持炉膛负压()。
A、2~6mm水柱
B、10~15mm水柱
C、15~20mm水柱
D、20~30mm水柱
点击查看答案
本题答案:A
本题解析:暂无解析
159、单项选择题 压力表的更换方法不正确的是()。
A.不用做安全防护措施
B.选择经效验合格或装有出厂合格证的新表
C.更换前,将三通旋塞置于冲洗的位置,冲洗管中的杂物
D.切断压力源,拆卸旧表,更换新表
点击查看答案
本题答案:A
本题解析:暂无解析
160、问答题 运行中如何降低化学不完全燃烧热损失?
点击查看答案
本题答案:燃料燃烧时,一部分可燃气体(CO、H2、CH4及CmH
本题解析:试题答案燃料燃烧时,一部分可燃气体(CO、H2、CH4及CmHn)没有完全燃烧而随烟气排出炉外所造成的热损失,称为化学不完全燃烧热损失,又称为可燃气体不完全燃烧热损失。
161、问答题 新鲜阴树脂的处理。
点击查看答案
本题答案:10%氯化钠浸泡→除盐水冲至硬度≤5&
本题解析:试题答案10%氯化钠浸泡→除盐水冲至硬度≤5μg/l→5%HCl18-20小时→除盐水冲至PH=7→5%NOH浸泡18-20小时→除盐水冲至PH=7待用。
162、单项选择题 弹簧式安全阀长期漏汽的原因是弹簧产生()。
A.弹性变形
B.塑性变形
C.永久变形
D.弹塑性变形
点击查看答案
本题答案:C
本题解析:暂无解析
163、填空题 水压试验结束后降压速度要缓慢,不超过().
点击查看答案
本题答案:0.5MP/min
本题解析:试题答案0.5MP/min
164、填空题 电站锅炉中常用的汽水分离设备有()、轴流式分离器、波形板分离器和顶部多孔板等。
点击查看答案
本题答案:旋风分离器
本题解析:试题答案旋风分离器
165、填空题 蒸汽过热器的作用是提高蒸汽()。
点击查看答案
本题答案:温度
本题解析:试题答案温度
166、单项选择题 引起离心泵产生振动的直接原因可能是()。
A.装配间隙过大
B.泵轴弯曲
C.功率过大
D.转速过高
点击查看答案
本题答案:B
本题解析:暂无解析
167、填空题 锅水中保持一定含量的磷酸盐可以消除水中的()。
点击查看答案
本题答案:残留硬度
本题解析:试题答案残留硬度
168、单项选择题 锅炉发生二次燃烧时应采取如下措施()。
A、开大风机挡板
B、停风机关挡板
C、调正风挡板
D、调正鼓风机挡板
点击查看答案
本题答案:B
本题解析:暂无解析
169、问答题 锅内水处理的机理是什么?
点击查看答案
本题答案:(1)采用不同的软水剂使形成水垢中的各种盐类转化成非粘
本题解析:试题答案(1)采用不同的软水剂使形成水垢中的各种盐类转化成非粘附性的泥渣。
(2)在锅水中补充形成泥渣的结晶中心。
(3)破坏和防止锅水沉淀析出的固形物与锅炉金属表面之间的静电吸引作用。
(4)有效地控制锅水的中离子平衡。
170、填空题 辅机启动前应检查设备各润滑部件已加好润滑油、脂,油位正常,油质合格。润滑油系统应在辅机启动前()投入运行。
点击查看答案
本题答案:二小时以上
本题解析:试题答案二小时以上
171、填空题 选择压力表时,要使压力表表盘的最大示值最好为锅炉工作压力的()倍。
点击查看答案
本题答案:2
本题解析:试题答案2
172、问答题 简述弹簧式安全阀和杠杆式安全阀在校验台上校验的操作方法。
点击查看答案
本题答案:弹簧式安全阀:(1)首先拆下提升手柄和顶盖,用扳手放松
本题解析:试题答案弹簧式安全阀:(1)首先拆下提升手柄和顶盖,用扳手放松调整螺钉的螺母,再拧紧调整螺钉;(2)开启校验台上的校验控制阀,逐渐增加压力,当达到整定压力值时,关闭校验控制阀;(3)缓慢放松调整螺钉的锁定螺母,装上提升手柄和顶盖;(4)迅速泄压,然后再进行3次整定压力开启试验;(5)校对无误后,拧紧调整螺钉的锁定螺母,装上提升手柄和顶盖;(6)打铅封,做好校验记录。
杠杆式安全阀:(1)首先松动重锤的固定螺钉,慢慢地向外移动重锤;(2)当校验压力达到整定力值时,停止施压;(3)缓慢地向内移动重锤,使安全阀在整定压力值时开启;(4)迅速泄压,然后再进行3次升压,校验安全阀在整定压力值开启时的灵敏度;(5)合格后,拧紧重锤的固定螺钉;(6)打铅封,做好校验记录。
173、填空题 灰的软化温度t2的影()及含量、灰周围介质的气氛及烟气中灰的含量。
点击查看答案
本题答案:响因素有灰的组成成分
本题解析:试题答案响因素有灰的组成成分
174、问答题 什么叫酸耗?
点击查看答案
本题答案:指阳离子交换树脂失效后,交换出失效树脂中每一克当量阴离
本题解析:试题答案指阳离子交换树脂失效后,交换出失效树脂中每一克当量阴离子需用酸的克数(克/克当量).
175、填空题 烟气中过剩空气系数越大,则含氧越()。
点击查看答案
本题答案:大
本题解析:试题答案大
176、名词解释 墙式再热器
点击查看答案
本题答案:布置在炉膛上部前墙和两侧墙前侧的水冷壁管外的辐射式再热器。
本题解析:试题答案布置在炉膛上部前墙和两侧墙前侧的水冷壁管外的辐射式再热器。
177、问答题 为什么锅炉压力等级越高,对补给水纯度要求越高?
点击查看答案
本题答案:蒸汽压力越高越易带水,就越易造成盐类的水滴携带,水滴携
本题解析:试题答案蒸汽压力越高越易带水,就越易造成盐类的水滴携带,水滴携带的含量相当于炉水中的含盐量。锅炉蒸汽压力越高其溶解携带系数也越大,如高压锅炉蒸汽压力为11.0MPa,比中压锅炉蒸汽压力为4.0MPa的蒸汽对硅酸携带系数大20倍,而饱和蒸汽携带某物质的量与炉水中该物质的含量成在比,因此,锅炉压力等级越高对补给水的纯度要求越严。
178、填空题 燃料有()七部分组成。
点击查看答案
本题答案:碳、氢、硫、氧、氮、灰、水
本题解析:试题答案碳、氢、硫、氧、氮、灰、水
179、填空题 锅炉用的煤称为动力煤,动力煤通常以挥发份为主要依据分类,大致分为()、()、()、()。
点击查看答案
本题答案:贫煤、褐煤、烟煤、无烟煤
本题解析:试题答案贫煤、褐煤、烟煤、无烟煤
180、填空题 发热量为()大卡 www.91eXam.org/公斤的煤定为标准煤。
点击查看答案
本题答案:7000
本题解析:试题答案7000
181、填空题 ()就是低过剩空气燃烧或称为低α燃烧。
点击查看答案
本题答案:低氧燃烧
本题解析:试题答案低氧燃烧
182、问答题 压力表停用的原则是什么?
点击查看答案
本题答案:1.指针不能回零;2.表面玻璃破碎或表盘刻度模糊不清;
本题解析:试题答案1.指针不能回零;2.表面玻璃破碎或表盘刻度模糊不清;3.封印损坏或超过校验有效期;4.表内泄漏或指针跳动;5.其他影响压力表准确指示的缺陷.
183、填空题 煤的工业分析成分有水分、挥发分、()和灰分。
点击查看答案
本题答案:固定碳
本题解析:试题答案固定碳
184、单项选择题 热力除氧器按照其进水方式的不同可分为()类。
A、一
B、两
C、三
点击查看答案
本题答案:B
本题解析:暂无解析
185、填空题 当锅炉负荷超过()或高温再热器进口烟温超过()应将探针退出。
点击查看答案
本题答案:10%MCR;540℃
本题解析:试题答案10%MCR;540℃
186、问答题 锅炉并汽时,对压力控制有哪些方面的要求?
点击查看答案
本题答案:(1)参与并汽锅炉的汽压低于运行系统汽压0.05&md
本题解析:试题答案(1)参与并汽锅炉的汽压低于运行系统汽压0.05—0.1MPa时可开始并汽。
(2)新启动锅炉的汽压高于运行系统汽压时不能并汽。因为,当新启动的锅炉主汽阀开启后,大量蒸汽迅速输出,破坏了运行系统的额定压力,又迫使启动锅炉负荷骤增,压力骤降,从而产生汽水共腾。
(3)启动锅炉的汽压低于运行系统的汽压太多时不能并汽。原因是:当启动锅炉的主汽阀开启后,运行系统的蒸汽会倒入启动锅炉内,影响系统的正常运行。
187、单项选择题 当采用低压水力出渣时,喷嘴应于沟底成()度向下倾斜。
A.10至15
B.20至30
C.30至40
D.30至50
点击查看答案
本题答案:A
本题解析:暂无解析
188、问答题 小位计叫水操作及水位不明时的判断(关闭汽水连管截断门造成水位计看不到水位要求进行叫水操作判断缺水或满水的程度)。
点击查看答案
本题答案:评分标准:1、在1分钟内操作正确,判断正确。 2、在2分
本题解析:试题答案评分标准:1、在1分钟内操作正确,判断正确。2、在2分钟内操作正确,判断准确。3、在3分钟内操作正确,判断准确。4、在4分钟内操作正确,判断准确。5、在5分钟内操作正确,判断准确。6、操作错误或判断不对不计分。
189、问答题 碳素钢和合金钢中除铁元素以外还有哪些主要元素?
点击查看答案
本题答案:碳素钢和合金钢中除铁元素以外通常还有五个常存元素:碳C
本题解析:试题答案碳素钢和合金钢中除铁元素以外通常还有五个常存元素:碳C,锰Mn,硅S,磷P,硫S.
190、单项选择题 热水锅炉上水时,打开管网放气阀和系统顶端的放气阀,待冒出水时关闭,经过()小时后再放气1至2次。
A.0.5至1
B.1至2
C.2至3
D.3至4
点击查看答案
本题答案:B
本题解析:暂无解析
191、填空题 职业素质的灵魂是()。
点击查看答案
本题答案:思想政治素质
本题解析:试题答案思想政治素质
192、填空题 为了获得清洁的蒸汽要设在汽包内部的装置有()以及()、()等几种。
点击查看答案
本题答案:汽水分离装置,蒸汽清洁装置,分段蒸发装置
本题解析:试题答案汽水分离装置,蒸汽清洁装置,分段蒸发装置
193、单项选择题  ; 迅速冷却停炉操作时,正确的操作步骤是()。
A.用湿煤或湿灰压实火床,迅速隔断蒸汽母管,排汽降压,串水降温
B.用水浇灭火床,迅速隔断蒸汽母管,排汽降压,串水降温
C.用湿煤或湿灰压住火床浇水灭火,迅速隔断蒸汽母管,排汽降压,串水降温
D.用干煤或干灰压住火床浇水灭火,迅速隔断蒸汽母管,排汽降压,串水降温
点击查看答案
本题答案:A
本题解析:暂无解析
194、填空题 铁受水中溶解氧的腐蚀是一种()铁和氧形成两个电极,组成腐蚀电池。
点击查看答案
本题答案:电化学腐蚀
本题解析:试题答案电化学腐蚀
195、单项选择题 标准蒸汽就是()。
A、1标准大气压下的饱和蒸汽
B、1表示下的饱和蒸汽
C、1标准大气压下的过热蒸汽
D、任何压力下的饱和蒸汽
点击查看答案
本题答案:A
本题解析:暂无解析
196、问答题 影响煤粉气流着火与燃烧的因素?
点击查看答案
本题答案:1.燃料性质
2.煤粉的细度
3.
本题解析:试题答案1.燃料性质
2.煤粉的细度
3.炉膛温度
4.空气量
5.一次风温
6.一次风与二次风的配合
7.燃烧时间
8.锅炉负荷
197、单项选择题 如水位计汽、水旋塞同时损坏,该水位计又无汽、水旋塞控制阀门,则应()。
A.直接更换
B.停运后更换
C.降压后更换
D.不需更换
点击查看答案
本题答案:B
本题解析:暂无解析
198、单项选择题 常把在()以下的热处理叫做烘干。
A、250℃
B、300℃
C、350℃
点击查看答案
本题答案:A
本题解析:暂无解析
199、问答题 产生锅炉爆管的原因有哪些?
点击查看答案
本题答案:(1)水质不符合标准。无水处理设施或对给水和锅水的品质
本题解析:试题答案(1)水质不符合标准。无水处理设施或对给水和锅水的品质监督不严,使管内结构或腐蚀,造成管壁过热,强度降低。
(2)水循环被破坏。锅炉设计、制造不合理,导致水循环不畅;管子内部被脱落的水垢堵塞。
(3)机械损伤。管子在安装、使用中受到机械损伤。
(4)烟灰磨损。烟气冲刷或烟灰黏附于管壁造成管壁磨损、变薄。
(5)管子质量不合格。管材未按规定选用,存在质量问题或焊接质量差。
(6)升温速度过快,停炉放水过早。加热或冷却过快可造成管子热胀冷缩严重,焊口破裂。
(7)锅炉严重缺水,使部分管子过热,强度降低。
(8)给水温度过低,导水管位置不正确,给水不能与锅水充分混合,使炉管因温度不均匀发生形变,造成胀口处漏水,甚至出现裂纹。
200、问答题 简述阴、阳离子交换化学除盐法?
点击查看答案
本题答案:是用H型阳离子交换剂将水中各种阳离子交换成氢离子,用O
本题解析:试题答案是用H型阳离子交换剂将水中各种阳离子交换成氢离子,用OH型阴离子交换剂将水中各种阴离子交换成氢氧负离子,这样当水经过这两种交换处理后,就可将水中各种盐类几乎除尽.
题库试看结束后
微信扫下方二维码即可打包下载完整版《
★锅炉操作工考试》题库
手机用户可保存上方二维码到手机中,在微信扫一扫中右上角选择“从相册选取二维码”即可。
题库试看结束后
微信扫下方二维码即可打包下载完整版《
锅炉操作工考试:锅炉操作工考试》题库,
分栏、分答案解析排版、小字体方便打印背记!经广大会员朋友实战检验,此方法考试通过率大大提高!绝对是您考试过关的不二利器!
手机用户可
保存上方二维码到手机中,在
微信扫一扫中右上角选择“从
相册选取二维码”即可。