手机用户可
保存上方二维码到手机中,在
微信扫一扫中右上角选择“从
相册选取二维码”即可。
1、单项选择题 通过检定,将国家基准所复现的计量单位值通过计量标准逐级传递到工作计量器具,以保证测的准确和一致的全部过程叫做()
A、量值传递
B、计量认证
C、质量认证
点击查看答案
本题答案:A
本题解析:暂无解析
2、单项选择题 在单向桥式整流电路中,若误将一只二极管接反了,产生的后果是()。
A.仍可正常工作
B.不能工作
C.输出电压下降
D.输出电压上升
点击查看答案
本题答案:B
本题解析:暂无解析
3、单项选择题 在自动调节系统的控制通道中,滞后时间与控制质量的关系是()。
A.不影响
B.滞后时间越大,控制质量越好
C.滞后时间越大,控制质量越差
D.滞后时间越小,控制质量越差
点击查看答案
本题答案:C
本题解析:暂无解析
4、单项选择题 超声波流量计是以声波在静止流体和流动流体中的传播()不同来测量流速和流量。
A.频率
B.速度
C.方向
D.距离
点击查看答案
本题答案:B
本题解析:暂无解析
5、单项选择题 计量检定室的仪表基础、工作台要采取()措施。
A.防振
B.防尘
C.防腐
D.防水
点击查看答案
本题答案:A
本题解析:暂无解析
6、单项选择题 检定仪表时,通常要测冷端温度,这时水银温度计应放在()。
A.仪表壳内
B.测量桥路处
C.温度补偿电阻处
D.标准电位差计处
点击查看答案
本题答案:C
本题解析:暂无解析
7、填空题 用来测量热工参数的仪表叫做()。
点击查看答案
本题答案:热工仪表
本题解析:试题答案热工仪表
8、单项选择题 电容式压力传感器可分为()。
A.改变极板间距离和改变极板重叠面积两种
B.改变极板间距离和改变极板重叠面积,改变极板间介电常数三种
C.改变极板间距离和改变极板间介电常数两种
D.改变极板重叠面积和改变极板间介电常数两种
点击查看答案
本题答案:B
本题解析:暂无解析
9、问答题 热电偶的焊接方法有哪几种?
点击查看答案
本题答案:1)电弧焊接。
2)碳粉焊接。
3
本题解析:试题答案1)电弧焊接。
2)碳粉焊接。
3)盐浴焊接。
4)直流氩弧焊。
10、单项选择题 被测气体的含量()就可以作为理想的校安全仪表零气使用。
A.小于满量程的1%
B.小于爆炸下限的1%
C.小于0.1%
D.小于满量程的0.1%
点击查看答案
本题答案:D
本题解析:暂无解析
11、单项选择题 声音的传播速度和介质有关,声音在空气中的传播速度约为()m/s。
A.340
B.1500
C.3000
D.5590
点击查看答案
本题答案:A
本题解析:暂无解析
12、问答题 什么是运算单元?
点击查看答案
本题答案:运算单元是存储器的一定区域。
本题解析:试题答案运算单元是存储器的一定区域。
13、单项选择题 手动遥控切换到自动控制必须是()。
A.快速的
B.无扰动的
C.平稳的
D.单方向性的
点击查看答案
本题答案:B
本题解析:暂无解析
14、单项选择题 如用PLC的输出带动220v交流电磁阀或继电器等感性负载时,一般可(),以保护PLC的输出接点。
A.增加浪涌抑制器
B.在线路中串联二极管
C.正向并联二极管
D.并联电阻
点击查看答案
本题答案:A
本题解析:暂无解析
15、问答题 安装防爆仪表应注意哪些事项?
点击查看答案
本题答案:安装防爆仪表前,应检查外壳上是否有防爆标记以及防爆合格
本题解析:试题答案安装防爆仪表前,应检查外壳上是否有防爆标记以及防爆合格证,合格证号与仪表编号均准确,防爆仪表出口密封应良好,导线各处不得有漏电或接触不良,没有防爆接线盒时,导线连接处应灌封。
16、单项选择题 与节流装置配套的差压变送器量程为0—39.24kPa,二次表刻度为0—10t/h,若二次表指示50%,则变送器输出为()。
A.8mA
B.12mA
C.5mA
D.16mA
点击查看答案
本题答案:A
本题解析:暂无解析
17、单项选择题 靶式流量计受温度变化的影响()。
A.较大
B.较小
C.比差压变送器的影响大
D.没有影响
点击查看答案
本题答案:B
本题解析:暂无解析
18、单项选择题 调节阀前后压降一定时的流量特性是()。
A.理想流量特性
B.工作特性
C.修正特性
D.相对特性
点击查看答案
本题答案:A
本题解析:暂无解析
19、单项选择题 在进行保护管配管时,要注意保护管内径和管内穿的电缆数。通常电缆的直径之和不能超过保护管内径的()。
A.1/3
B.1/2
C.2/3
D.1/4
点击查看答案
本题答案:B
本题解析:暂无解析
20、单项选择题 要求阀关闭时泄漏量小,且阀前后压差也较小时选()。
A.直通单座阀
B.直通双座阀
C.角形阀
D.三通阀
点击查看答案
本题答案:A
本题解析:暂无解析
21、单项选择题 计算机分散控制系统是一种以微处理器和微型计算机为核心,对生产过程进行()的新型控制系统。
A、分散控制和分散监视、操作及管理
B、集中监视操作管理和分散控制
点击查看答案
本题答案:B
本题解析:暂无解析
22、单项选择题 下列有关无纸记录仪的特点,错误的是()。
A.无纸、无墨水、无一切机械转动部件
B.输入信号种类多,有直流电压、电流,不同分度号的热电偶或热电阻,测量范围是固定的
C.以微处理器为核心部件,精度高,功能强,可显示趋势曲线、数据、报表、实时棒图等
D.有大容量的芯片可存放测量数据,有的可用半导体存储器或软盘转存
点击查看答案
本题答案:B
本题解析:暂无解析
23、单项选择题 SMD4065自动化校验仪作为标准仪器检定周期是()。
A.一年
B.二年
C.半年
D.三年
点击查看答案
本题答案:A
本题解析:暂无解析
24、单项选择题 对于小流量低雷诺数流体测量多选用()
A、超声波流量
B、靶式流量计
点击查看答案
本题答案:B
本题解析:暂无解析
25、单项选择题 &nb sp;调节器积分调节输出速度与积分时间。()。
A.成正比
B.成反比
C.不成比例
D.没有关系
点击查看答案
本题答案:B
本题解析:暂无解析
26、单项选择题 变送器的校准至少要选择()个点为标准值进行校准。
A.1
B.3
C.5
D.7
点击查看答案
本题答案:C
本题解析:暂无解析
27、单项选择题 调节器正反作用根据()来选择。
A.调节阀方向
B.被调参数变化方向
C.调节阀方向和被调参数变化方向
D.调节阀方向和调节参数变化方向
点击查看答案
本题答案:C
本题解析:暂无解析
28、单项选择题 电子计数式转速表测量转速时采用测频法和测周法,所谓测频法就是测量电信号频率的方法,即测量某电信号单位时间内的()
A、电流强度
B、电压幅值
C、脉冲数
点击查看答案
本题答案:C
本题解析:暂无解析
29、填空题 开关量信号包括()信号或()信号。
点击查看答案
本题答案:触点、逻辑电平
本题解析:试题答案触点、逻辑电平
30、单项选择题 隔离式安全栅一般具有()功能。
A.为现场设备供电
B.隔离
C.限压限流
D.以上
点击查看答案
本题答案:D
本题解析:暂无解析
31、单项选择题 适用于大口径管道,低压差,阻力损失小,流通能力大的场合应选()。
A.蝶阀
B.隔膜阀
C.偏心旋转阀
D.笼式阀
点击查看答案
本题答案:A
本题解析:暂无解析
32、单项选择题 仪表箱常用保温材料为(),厚度为20-30mm。
A.玻璃棉
B.石棉绳
C.玻璃布
D.泡沫塑料板
点击查看答案
本题答案:D
本题解析:暂无解析
33、单项选择题 在计算机操作中如果在文档中插入图片,应该使用()菜单中的命令。
A.格式
B.表格
C.插入
D.工具
点击查看答案
本题答案:C
本题解析:暂无解析
34、单项选择题 调节阀输入信号由100%增大到120%时,阀杆所走的行程与额定行程之比是()。
A.调节阀基本误差
B.调节阀回差
C.额定行程偏差
D.调节阀始终点偏差
点击查看答案
本题答案:C
本题解析:暂无解析
35、单项选择题 显示器的作用是反映被测参数在()的变化。
A、数量上
B、形式上
C、本质上
点击查看答案
本题答案:A
本题解析:暂无解析
36、单项选择题 集成运放工作在非线形区时,若同相端输入电压大于反相端输入电压,输出电压为()。
A.负的饱和值
B.零
C.正的饱和值
D.不确定
点击查看答案
本题答案:C
本题解析:暂无解析
37、单项选择题 SMD4065自动化校验仪输出挡在20mA时,无电流输出的原因可能是()。
A.输出线路短路
B.输入线路短路
C.电源插座未插入220V交流电
D.插头接触不良
点击查看答案
本题答案:D
本题解析:暂无解析
38、单项选择题 调节系统方框图中,与对象方框相连的信号是()。
A.给定值,操纵变量、干扰
B.操纵变量、干扰
C.干扰、被控变量
D.干扰、操纵变量、被控变量
点击查看答案
本题答案:D
本题解析:暂无解析
39、单项选择题 在一NPN型晶体三极管电路中,测得Ue=8V,Ub=0.7V,Uc=12V,那么此三极管工作在()区。
A.放大
B.饱和
C.截止
D.集电
点击查看答案
本题答案:C
本题解析:暂无解析
40、单项选择题 检定电子计数式转速表时,在同一检定点连续读取()个被检表量显示值
A、5
B、8
C、10
点击查看答案
本题答案:C
本题解析:暂无解析
41、单项选择题 用经验法整定调节器参数时,如果记录曲线不规则变化,记录曲线振荡呈锯齿形或阶跃变化等波形,这是由于()原因引起的。
A.参数整定不合理
B.仪表或调节阀
C.对象前工序
D.对象本身
点击查看答案
本题答案:B
本题解析:暂无解析
42、单项选择题 如果调节阀的阀芯或阀座受介质腐蚀严重变形,则调节系统()。
A.不能稳定工作
B.不受影响
C.曲线波动大
D.曲线波动小
点击查看答案
本题答案:A
本题解析:暂无解析
43、填空题 汽包锅炉定期排污的目的是()提高蒸汽(),因为随着汽包中的水(),炉水的()是不断()。
点击查看答案
本题答案:降低炉水含盐量、品质、不断蒸发、含盐量、增大
本题解析:试题答案降低炉水含盐量、品质、不断蒸发、含盐量、增大
44、问答题 安装压力表时,什么情况下要加装冷凝弯(圈)?什么情况下要采用介质隔离装置?
点击查看答案
本题答案:①压力表在测量高于60℃的热介质时,为防止弹性元件受介
本题解析:试题答案①压力表在测量高于60℃的热介质时,为防止弹性元件受介质温度的影响而改变性能,一般在压力表之前加装冷凝弯或冷凝圈。
②压力表在测量粘稠性介质时,为防止介质堵塞压力表内的弹簧管,一般在压力表前装隔离器,用隔离介质将被测介质隔开。
③如果压力表测量腐蚀性介质时,则需装带插管的隔离管。
45、填空题 串级调节系统的被调对象分为()和()两个调节域。
点击查看答案
本题答案:导前区、惰性区
本题解析:试题答案导前区、惰性区
46、单项选择题 要使可控硅导通,必须在()间加上正向电压,同时加以适当的正向控制极电压。
A.阳极与阴极
B.阳极与控制极
C.阴极与控制极
D.两个控制极
点击查看答案
本题答案:A
本题解析:暂无解析
47、单项选择题 下列对无纸记录仪的描述,错误的是()。
A.无记录纸
B.无记录墨水
C.无记录笔
D.转存在软盘上的数据,不用任何软件,可以直接在电脑上分析数据
点击查看答案
本题答案:D
本题解析:暂无解析
48、单项选择题 由晶体三极管组成的三种组态放大电路,其输入电阻较大的是共()极电路。
A.发射
B.集电
C.基
D.阳
点击查看答案
本题答案:B
本题解析:暂 无解析
49、填空题 在具有多个输入信号的对象中,选取()较好的信号,作为()信号。
点击查看答案
本题答案:输入、调节
本题解析:试题答案输入、调节
50、填空题 调调节机构直接与()接触,使条件(),容易出现()。
点击查看答案
本题答案:工作介质、恶劣、故障
本题解析:试题答案工作介质、恶劣、故障
51、问答题 什么是A/D转换器?
点击查看答案
本题答案:A/D转换器是使连续变动的模拟量转换成与萁成比例的数字
本题解析:试题答案A/D转换器是使连续变动的模拟量转换成与萁成比例的数字量的器件。
52、单项选择题 给水调节系统中,()是被调量,给水流量是调节变量
A、汽包温度
B、汽包水位
C、汽包压力
点击查看答案
本题答案:B
本题解析:暂无解析
53、问答题 校准一台电动差压变送器一般需用哪些器具?
点击查看答案
本题答案:①数字压力计0~160kPa或0~250kPa1台本题解析:试题答案①数字压力计0~160kPa或0~250kPa1台
②精密电流表0~30mA1台,直流稳压电源1台
③气源减压阀0~140kPa1台
④气动定值器1只;
⑤气源管三通φ6(φ8)1只。
⑥胶管(或塑管)φ6(φ8)若干米
⑦电线若干米
⑧校表接嘴合适
⑨螺丝刀、扳手等工具齐全
54、单项选择题 KMM调节器的运算过载是指()
A、在采样周期内,未能完成全部运算过程
B、在采样周期内,能完成全部运算过程
点击查看答案
本题答案:A
本题解析:暂无解析
55、问答题 什么是过程输入/输出通道?。
点击查看答案
本题答案:过程输入/输出通道是把反映生产工艺过程和状态的模拟量和
本题解析:试题答案过程输入/输出通道是把反映生产工艺过程和状态的模拟量和开关量信号转换成计算机能够识别的数字信号,经接口电路,输入通道送入微机,微机运算和处理后的信号经接口电路和输出通道转换成模拟量信号或开关量信号,用于控制或显示
56、单项选择题 可编程序控制器的软件系统一般分为系统软件和用户软件两大部分。下列哪种软件不属于系统软件:()。
A.系统管理程序
B.用户指令解释程序
C.标准程序模块
D.开关量逻辑控制程序
点击查看答案
本题答案:D
本题解析:暂无解析
57、单项选择题 最常见的过流保护措施是()。
A.快速熔断保护
B.压敏电阻保护
C.串进线电阻抗器保护
D.阻容保护
点击查看答案
本题答案:A
本题解析:暂无解析
58、问答题 什么是功能模块?
点击查看答案
本题答案:功能模块是一些具有完整而相对独立的子程序。
本题解析:试题答案功能模 块是一些具有完整而相对独立的子程序。
59、单项选择题 吹气式液位计一般有以下()组成。
A.过滤器减压阀、压力计两部分组成
B.过滤器减压阀、节流元件、压力计三部分组成
C.节流元件、转子流量计、压力计三部分组成
D.过滤器减压阀、节流元件、转子流量计、压力计四部分组成
点击查看答案
本题答案:D
本题解析:暂无解析
60、单项选择题 吹气式液位计当液位上升时,以下正确的是()。
A.液封压力上升,从而使从导管中逸出的气量也随之减少
B.液封压力上升,从而使从导管中逸出的气量也随之增加
C.液封压力下降,从而使从导管中逸出的气量也随之减少
D.液封压力下降,从而使从导管中逸出的气量也随之增加
点击查看答案
本题答案:A
本题解析:暂无解析
61、单项选择题 自动调节系统的操作变量至被控变量的信号联系是()。
A.信号通道
B.控制通道
C.干扰通道
D.过程通道
点击查看答案
本题答案:B
本题解析:暂无解析
62、单项选择题 泵的扬程是指单位重量液体通过泵所获得的能量,也叫做泵压头或全扬程,则其单位为()。
A.m/s
B.m
C.J
D.m3/s
点击查看答案
本题答案:B
本题解析:暂无解析
63、单项选择题 流体为高粘度,高压差和有悬浮物和颗粒状物质是调节阀应选()。
A.直通单座阀
B.直通双座阀
C.角形阀
D.三通阀
点击查看答案
本题答案:C
本题解析:暂无解析
64、单项选择题 将调节器积分作用和微分作用除去,按比例度由大到小的变化规律,对应于某一比例度下作小幅度的设定值阶跃干扰,以获得临界情况下的临界振荡的方法是()。
A.经验法
B.临界比例度法
C.衰减曲线法
D.反应曲线法
点击查看答案
本题答案:B
本题解析:暂无解析
65、单项选择题 浮球液位计的浮球脱落后,输出()。
A.最大
B.最小
C.不变
D.不能确定
点击查看答案
本题答案:A
本题解析:暂无解析
66、单项选择题 气动阀门定位器从功能上讲,一般由输入、()等部分组成。
A.比较、放大
B.反馈、比较、放大
C.比较、反馈、调节机构
D.反馈、比较、放大、调节机构
点击查看答案
本题答案:B
本题解析:暂无解析
67、单项选择题 不属于铜导线特点的是()。
A.导电性能好
B.易加工
C.易焊接
D.比重比铝小
点击查看答案
本题答案:D
本题解析:暂无解析
68、单项选择题 热电偶在校验时所选用的标准热电偶为()型热电偶
A.K
B.E
C.S
D.B
点击查看答案
本题答案:C
本题解析:暂无解析
69、单项选择题 电子自动平衡式仪表的工作原理是利用()
A、电流平衡法
B、电压平衡法
C、力平衡法
点击查看答案
本题答案:B
本题解析:暂无解析
70、单项选择题 ()是评定计量器具的计量性能的重要指标,是在规定工作条件内,计量器具某些性能随时间保持不变的能力。
A.准确度
B.稳定度
C.灵敏度
D.精确度
点击查看答案
本题答案:B
本题解析:暂无解析
71、单项选择题 电子料斗秤有哪两种运行方式()
A、校准和运行
B、跟踪和运行
C、校准和跟踪
点击查看答案
本题答案:A
本题解析:暂无解析
72、单项选择题 由一个测量变送装置、一个调节器、一个调节阀和一个被控对象构成的闭环控制系统是()。
A.简单控制系统
B.前馈控制系统
C.比值控制系统
D.选择控制系统
点击查看答案
本题答案:A
本题解析:暂无解析
73、单项选择题 W100是表示热电阻丝纯度的质量指标,其数值等于()
A、100度时电阻与0度时电阻的比值
B、100度时电阻值
点击查看答案
本题答案:A
本题解析:暂无解析
74、单项选择题 电磁流量是基于()而工作的流量测量仪表。
A.流体动量矩原理
B.电磁感应定律
C.流体流动的节流原理
D.流体动压原理
点击查看答案
本题答案:B
本题解析:暂无解析
75、单项选择题 一台浮子钢带液位计精度在使用中未能达到设计要求,则以下因素中影响最大的是()。
A.钢带重量改变
B.温度变化钢带热胀冷缩
C.液体密度变化
D.罐的应力变形
点击查看答案
本题答案:B
本题解析:暂无解析
76、问答题 电偶测温有什么特点?其热电势是怎样产生的?
点击查看答案
本题答案:热电偶测温有如下特点:
1)测量精度高
本题解析:试题答案热电偶测温有如下特点:
1)测量精度高
2)结构简单,制造方便
3)动态响应快
4)可进行远距离测量
5)测温范围广。
热电偶产生热电势必须具备两个条件:
1)热电偶必须是由两种不同性质、符合一定要求的导体组成。
2)热电偶的热端与冷端之间必须有温差。
77、单项选择题 靶式流量计校验时,当靶板上不投井挂砝码时,变送器的输出信号应等于()
A、上限值
B、中间值
C、下限值
点击查看答案
本题答案:C
本题解析:暂无解析
78、单项选择题 阀板在阀体内绕阀板经向旋转,使阀的流通面积不同,从而达到调节流量的目的,这种角行程阀芯是()。
A.蝶阀阀芯
B.偏心旋转阀芯
C.“O”形阀芯
D.“V”形阀芯
点击查看答案
本题答案:A
本题解析:暂无解析
79、单项选择题 根据我国相关国标,有屏蔽层结构的软电缆,允许弯曲半径应不小于电缆外径的()倍。
A.4
B.6
C.10
D.12
点击查看答案
本题答案:B
本题解析:暂无解析
80、单项选择题 加热炉的热效率是指加热炉全炉有效热负荷与燃料燃烧发出的热量之比,热效率越高,节能越好、越经济.下面不能提高热效率的是()。
A.降低空气过剩系数
B.降低烟囱排烟温度
C.改善燃料组分
D.减少加热炉的散热损失
点击查看答案
本题答案:C
本题解析:暂无解析
81、单项选择题 弹性式压力表是根据()的弹性变形与所受压力成一定比例关系来测量压力的
A、扇形齿轮
B、弹性元件
C、游丝
点击查看答案
本题答案:B
本题解析:暂无解析
82、单项选择题 调节阀在同一输入信号上所测得的正反行程的最大差值为()。
A.调节阀基本误差
B.调节阀回差
C.行程偏差
D.调节阀始终点偏差
点击查看答案
本题答案:B
本题解析:暂无解析
83、单项选择题 热电势的大小与()有关.
A.热电偶材料
B.热电偶两端温度
C.与热电偶材料,两端温度都有关
D.与热电偶材料,两端温度都无关
点击查看答案
本题答案:C
本题解析:暂无解析
84、填空题 DDZ——Ⅲ型压力变送器输出无规则变化,其原因是:1()2()。
点击查看答案
本题答案:放大器和导线联接有虚焊、反馈动圈与壳体短路
本题解析:试题答案放大器和导线联接有虚焊、反馈动圈与壳体短路
85、单项选择题 以下哪种MTL隔离栅可实现隔离并传送安全区控制器的4-20mA信号以驱动危险区负载的功能?()
A.数字量输入式隔离栅
B.模拟量输入式隔离栅
C.数字量输出式隔离栅
D.模拟量输出式隔离栅
点击查看答案
本题答案:D
本题解析:暂无解析
86、单项选择题 气动调节器的校准要在全行程范围内检查给定针和测量针的()误差的校准。
A.横向
B.纵向
C.同步
D.异步
点击查看答案
本题答案:C
本题解析:暂无解析
87、单项选择题 用1.26%的丙烷标准样气来调校丙烷气体检测仪,该表指示约为()%LEL。(丙烷爆炸下限为2.2%)
A.57
B.104
C.28
D.17
点击查看答案
本题答案:A
本题解析:暂无解析
88、单项选择题 最常见的过电压保护措施是:()
A、快速开关
B、阻容保护
C、压敏电阻
D、快速熔断器
点击查看答案
本题答案:B
本题解析:暂无解析
89、填空题 电脉冲响应曲线转换为飞升曲线,是根据()原理进行的。
点击查看答案
本题答案:叠加
本题解析:试题答案叠加
90、单项选择题 系统受到干扰后过渡终了时被调参数的新的稳态值与给定值之差是()。
A.偏差
B.余差
C.新稳态值
D.新给定值
点击查看答案
本题答案:B
本题解析:暂无解析
91、单项选择题 以下哪种系统更适用于大部分控制变量是模拟量的控制过程?()
A.DCS
B.PLC
C.继电器控制系统
D.难以确定
点击查看答案
本题答案:A
本题解析:暂无解析
92、单项选择题 加热炉内液体燃料或气体燃料的燃烧是通过燃烧器进行的,根据燃料种类和炉型不同,我国现使用的燃烧器分为()。
A.气体燃烧器、液体燃烧器、油-气联合燃烧器三种
B.气体燃烧器、液体燃烧器二种
C.液体燃烧器、油-气联合燃烧器二种
D.气体燃烧器、油-气联合燃烧器二种
点击查看答案
本题答案:A
本题解析:暂无解析
93、问答题 什么是运算模块?
点击查看答案
本题答案:运算模块是相对独立的运算式子程序。
本题解析:试题答案运算模块是相对独立的运算式子程序。
94、单项选择题 自动调节系统中,有作用方向的是()。
A.调节器
B.变送器、调节器
C.变送器、调节器、调节阀
D.变送器、调节器、调节阀、对象
点击查看答案
本题答案:D
本题解析:暂无解析
95、问答题 可编程调节器监控系统具有哪些功能?
点击查看答案
本题答案:1)监控程序包
2)自诊断功能
3
本题解析:试题答案1)监控程序包
2)自诊断功能
3)停电处理
96、填空题 标准孔极的角接取压有两种方式,即()和()。
点击查看答案
本题答案:环室角接取压、单独钻孔角接取压
本题解析:试题答案环室角接取压、单独钻孔角接取压
97、单项选择题 SMD4065自动化校验仪开机无显示的原因是()。
A.9V集层电池失电
B.后面板充电开关未拨下
C.输出断线或短路
D.插头接触不良
点击查看答案
本题答案:A
本题解析:暂无解析
98、单项选择题 PHA喷墨记录仪数据输出有()方式。
A.荧光管显示
B.曲线记录
C.数字打印
D.以上三种
点击查看答案
本题答案:D
本题解析:暂无解析
99、单项选择题 仪表输出量变化与引起该变化的输入变化量的比值叫()
A、精确度
B、灵活度
C、灵敏度
点击查看答案
本题答案:C
本题解析:暂无解析
100、单项选择题 仪表专业敷设进装置气动主管路公称直径多为()。
A.DN100
B.DN50
C.DN25
D.DN15
点击查看答案
本题答案:C
本题解析:暂无解析
101、单项选择题 测量乙炔压力时,密封垫片不能选用的是()。
A.平齐
B.插入其内
C.插入其内并弯向介质来流方向
D.都可以
点击查看答案
本题答案:C
本题解析:暂无解析
102、单项选择题 电磁流量计的测量导管材质不能选用()。
A.1Cr18Ni9Ti耐酸不锈钢
B.铁
C.玻璃钢
D.铝合金
点击查看答案
本题答案:B
本题解析:暂无解析
103、单项选择题 某装置用吹气式液位计测地下罐液位,若某一刻在最高液位时仍有气泡逸出,则表示吹气量()。
A.偏大
B.合适
C.偏小
D.不确定
点击查看答案
本题答案:B
本题解析:暂无解析
104、单项选择题 要求调节阀流通能力大,使用压差大,允许有一定的泄漏量的调节阀应选()。
A.直通单座阀
B.直通双座阀
C.角形阀
D.三通阀
点击查看答案
本题答案:B
本题解析:暂无解析
105、单项选择题 气动靶式流量计振荡的根本原因是()。
A.流体直接冲击靶片
B.靶片安装不合理
C.靶片的阻尼太小
D.介质流动不平稳
点击查看答案
本题答案:C
本题解析:暂无解析
106、单项选择题 测量气体时,压力取压口应在管道的()。
A、上半部分
B、下半部分
C、管道水平中心线以下成0°~45°夹角内
D、以上都不是
点击查看答案
本题答案:A
本题解析:暂无解析
107、填空题 集散控制系统由()部分、()部分和()部分组成。
点击查看答案
本题答案:集中管理、分散控制监测、通信
本题解析:试题答案集中管理、分散控制监测、通信
108、单项选择题 在测量结果中能准确读出的是()
A、有效数字
B、欠准数字
C、可靠数字
点击查看答案
本题答案:C
本题解析:暂无解析
109、单项选择题 调节器的调节规律就是调节器的()的变化规律。
A.偏差随输入
B.输出随输入
C.输入随输出
D.偏差随输出
点击查看答案
本题答案:B
本题解析:暂无解析
110、单项选择题 在高精度场合,用热电阻测温时,为了完全消除引线内阻对测量的影响,热电阻引线方式采用()。
A.两线制
B.三线制
C.四线制
D.五线制
点击查看答案
本题答案:C
本题解析:暂无解析
111、单项选择题 DDZ-Ⅲ型温度变送器与热电偶配合使用,在输入回路连接时,应使冷端温度补偿电阻Rcu()。
A.置与补偿导线室内接线端温度相同外
B.置于室温,感受室温变化
C.置于温度恒定处
D.以上都可以
点击查看答案
本题答案:A
本题解析:暂无解析
112、单项选择题 以下哪种法兰的密封面形式适用于剧毒介质的管道连接?()
A.平面法兰
B.凹凸面法兰
C.榫槽面法兰
D.以上都不是
点击查看答案
本题答案:C
本题解析:暂无解析
113、单项选择题 从干扰发生起至被控变量恢复到新的稳态值的±5%范围内不再超出所经历的时间是()。
A.衰减比
B.余差
C.过渡时间
D.振荡周期
点击查看答案
本题答案:C
本题解析:暂无解析
114、单项选择题 修正值是指()
A、标准表指示值-----被检表指示值
B、被检表指示值----标准表指示值
C、基本误差值。
点击查看答案
本题答案:A
本题解析:暂无解析
115、单项选择题 电源电动势和内阻构成()。
A.外电路
B.主电路
C.辅助电路
D.内电路
点击查看答案
本题答案:D
本题解析:暂无解析
116、单项选择题 当输入偏差大于零(或小于零)时,调节器输出为最大;而当偏差小于零(或大于零)时,调节器输出为最小的调节规律是()。
A.两位式调节规律
B.比例调节控制
C.积分调节规律
D.微分调节规律
点击查看答案
本题答案:A
本题解析:暂无解析
117、单项选择题 当()时,输出也增大的调节器称为正作用调节器。
A.测量大于给定
B.测量小于给定
C.偏差减小
D.偏差增大
点击查看答案
本题答案:D
本题解析:暂无解析
118、单项选择题 阀芯结构成圆球形状、流体从贯通圆球中心的通孔中流过,这种结构的阀芯是()。
A.蝶阀阀芯
B.偏心旋转阀芯
C.“O”形阀芯
D.“V”形阀芯
点击查看答案
本题答案:C
本题解析:暂无解析
119、单项选择题 单位时间内通过管道某一截面的物质数量称()
A、累积流量
B、瞬时流量
点击查看答案
本题答案:B
本题解析:暂无解析
120、单项选择题 与阀笼配合作用,阀芯有平衡孔,只需改变阀笼窗孔形状或小孔直径的排列,就可以改变阀的特性,这种与阀笼配合决定阀特性的阀芯是()。
A.柱塞型阀芯
B.窗口型阀芯
C.多级阀芯
D.套筒阀阀芯
点击查看答案
本题答案:D
本题解析:暂无解析
121、单项选择题 指针式万用表采用的是()仪表测量机构。
A.电磁式
B.感应式
C.静电式
D.磁电式
点击查看答案
本题答案:D
本题解析:暂无解析
122、单项选择题 比例积分微分调节器适用于()。
A.负荷变化较小,纯滞后不太大,时间常数较大,工艺要求不高的调节系统
B.负荷变化不大,单容量对象,时间常数较大,纯滞后较小的调节系统
C.负荷变化不大,纯滞后不太大,时间常数不太大,不允许有偏差的调节系统
D.容量滞后大,纯滞后不太大,不允许有余差的对象
点击查看答案
本题答案:D
本题解析:暂无解析
123、填空题 量波动频繁剧烈的介质压力时,应加装()和()。
点击查看答案
本题答案:缓冲器、阻尼器
本题解析:试题答案缓冲器、阻尼器
124、单项选择题 交通信号控制系统属于()
A.反馈控制系统
B.定值控制系统
C.随动控制系统
D.时间顺序控制系统
点击查看答案
本题答案:D
本题解析:暂无解析
125、填空题 可编程序控制器及有关外围设备都按易于与工业系统(),易于()的原则设计。
点击查看答案
本题答案:成一个整体、扩充
本题解析:试题答案成一个整体、扩充
126、填空题 使用平衡式容器测量水位时()的变化,使得饱和水和饱和蒸汽的()变化,是水位计产生测量误差的原因。
点击查看答案
本题答案:汽包压力、数值
本题解析:试题答案汽包压力、数值
127、填空题 电子电位差计的感元件是()电子平衡电桥的感温元件是()。
点击查看答案
本题答案:热电偶、热电阻
本题解析:试题答案热电偶、热电阻
128、单项选择题 利用超声波原理进行流量测量的方法主要有相差法、频差法、时差法以及声束编段法、多普勒效应法等,常采用消除声速影响的方法是()。
A.时差法
B.相差法
C.频差法
D.声束编段法
点击查看答案
本题答案:C
本题解析:暂无解析
129、单项选择题 如果浮球液位计的浮球破,则仪表输出最有可能的是()。
A.偏大
B.最小
C.偏小
D.任意值
点击查看答案
本题答案:B
本题解析:暂无解析
130、单项选择题 某水玻璃加热炉正常炉膛温度为1400℃左右,则最适宜的测温热电偶为()。
A.B型
B.K型
C.T型
D.E型
点击查看答案
本题答案:A
本题解析:暂无解析
131、问答题 计量检定人员的职责是什么?
点击查看答案
本题答案:1)正确使用计量标准,并负责维护、保养,使其保持良好的
本题解析:试题答案1)正确使用计量标准,并负责维护、保养,使其保持良好的技术状况。
2)执行计量技术法规,进行计量检定工作。
3)保证计量检定的原始数据和有关技术资料完整。
4)承办政府计量行政部门委托的有关任务。
132、填空题 以完全真空作零标准表压的压力称为()。
点击查看答案
本题答案:绝对压力
本题解析:试题答案绝对压力
133、单项选择题 如果压力式温度变送器的温包漏气,则以下说法正确的是()。
A.仪表零点下降,测量范围减小
B.仪表零点下降,测量范围增大
C.仪表零点上升,测量范围减小
D.仪表零点上升,测量范围增大
点击查看答案
本题答案:B
本题解析:暂无解析
134、单项选择题 下列对阀门定位器的叙述正确的是()。
A.阀门定位器的输出信号大小与输入信号大小成正比
B.阀门定位器的输出信号大小与输入信号大小成反比
C.阀杆行程与阀门定位器的输入信号大小成正比
D.阀杆行程与阀门定位器的输出信号大小成正比
点击查看答案
本题答案:C
本题解析:暂无解析
135、单项选择题 调节器属于电动单元组合仪表中的()
A、辅助单元
B、调节单元
C、执行单元
点击查看答案
本题答案:B
本题解析:暂无解析
136、单项选择题 在具有多个输入信号的对象中,选取控性()的信号作为调节变量信号
A、较好
B、较差
点击查看答案
本题答案:A
本题解析:暂无解析
137、单项选择题 根据计量器具的结构、性能、使用频度等制定的两次检定工作的间隔期,称为检定周期,按检定周期进行的检定称为()。
A.抽样检定
B.周期检定
C.临时检定
D.仲裁检定
点击查看答案
本题答案:B
本题解析:暂无解析
138、单项选择题 电容式压力仪表的电容量在()条件下才可认为它与位移之间有线性关系。
A.动极片移动距离对两极片之间距离d来说非常小
B.动极片移动距离对两极片之间距离d来说非常大
C.动极片移动距离与两极片间距d相符
D.不存在动极片移动距离与两极片间距d相符
点击查看答案
本题答案:A
本题解析:暂无解析
139、单项选择题 我国现行温标是()
A、1990年国际温标
B、1968年国际实用温标
点击查看答案
本题答案:A
本题解析:暂无解析
140、单项选择题 调节阀在调节系统使用时的流量特性是()。
A.理想流量特性
B.工作特性
C.修正特性
D.相对特性
点击查看答案
本题答案:B
本题解析:暂无解析
141、单项选择题 调节阀在信号下限或上限处的基本误差为()。
A.调节阀基本误差
B.调节阀回差
C.行程偏差
D.调节阀始终点偏差
点击查看答案
本题答案:D
本题解析:暂无解析
142、单项选择题 阻值在0.01Ω以上的标准电阻箱一般用()绕制。
A.电阻
B.锰钢
C.锰铜带
D.锰铜丝
点击查看答案
本题答案:D
本题解析:暂无解析
143、单项选择题 一个热电阻()与两个显示仪表并联使用
A、可以
B、不可以
点击查看答案
本题答案:B
本题解析:暂无解析
144、单项选择题 用热电阻测量温差时,在温度变送器桥路中应该采用()接法,两个热电阻引线长度应相等,布线位置的环境温度应一致,以免影响测量精度。
A.四线制
B.三线制
C.二线制
D.以上都可以
点击查看答案
本题答案:C
本题解析:暂无解析
145、单项选择题 有三只电阻,阻值均为R,它们串联总电阻为()。
A.R/3
B.2R/3
C.3R
D.1.5R
点击查看答案
本题答案:C
本题解析:暂无解析
146、单项选择题 可编程调节器开关量输入信号,通常采用()与变压器偶合方式
A、电容偶合
B、光电偶合
点击查看答案
本题答案:B
本题解析:暂无解析
147、单项选择题 微分时间是描述()的一个物理量。
A.微分速度
B.微分作用强弱
C.输入偏差的变化速度
D.超调时间
点击查看答案
本题答案:B
本题解析:暂无解析
148、单项选择题 测量额定电压为220V电缆的绝缘电阻应选用()V兆欧表。
A.500
B.2000
C.2500
D.5000
点击查看答案
本题答案:A
本题解析:暂无解析
149、问答题 自动调节设备能代替人的哪些器官的功能?
点击查看答案
本题答案:在自动调节设备中,检测仪表相当于人耳目,调节仪表相当于
本题解析:试题答案在自动调节设备中,检测仪表相当于人耳目,调节仪表相当于人的大脑,执行器则相当于人的手。
150、单项选择题 下面可以用二支相同类型的热电偶反相串联起来测量两点温差的热电偶是()。
A.铂铑铂30—铂铑-6
B.铂铑30—铂
C.镍铬—镍硅
D.以上都可以
点击查看答案
本题答案:C
本题解析:暂无解析
151、单项选择题 根据经验先将调节器参数放在某些数值上,直接在闭合的控制系统中,逐步反复凑试,观察调节过程曲线形状,直到调节质量合格为止的整定方法是()。
A.经验法
B.临界比例度法
C.衰减曲线法
D.反应曲线法
点击查看答案
本题答案:A
本题解析:暂无解析
152、单项选择题 若硫化氢检测报警仪的检测范围下限为零,则上限应为()。
A.允许浓度
B.最高允许浓度
C.小于3倍最高允许浓度
D.大于3倍最高允许浓度
点击查看答案
本题答案:D
本题解析:暂无解析
153、填空题 按系统结构区分,调节系统可分为()系统、()系统和()调节系统。
点击查看答案
本题答案:开环、闭环、复合
本题解析:试题答案开环、闭环、复合
154、单项选择题 PHA喷墨记录仪当热电偶或热电阻断线时,仪表记录向()偏移。
A.100%方向
B.0%方向
C.50%方向
D.任意方向
点击查看答案
本题答案:A
本题解析: 暂无解析
155、单项选择题 转子流量计是利用流体流动的()为基础工作的一种流量测量仪表。
A、动量矩原理
B、动压原理
C、能量守恒原理
D、节流原理
点击查看答案
本题答案:B
本题解析:暂无解析
156、单项选择题 自动调节系统被控对象特性是指被控对象的输入量发生变化时,对象的()变化的规律。
A.测量值
B.扰动量
C.输出量
D.操作变量
点击查看答案
本题答案:C
本题解析:暂无解析
157、单项选择题 有三只电阻,阻值均为R,它们并联总电阻为()。
A.3R
B.2R/3
C.R/3
D.R
点击查看答案
本题答案:C
本题解析:暂无解析
158、单项选择题 精确度用来反映仪表测量()偏离真值的程度
A、误差
B、结果
C、方法
点击查看答案
本题答案:B
本题解析:暂无解析
159、单项选择题 用兆欧表检查线路绝缘时,与齐纳式安全栅的连接导线应()。
A.短接
B.断开
C.无关
D.接地
点击查看答案
本题答案:B
本题解析:暂无解析
160、单项选择题 1151系列电容式压力(差压)变送器的测量部分的敏感原件为()
A、可变电阻
B、可变电容
C、应变片
点击查看答案
本题答案:B
本题解析:暂无解析
161、单项选择题 在纯比例作用下,由大到小调整比例度以得到具有衰减比的过渡过程,根据此时的比例度σS及振荡周期TS,对照经验公式求出相应的积分时间TI和微分时间TD的方法是()。
A.经验法
B.临界比例度法
C.衰减曲线法
D.反应曲线法
点击查看答案
本题答案:C
本题解析:暂无解析
162、单项选择题 对铝导线的叙述错误的是()。
A.导电性能好
B.容易加工
C.容易焊接
D.资源丰富、价格便宜
点击查看答案
本题答案:C
本题解析:暂无解析
163、单项选择题 导压管的选择与被测介质的()有关。
A.物理性质
B.化学性质
C.操作条件
D.以上三项
点击查看答案
本题答案:D
本题解析:暂无解析
164、单项选择题 可编程调节器的的模拟量输出信号有()两种,有各自输出通道
A、电压、电流
B、频率、脉冲
点击查看答案
本题答案:A
本题解析:暂无解析
165、单项选择题 根据传热过程的本质区分,热量的传递基本方式为()。
A.导热
B.对流
C.辐射
D.以上都是
点击查看答案
本题答案:D
本题解析:暂无解析
166、单项选择题 浮筒界面变送器在现场调整仪表零位,首先应()。
A.将浮筒变送器中介质放空
B.在浮筒内充满轻质液体
C.在浮筒内充满重质液体
D.以上都可行
点击查看答案
本题答案:B
本题解析:暂无解析
167、单项选择题 阶跃变化的扰动称为()
A、阶跃扰动
B、矩形脉冲扰动
点击查看答案
本题答案:A
本题解析:暂无解析
168、单项选择题 用电子电位差计配热电偶(假定其热电偶特性是线性的)进行温度测量,假定室温为20℃,仪表指示300℃,问此时桥路输出的电压等于()。
A.热电偶在300℃时的热电势
B.热电偶在280℃时的热电势
C.热电偶在320℃时的热电势
D.等于0
点击查看答案
本题答案:B
本题解析:暂无解析
169、单项选择题 利用半导体器件的()特性可实现整流。
A.伏安
B.稳压
C.单向导电
D.反向
点击查看答案
本题答案:C
本题解析:暂无解析
170、问答题 什么是测频法?
点击查看答案
本题答案:所谓测频法就是测量电信号频率的方法,即测量某电信号单位
本题解析:试题答案所谓测频法就是测量电信号频率的方法,即测量某电信号单位时间内的脉冲数 。
171、问答题 电极式水位计时根据什么原理测量水位的?
点击查看答案
本题答案:电极式水位计是利用饱和蒸汽与饱和蒸汽凝结水的电导率的差
本题解析:试题答案电极式水位计是利用饱和蒸汽与饱和蒸汽凝结水的电导率的差异,将非电量的锅炉水位转换成电信号,并由二次仪表来远距离地显示水位。
172、单项选择题 电磁流量计可采用()激磁方式产生磁场。
A.直流电
B.永久磁铁
C.交流电
D.以上三种
点击查看答案
本题答案:D
本题解析:暂无解析
173、单项选择题 补偿导线只能和()相同的热电偶配用
A、型号
B、材料
C、温度
点击查看答案
本题答案:A
本题解析:暂无解析
174、填空题 根据动力能源的不同,执行机构分为()、()和()执行机构。
点击查看答案
本题答案:电动、汽动、液动
本题解析:试题答案电动、汽动、液动
175、问答题 波纹管差计有哪些特点?
点击查看答案
本题答案:双波纹管差压计具有单向过载保护,准确度高,阻尼时间可调
本题解析:试题答案双波纹管差压计具有单向过载保护,准确度高,阻尼时间可调等特点,结构简单、调试方便、运行可靠。
176、单项选择题 调节器选型依据()来选择。
A.调节器的规律
B.调节规律对调节质量的影响
C.调节器的结构型式
D.调节回路的组成
点击查看答案
本题答案:B
本题解析:暂无解析
177、单项选择题 罗茨流量计流向装反,则指针()。
A.顺转
B.逆转
C.不转
D.以上都有可能
点击查看答案
本题答案:B
本题解析:暂无解析
178、单项选择题 自动调节设备能代替人的身体器官,其中执行器相当于人的()
A、耳目
B、大脑
C、手
点击查看答案
本题答案:C
本题解析:暂无解析
179、单项选择题 气动阀门定位器一般由凸轮机构、量程机构、零位机构、反馈杆等组件构成,其中能改变阀门的行程特性的组件是()。
A.量程机构
B.零位机构
C.凸轮机构
D.反馈杆
点击查看答案
本题答案:C
本题解析:暂无解析
180、单项选择题 请指出下列哪一个逻辑运算等式是错误的?()
A.A+¯A=1
B.A+1=1
C.A.A=A.
D.A+0=0
点击查看答案
本题答案:D
本题解析:暂无解析
181、单项选择题 射极输出器是共()放大电路。
A.发射极
B.集电极
C.基极
D.阳极
点击查看答案
本题答案:B
本题解析:暂无解析
182、单项选择题 定值调节的被控变量可以根据()直接选择。
A.工艺控制指标
B.测量方便的要求
C.控制方便
D.响应积极
点击查看答案
本题答案:A
本题解析:暂无解析
183、单项选择题 智能型电气阀门定位器一般由()组件构成。
A.微处理器(CPU),A/D和D/A转换器
B.微处理器(CPU),A/D和D/A转换器,压电导向控制的气阀
C.微处理器(CPU),压电导向控制的气动阀、反馈机构
D.微处理器(CPU),A/D和D/A转换器,压电导向控制的气动阀、反馈机构
点击查看答案
本题答案:B
本题解析:暂无解析
184、单项选择题 把几个阀芯串接在一起,起逐级降压作用,用于高压差阀中,防止气蚀破坏作用,这种结构形式的阀芯是()。
A.柱塞型阀芯
B.窗口型阀芯
C.多级阀芯
D.套筒阀阀芯
点击查看答案
本题答案:C
本题解析:暂无解析
185、单项选择题 标准铂电阻温度计分为()。
A.基准和工作基准两种
B.基准和一等标准、二等标准三种
C.工作基准、一等标准、二等标准三种
D.基准、工作基准、一等标准、二等标准四种
点击查看答案
本题答案:D
本题解析:暂无解析
186、单项选择题 无纸记录仪的滤波时间指()。
A.对输入信号进行线性化处理
B.对输入信号进行阻尼处理
C.对输出信号进行线性化处理
D .对输出信号进行阻尼处理
点击查看答案
本题答案:B
本题解析:暂无解析
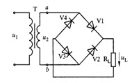
187、问答题 试绘出单相桥式整流电路的电路图。
点击查看答案
本题答案:
试题答案
188、单项选择题
用一台电动浮筒液位计测量界面,已知W=1760gf,V=1258cm3,两种液位的重读为r轻=0.8gf/cm3,r重=1.2gf/cm3,则界位为20%时下列答案正确的是()。
A.仪表的输出为7.2mA,应的挂重重量为351.04gf
B.仪表的输出为7.2mA,应的挂重重量为652.96gf
C.仪表的输出为6.8mA,应的挂重重量为351.04gf
D.仪表的输出为6.82mA,应的挂重重量为652.96gf
点击查看答案
本题答案:B
本题解析:暂无解析
189、单项选择题 铂电阻中铂的纯度常以R100/R0来表示,则下列说法正确的是()。
A.纯度越高,铂热电阻的性能就越好
B.纯度越高,铂热电阻的性能就越差
C.纯度越低,铂热电阻的性能就越好
D.纯度越低,铂热电阻的性能就越差
点击查看答案
本题答案:A
本题解析:暂无解析
190、单项选择题 在控制过程中手/自动切换时最基本的要求是()。
A.手/自动可互相跟踪
B.无扰动
C.切换时的扰动量必须在一定范围内
D.根据当时运行工况而定
点击查看答案
本题答案:B
本题解析:暂无解析
191、单项选择题 把热量由温度较高的热载体传给温度较低的冷载体的设备叫换热设备,总称换热器,炼油厂使用换热器的主要目的是()。
A.加热原料
B.回收热量
C.冷却产品
D.以上都是
点击查看答案
本题答案:D
本题解析:暂无解析
192、单项选择题 气动压力变送器接通气源后仪表无输出,则下列因素最不可能的是()。
A.放大器恒节流孔堵
B.挡板盖不上喷嘴
C.放大器钢球脏
D.输出管路堵塞
点击查看答案
本题答案:C
本题解析:暂无解析
193、单项选择题 选择调节器正、反作用的目的是使调节器、调节阀、对象三个环组合起来在控制系统中起到()作用。
A.调节作用
B.正反馈
C.闭环负反馈
D.闭环作用
点击查看答案
本题答案:C
本题解析:暂无解析
194、单项选择题 某反应器的工作温度控制为300℃,测量误差不超过±3℃,则选用最恰当的热电偶是()。
A.B型
B.S型
C.K型
D.E型
点击查看答案
本题答案:D
本题解析:暂无解析
195、单项选择题 分馏塔在操作中往往会发生一些不正常的现象,如淹塔,严重雾沫夹带,严重泡沫夹带和泄露等,试问如果塔内塔板上的汽相负荷过小会引起()。
A.淹塔
B.泄露
C.严重雾沫夹带
D.严重气泡夹带
点击查看答案
本题答案:B
本题解析:暂无解析
196、问答题 电极式水位计的水位发送器包括哪几部分?
点击查看答案
本题答案:电极式水位发送器由水位容器和电极等组成。
本题解析:试题答案电极式水位发送器由水位容器和电极等组成。
197、单项选择题 热力学温度的法定计量单位名称是()
A、开尔文
B、摄氏度
C、华氏度
点击查看答案
本题答案:A
本题解析:暂无解析
198、问答题 扩散硅压力变送器主要由哪两部分组成?
点击查看答案
本题答案:扩散硅压力变送器主要由硅杯和转换电路组成。
本题解析:试题答案扩散硅压力变送器主要由硅杯和转换电路组成。
199、填空题 模拟量输出通道由()转换器、()开关和()三部分组成。
点击查看答案
本题答案:D/A、通道选择、保持器
本题解析:试题答案D/A、通道选择、保持器
200、单项选择题 SUPCONJX-300X是()公司的DCS产品。
A.浙大中控
B.Honeywell
C.Fisher-Rosemount
D.FOXBORO
点击查看答案
本题答案:A
本题解析:暂无解析
题库试看结束后
微信扫下方二维码即可打包下载完整版《
★仪表工考试》题库
手机用户可保存上方二维码到手机中,在微信扫一扫中右上角选择“从相册选取二维码”即可。
题库试看结束后
微信扫下方二维码即可打包下载完整版《
仪表工考试:中级仪表工》题库,
分栏、分答案解析排版、小字体方便打印背记!经广大会员朋友实战检验,此方法考试通过率大大提高!绝对是您考试过关的不二利器!
手机用户可
保存上方二维码到手机中,在
微信扫一扫中右上角选择“从
相册选取二维码”即可。