手机用户可
保存上方二维码到手机中,在
微信扫一扫中右上角选择“从
相册选取二维码”即可。
1、单项选择题
设图7.5-14所示电路的2个D触发器的初始状态为"0",则该电路是()。

A.异步二进制计数器
B.同步三进制计数器
C.异步四进制计数器
D.同步五进制计数器
点击查看答案
本题答案:微信扫下方二维码即可打包下载完整带答案解析版《★电气工程公共基础》或《电气工程公共基础:电工电子技术》题库
2、单项选择题 下面四个继电接触控制主电路中,不能实现电动机正反转控制的是()。
A.
B.
C.
D.
点击查看答案
本题答案:微信扫下方二维码即可打包下载完整带答案解析版《★电气工程公共基础》或《电气工程公共基础:电工电子技术》题库
3、单项选择题
已知电路如图所示,若用端电压为电压源元件和复阻抗ZS的串联组合对有源二端网络NA进行等效,则()。

A.
B.
C.
D.
点击查看答案
本题答案:微信扫下方二维码即可打包下载完整带答案解析版《★电气工程公共基础》或《电气工程公共基础:电工电子技术》题库
4、单项选择题
已知某二端网络N的端口电压u(t)=100sin(ωt+60°)V,则不正确的描述形式为()。

A.
B.
C.
D.
点击查看答案
本题答案:微信扫下方二维码即可打包下载完整带答案解析版《★电气工程公共基础》或《电气工程公共基础:电工电子技术》题库
5、单项选择题
在图7.4-34示运算放大器应用电路中,电路参数已知,那么在输入信号的作用下,输出uo等于()。

A.
B.
C.[
]
D.
点击查看答案
本题答案:微信扫下方二维码即可打包下载完整带答案解析版《★电气工程公共基础》或《电气工程公共基础:电工电子技术》题库
6、单项选择题 在继电一接触器控制电路中,自锁触头起着失电压保护作用,保护的功能是()。
A.防止电源电压降低时,电动机突然停机
B.防止电源电压降低时,电动机带不动负载而烧毁
C.防止突然停电后再恢复供电时,吸引线圈短路
D.防止突然停电后再恢复供电时,电动机自行起动
点击查看答案
本题答案:微信扫下方二维码即可打包下载完整带答案解析版《★电气工程公共基础》或《电气工程公共基础:电工电子技术》题库
7、单项选择题
如图7-48所示的控制电路中,交流接触器KM1、KM2分别控制电动机M1和M2,以下叙述正确的是()。

A.M1、M2可以独立运行,互不影响
B.M1起动后,M2才能起动
C.先将M1起动,随后M2自行起动
D.先将M2起动,M1不能自行起动
点击查看答案
本题答案:微信扫下方二维码即可打包下载完整带答案解析版《★电气工程公共基础》或《电气工程公共基础:电工电子技术》题库
8、单项选择题 三相交流异步电动机可带负载起动,也可空载起动,比较两种情况下,电动机起动电流的大小()。
A.有载>空载
B.有载<空载
C.有载=空载
D.不好确定
点击查看答案
本题答案:微信扫下方二维码即可打包下载完整带答案解析版《★电气工程公共基础》或《电气工程公共基础:电工电子技术》题库
9、单项选择题
如图所示电路是一个()。

A.带通滤波器
B.高通滤波器
C.低通滤波器
D.带阻滤波器
点击查看答案
本题答案:微信扫下方二维码即可打包下载完整带答案解析版《★电气工程公共基础》或《电气工程公共基础:电工电子技术》题库
10、单项选择题
图7-3电路消耗电功率2W,则下列表达式中正确的是()。

A.(8+R)I2=2,(8+R)I=10
B.(8+R)I2=2,-(8+R)I=10
C.-(8+R)I2=2,-(8+R)I=10
D.-(8+R)I22=2,(8+R)I=10
点击查看答案
本题答案:微信扫下方二维码即可打包下载完整带答案解析版《★电气工程公共基础》或《电气工程公共基础:电工电子技术》题库
11、单项选择题
利用电压源与电流源等效互换的方法求解图所示电路中的电压US。的正确过程是()。

A.
B.
C.
D.
点击查看答案
本题答案:微信扫下方二维码即可打包下载完整带答案解析版《★电气工程公共基础》或《电气工程公共基础:电工电子技术》题库
12、单项选择题 三相异步电动机的运行效率,如下说法正确的是()。
A.运行效率与功率为单调增关系
B.若PM为效率最高时的负载,则[0,PM]区间内的运行效率与功率为单调增关系
C.运行效率与功率为单调减关系
D.若PM为效率最高时的负载,则[0,PM]区间内的运行效率与功率为单调减关系
点击查看答案
本题答案:微信扫下方二维码即可打包下载完整带答案解析版《★电气工程公共基础》或《电气工程公共基础:电工电子技术》题库
13、单项选择题 三相异步电动机的工作效率与功率因数随负载的变化规律是()。
A.空载时,工作效率为0,负载越大效率越高
B.空载时,功率因数较小,接近满负荷时达到最大值
C.功率因数与电动机的结构和参数有关,和负载无关
D.负载越大,功率因数越大
点击查看答案
本题答案:微信扫下方二维码即可打包下载完整带答案解析版《★电气工程公共基础》或《电气工程公共基础:电工电子技术》题库
14、单项选择题
电路如图7-4所示,已知I=1A,Us为()V。

A.-1
B.-3
C.2.4
D.4
点击查看答案
本题答案:微信扫下方二维码即可打包下载完整带答案解析版《★电气工程公共基础》或《电气工程公共基础:电工电子技术》题库
15、单项选择题 如果称平滑调速为连续(无级)调速,那么属于连续调速的方法是()。
A.调磁极对数调速
B.调转差率调速
C.调频调速
D.调磁极对数调速、调转差率调速、调频调速
点击查看答案
本题答案:微信扫下方二维码即可打包下载完整带答案解析版《★电气工程公共基础》或《电气工程公共基础:电工电子技术》题库
16、单项选择题 在R=6kΩ、L=4H、C=1μF三个元件串联的电路中,电路的暂态属于下列哪种类型?()
A.非振荡
B.振荡
C.临界振荡
D.不能确定
点击查看答案
本题答案:微信扫下方二维码即可打包下载完整带答案解析版《★电气工程公共基础》或《电气工程公共基础:电工电子技术》题库
17、单项选择题
图示双极型晶体管(简称晶体管)的小信号模型为()。

A.
B.
C.
D.
点击查看答案
本题答案:微信扫下方二维码即可打包下载完整带答案解析版《★电气工程公共基础》或《电气工程公共基础:电工电子技术》题库
18、单项选择题
如图7.4-5所示整流电路,设其非故障状态下的输出电压uo的平均值Uo=18V,若二极管D1因损坏而断开,则输出电压uo的波形及其平均值Uo为()。

A.
B.
C.
D.
点击查看答案
本题答案:微信扫下方二维码即可打包下载完整带答案解析版《★电气工程公共基础》或《电气工程公共基础:电工电子技术》题库
19、单项选择题
电路如图7-30所示,开关S闭合前电路已达稳态,t=0时S闭合,电路的时间常数等于()。

A.L/R3
B.
C.
D.
点击查看答案
本题答案:微信扫下方二维码即可打包下载完整带答案解析版《★电气工程公共基础》或《电气工程公共基础:电工电子技术》题库
20、单项选择题
二极管电路如图7-49所示,三个二极管的正向压降均为0.7V,它们的工作状态是()。

A.三管均导通
B.VD1截止,VD2、VD3导通
C.VD1导通,VD2、VD3截止
D.三管均截止
点击查看答案
本题答案:微信扫下方二维码即可打包下载完整带答案解析版《★电气工程公共基础》或《电气工程公共基础:电工电子技术》题库
21、单项选择题
在图7-33所示电路中,开关k在t=0时刻打开,此后,电流i的初始值和稳态值分别为()。

A.
B.
C.
D.
点击查看答案
本题答案:微信扫下方二维码即可打包下载完整带答案解析版《★电气工程公共基础》或《电气工程公共基础:电工电子技术》题库
22、单项选择题
如图7-34所示电路中,换路前处于稳态,换路后i(0)等于()A。

A.-1
B.-2
C.0.2
D.0
点击查看答案
本题答案:微信扫下方二维码即可打包下载完整带答案解析版《★电气工程公共基础》或《电气工程公共基础:电工电子技术》题库
23、单项选择题 对称三相负载接成三角形,功率为2.4kW,功率因数0.6,已知电源线电压UL=380V,通过负载的电流为()A。
A.6.08
B.3.51
C.10.53
D.8.24
点击查看答案
本题答案:微信扫下方二维码即可打包下载完整带答案解析版《★电气工程公共基础》或《电气工程公共基础:电工电子技术》题库
24、单项选择题
电路如图7-17所示,已知I1=I2=1A,总电流I=()A。

A.2
B.1
C.
D.
点击查看答案
本题答案:微信扫下方二维码即可打包下载完整带答案解析版《★电气工程公共基础》或《电气工程公共基础:电工电子技术》题库
25、单项选择题
图a所示二端口网络NA的外特性如图B所示,NA的等效电源模型为()。

A.
B.
C.
D.
点击查看答案
本题答案:微信扫下方二维码即可打包下载完整带答案解析版《★电气工程公共基础》或《电气工程公共基础:电工电子技术》题库
26、单项选择题 叠加原理只适用于分析下列选项中()的电压、电流问题。
A.无源电路
B.线性电路
C.非线性电路
D.不含电感、电容元件的电路
点击查看答案
本题答案:微信扫下方二维码即可打包下载完整带答案解析版《★电气工程公共基础》或《电气工程公共基础:电工电子技术》题库
27、单项选择题
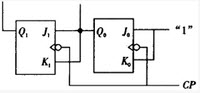
如图所示电路,设Q1、Q0的原状态为00,送入一个CP脉冲后的新状态为()。

A.11
B.10
C.01
D.00
点击查看答案
本题答案:微信扫下方二维码即可打包下载完整带答案解析版《★电气工程公共基础》或《电气工程公共基础:电工电子技术》题库
28、单项选择题
如图7-46所示的控制电路中,交流接触器KM1、KM2分别控制电动机M1、M2(主电路未画出),当按下SB2后,电路的工作情况为()。

A.KM1、KM2和KT线圈同时通电,M1和M2同时起动
B.KM1和KT线圈同时通电,M1起动,KT的延时闭合,动合触点经过一定时间延时后,接通KM2线圈,使M2起动
C.KM1线圈通电,M1起动,经过一定时间,KT和KM2线圈同时通电,M2起动
D.KM1和KM2线圈同时通电,M2起动,经过一定时间,KT线圈通电,M1起动
点击查看答案
本题答案:微信扫下方二维码即可打包下载完整带答案解析版《★电气工程公共基础》或《电气工程公共基础:电工电子技术》题库
29、单项选择题
如图7-27所示三相对称三线制电路中,线电压为380V,且各负载Z=R=22Ω。此时功率表读数为()W。

A.3800
B.2200
C.0
D.6600
点击查看答案
本题答案:微信扫下方二维码即可打包下载完整带答案解析版《★电气工程公共基础》或《电气工程公共基础:电工电子技术》题库
30、单项选择题
在图7-32所示电路中,已知:R1=R3=4kΩ,R2=2kΩ,C=2μF,U=20V,换路后电容电流iC的变化规律是()mA。

A.
B.
C.
D.
点击查看答案
本题答案:微信扫下方二维码即可打包下载完整带答案解析版《★电气工程公共基础》或《电气工程公共基础:电工电子技术》题库
31、单项选择题 射极输出器的主要特点是()。
A.输出电压与输入电压反相,无电压放大,有电流放大作用
B.输出电压与输入电压同相,有电压放大,无电流放大作用
C.电路的输入电阻高,输出电阻低,无电压放大,有电流放大作用
D.电路的输入电阻低,输出电阻高,既有电压放大,也有电流放大作用
点击查看答案
本题答案:微信扫下方二维码即可打包下载完整带答案解析版《★电气工程公共基础》或《电气工程公共基础:电工电子技术》题库
32、单项选择题
如图所示电路的戴维南等效模型为()。

A.
B.
C.
D.
点击查看答案
本题答案:微信扫下方二维码即可打包下载完整带答案解析版《★电气工程公共基础》或《电气工程公共基础:电工电子技术》题库
33、单项选择题
如图7-10所示电路,U=12V、UE=10V、R=0.4kΩ,则电流I等于()A。

A.0.055
B.0.03
C.0.025
D.0.005
点击查看答案
本题答案:微信扫下方二维码即可打包下载完整带答案解析版《★电气工程公共基础》或《电气工程公共基础:电工电子技术》题库
34、单项选择题
如图7.2-54,已知电路在t=0s时刻和t=1s时刻出现两次换路。如果R1=R2=R3=10Ω、C=200μF,uC(0-)=0,那么如下描绘电容电压uC变化规律的波形是()。

A.
B.
C.
D.
点击查看答案
本题答案:微信扫下方二维码即可打包下载完整带答案解析版《★电气工程公共基础》或《电气工程公共基础:电工电子技术》题库
35、单项选择题
如图所示,M、N为电量相等的正电荷,XY为MN的垂直平分线,O为MN的中点。某重力不计的正电荷Q位于O点,先将Q向上移动很小距离后释放,电荷Q的受力方向为()。

A.垂直向下
B.垂直向上
C.左上方
D.右上方
点击查看答案
本题答案:微信扫下方二维码即可打包下载完整带答案解析版《★电气工程公共基础》或《电气工程公共基础:电工电子技术》题库
36、单项选择题 逻辑变量X与1异或结果是(),与0异或的结果是()。
A.0,1
B.1,0
C.,X
D.X,
点击查看答案
本题答案:微信扫下方二维码即可打包下载完整带答案解析版《★电气工程公共基础》或《电气工程公共基础:电工电子技术》题库
37、单项选择题
电路如图7-25所示,已知R=1kΩ,C=2μF,电路对f=500Hz的信号发生谐振,谐振时端口电流为0.1A,电流表的读数最接近于()A。

A.0.63
B.0.10
C.0.31
D.0.45
点击查看答案
本题答案:微信扫下方二维码即可打包下载完整带答案解析版《★电气工程公共基础》或《电气工程公共基础:电工电子技术》题库
38、单项选择题
图示电路在t=0s时刻和t=2s时刻出现两次换路,那么如下描绘电感电流iL变化规律的波形是()。

A.
B.
C.
D.
点击查看答案
本题答案:微信扫下方二维码即可打包下载完整带答案解析版《★电气工程公共基础》或《电气工程公共基础:电工电子技术》题库
39、单项选择题
图示运算放大器应用电路的输出uo与输入论的关系式是()。

A.
B.
C.
D.
点击查看答案
本题答案:微信扫下方二维码即可打包下载完整带答案解析版《★电气工程公共基础》或《电气工程公共基础:电工电子技术》题库
40、单项选择题
在如图所示电路中,晶体管工作于放大区,设各电路元件参数已知,若晶体管的电流放大倍数为β,则该电路的电压放大倍数和输出电阻分别为()。

A.
B.
C.
D.
点击查看答案
本题答案:微信扫下方二维码即可打包下载完整带答案解析版《★电气工程公共基础》或《电气工程公共基础:电工电子技术》题库
41、单项选择题 已知某二端网络N的端口电压u(t)=100sin(ωt+60°)V,则不正确描述该电压的相量形式为()。
A.
B.
C.
D.
点击查看答案
本题答案:微信扫下方二维码即可打包下载完整带答案解析版《★电气工程公共基础》或《电气工程公共基础:电工电子技术》题库
42、单项选择题
已知逻辑电路如图所示,经分析可知,输出F与输入信号X、Y之间的逻辑表达式为()。

A.
B.
C.
D.
点击查看答案
本题答案:微信扫下方二维码即可打包下载完整带答案解析版《★电气工程公共基础》或《电气工程公共基础:电工电子技术》题库
43、单项选择题
如图7-19所示电路,正弦电流i2的有效值I2=1A,电流i3的有效值I2=2A,因此电流i1的有效值I2等于()。

A.
B.1+2=3A
C.2-1=1A
D.不能确定
点击查看答案
本题答案:微信扫下方二维码即可打包下载完整带答案解析版《★电气工程公共基础》或《电气工程公共基础:电工电子技术》题库
44、单项选择题
运算放大器应用电路如图所示,设其输出饱和电压为±11V,输入电压为正弦信号,则输出电压uo的波形为()。

A.
B.
C.
D.
点击查看答案
本题答案:微信扫下方二维码即可打包下载完整带答案解析版《★电气工程公共基础》或《电气工程公共基础:电工电子技术》题库
45、单项选择题 用3个D触发器组成的电路如图7-69所示,触发器F0的输入端接+5V表明D0=1,那么,在第1个CP脉冲和第2个脉冲的上升沿过后Q2Q1Q0分别是()。
A.101和011
B.011和111
C.001和011
D.000和111
点击查看答案
本题答案:微信扫下方二维码即可打包下载完整带答案解析版《★电气工程公共基础》或《电气工程公共基础:电工电子技术》题库
46、单项选择题 在直流稳态电路中,电阻、电感、电容元件上的电压与电流大小相等时,其电阻分别为()。
A.R,0,0
B.0,0,∞
C.R,∞,0
D.R,0,∞
点击查看答案
本题答案:微信扫下方二维码即可打包下载完整带答案解析版《★电气工程公共基础》或《电气工程公共基础:电工电子技术》题库
47、单项选择题 用3个D触发器组成的电路如图7-68所示,设Q2Q1Q0的初始状态为000,触发器F0的输入端接+5V表明D0=1,那么,在第1个CP脉冲和第2个脉冲的上升沿过后Q2Q1Q0分别是()。
A.010和011
B.010和001
C.001和011
D.000和111
点击查看答案
本题答案:微信扫下方二维码即可打包下载完整带答案解析版《★电气工程公共基础》或《电气工程公共基础:电工电子技术》题库
48、单项选择题
如图7-5所示的有源二端网络对外电路来说可等效为()。

A.Is与R的串联组合
B.理想电压源Us
C.理想电流源Is
D.仍为原电路不变
点击查看答案
本题答案:微信扫下方二维码即可打包下载完整带答案解析版《★电气工程公共基础》或《电气工程公共基础:电工电子技术》题库
49、单项选择题
如图7-12所示电路中A点的电压uA为下列何值?()V。

A.5
B.5.21
C.-5
D.38.3
点击查看答案
本题答案:微信扫下方二维码即可打包下载完整带答案解析版《★电气工程公共基础》或《电气工程公共基础:电工电子技术》题库
50、单项选择题
图7.4-17所示固定偏置的晶体管放大电路中,晶体管工作于放大区,则该电路的电压放大倍数A及输入电阻分别为()。

A.
B.
C.
D.
点击查看答案
本题答案:微信扫下方二维码即可打包下载完整带答案解析版《★电气工程公共基础》或《电气工程公共基础:电工电子技术》题库
51、单项选择题 无限长无损传输线上任意处的电压在相位上超前电流的角度为下列哪项?()
A.90°
B.-90°
C.0°
D.某一固定角度
点击查看答案
本题答案:微信扫下方二维码即可打包下载完整带答案解析版《★电气工程公共基础》或《电气工程公共基础:电工电子技术》题库
52、单项选择题 一台理想单相变压器,额定容量为10kVA,电压为3300V/220V,变压器在额定状态下运行时,原副边电流分别为()。
A.3.03A,45.45A
B.45.45A,3.03A
C.4.29A.64.28A
D.64.28A,4.29A
点击查看答案
本题答案:微信扫下方二维码即可打包下载完整带答案解析版《★电气工程公共基础》或《电气工程公共基础:电工电子技术》题库
53、单项选择题
如图所示,M、N为电量相等的正电荷,XY为MN的垂直平分线,0为MN的中点。某重力不计的正电荷Q位于O点,先将Q向上移动很小距离后释放,电荷Q将沿YX直线运动,它在运动过程中,()。

A.加速度逐渐变小
B.电场强度逐渐变小
C.所受电场力逐渐变大
D.电场强度先变大,后变小
点击查看答案
本题答案:微信扫下方二维码即可打包下载完整带答案解析版《★电气工程公共基础》或《电气工程公共基础:电工电子技术》题库
54、单项选择题
继电接触控制电路如图所示,如下说法中不正确的是()。

A.该电路具有短路保护、过载保护和欠压保护
B.该电路具有短路保护、过载保护和零压保护
C.该电路具有短路保护、过载保护、零压保护和欠压保护
D.该电路具有短路保护、过载保护和行程保护
点击查看答案
本题答案:微信扫下方二维码即可打包下载完整带答案解析版《★电气工程公共基础》或《电气工程公共基础:电工电子技术》题库
55、单项选择题
如图7-16所示电路中,电流I1和电流I2分别为()。

A.2.5A和1.5A
B.1A和0A
C.2.5A和0A
D.1A和1.5A
点击查看答案
本题答案:微信扫下方二维码即可打包下载完整带答案解析版《★电气工程公共基础》或《电气工程公共基础:电工电子技术》题库
56、单项选择题
如图7-35所示电路中,iL(0-)=0,当t=0时闭合开关S后,iL应为()A(式中τ=10-6s)。

A.
B.
C.
D.
点击查看答案
本题答案:微信扫下方二维码即可打包下载完整带答案解析版《★电气工程公共基础》或《电气工程公共基础:电工电子技术》题库
57、单项选择题
图7-43所示电路中,
,变压器视为理想的,
,则输出电压与输入电压的有效值之比为()。

A.
B.1
C.4
D.
点击查看答案
本题答案:微信扫下方二维码即可打包下载完整带答案解析版《★电气工程公共基础》或《电气工程公共基础:电工电子技术》题库
58、单项选择题 某三相异步电动机运行于中心点接地的三相四线制交流电源上,为保证电动机的安全运行,该电动机的金属外壳应与()。
A.大地连接
B.电源中线连接
C.电动机绕组的任一端连接
D.外界无任何连接
点击查看答案
本题答案:微信扫下方二维码即可打包下载完整带答案解析版《★电气工程公共基础》或《电气工程公共基础:电工电子技术》题库
59、单项选择题
在图示电路中,各触发器的初始状态均为0,该电路的状态表如表1所示,经分析知,该电路是()。

A.右移寄存器
B.左移寄存器
C.并行数据寄存器
D.串行数据寄存器
点击查看答案
本题答案:微信扫下方二维码即可打包下载完整带答案解析版《★电气工程公共基础》或《电气工程公共基础:电工电子技术》题库
60、单项选择题 运算放大器应用电路如图7.4-36所示,设其输出饱和电压为±11V,输入电压为正弦信号,则输出电压uo的波形为()。
A.
B.
C.
D.
点击查看答案
本题答案:微信扫下方二维码即可打包下载完整带答案解析版《★电气工程公共基础》或《电气工程公共基础:电工电子技术》题库
61、单项选择题
如图(a)电路中,电容C可调,若感性负载的功率因数为cos接电容后,电路的功率因数为cos’,电路的端口电流i的有效值,和电容C的关系如图(b)所示,则下列说法不正确的是()。

A.当C=C0时,电路的功率因数最大
B.当C0时,cos’>cos
C.当C>C0时,电路出现过补偿
D.当C>C0时,cos’>cos
点击查看答案
本题答案:微信扫下方二维码即可打包下载完整带答案解析版《★电气工程公共基础》或《电气工程公共基础:电工电子技术》题库
62、单项选择题 逻辑函数的简化结果是()。
A.F=AB+BC
B.
C.F=A+B+C
D.F=ABC
点击查看答案
本题答案:微信扫下方二维码即可打包下载完整带答案解析版《★电气工程公共基础》或《电气工程公共基础:电工电子技术》题库
63、单项选择题
设图示电路中的元件参数为已知,若采用支路电流法求解各支路电流,则需列写的最少独立方程个数为()。

A.4
B.3
C.2
D.1
点击查看答案
本题答案:微信扫下方二维码即可打包下载完整带答案解析版《★电气工程公共基础》或《电气工程公共基础:电工电子技术》题库
64、单项选择题
利用电压源与电流源等效互换的方法求解图示电路中的电压的正确过程是()。

A.
B.
C.
D.
点击查看答案
本题答案:微信扫下方二维码即可打包下载完整带答案解析版《★电气工程公共基础》或《电气工程公共基础:电工电子技术》题库
65、单项选择题
某逻辑电路如图7-62所示,若输入A=1,B=0,则输出F1和F2分别为()。

A.F1=0,F2=0
B.
C.F1=1,F2=0
D.
点击查看答案
本题答案:微信扫下方二维码即可打包下载完整带答案解析版《★电气工程公共基础》或《电气工程公共基础:电工电子技术》题库
66、单项选择题 在RLC串联电路中,电容C可调,已知电源频率为1000Hz,电路电感为5.07mH,电阻为50Ω,当电容调到()时,电路电流为最大。
A.6.41μF
B.8μF
C.12.6μF
D.5mF
点击查看答案
本题答案:微信扫下方二维码即可打包下载完整带答案解析版《★电气工程公共基础》或《电气工程公共基础:电工电子技术》题库
67、单项选择题
基本门如图7-61a所示,其中,数字信号A由图7-61b给出,那么,输出F为()。

A.1
B.0
C.
D.
点击查看答案
本题答案:微信扫下方二维码即可打包下载完整带答案解析版《★电气工程公共基础》或《电气工程公共基础:电工电子技术》题库
68、单项选择题
如图7-15所示电路中,US=10V,i=1mA,则()。

A.因为i2=0,使电流i1=1mA
B.因为参数C未知,无法求出电流i
C.虽然电流i2未知,但是i>i1成立
D.电容存储的能量为0
点击查看答案
本题答案:微信扫下方二维码即可打包下载完整带答案解析版《★电气工程公共基础》或《电气工程公共基础:电工电子技术》题库
69、单项选择题
在图示电路中,电压U等于()。
A.0V
B.2V
C.6V
D.10V
点击查看答案
本题答案:微信扫下方二维码即可打包下载完整带答案解析版《★电气工程公共基础》或《电气工程公共基础:电工电子技术》题库
70、单项选择题
已知某三相电源的相电压
,当t=12s时,三个线电压之和为()。
A.380V
B.0V
C.
D.无法计算
点击查看答案
本题答案:微信扫下方二维码即可打包下载完整带答案解析版《★电气工程公共基础》或《电气工程公共基础:电工电子技术》题库
71、单项选择题 有3个100Ω的线性电阻接成三角形三相对称负载,然后挂接在电压为220V的三相对称电源上,这时供电线路上的电流应为()。
A.6.6A
B.3.8A
C.2.2A
D.1.3A
点击查看答案
本题答案:微信扫下方二维码即可打包下载完整带答案解析版《★电气工程公共基础》或《电气工程公共基础:电工电子技术》题库
72、单项选择题
某放大电路的微变等效电路如图7-54所示,已知RB=82kΩ,,RC=5.6kΩ,=4.2kΩ,,RL=22kΩ,则电路的输入电阻ri和输出电阻r0分别为()。

A.ri=82kΩ,r0=5.6kΩ
B.ri=4kΩ,r0=4.5kΩ
C.ri=4kΩ,r0=5.6kΩ
D.ri=4.2kΩ,r0=22kΩ
点击查看答案
本题答案:微信扫下方二维码即可打包下载完整带答案解析版《★电气工程公共基础》或《电气工程公共基础:电工电子技术》题库
73、单项选择题
函数
的最简式为()。
A.AB
B.
C.AB+C
D.B+C
点击查看答案
本题答案:微信扫下方二维码即可打包下载完整带答案解析版《★电气工程公共基础》或《电气工程公共基础:电工电子技术》题库
74、单项选择题
如图所示,MO=ON,若原点O处的磁感应强度为0,则I1与I2的关系为()。

A.大小相等,方向相反
B.大小相等,方向相同
C.大小无关,方向相反
D.大小无关,方向相同
点击查看答案
本题答案:微信扫下方二维码即可打包下载完整带答案解析版《★电气工程公共基础》或《电气工程公共基础:电工电子技术》题库
75、单项选择题 采用适当措施降低三相鼠笼式电动机的启动电流是为了()。
A.避免电动机烧毁
B.避免电动机瞬时过载
C.避免熔断器烧断
D.减小启动电流所引起的电网电压波动
点击查看答案
本题答案:微信扫下方二维码即可打包下载完整带答案解析版《★电气工程公共基础》或《电气工程公共基础:电工电子技术》题库
76、单项选择题
如图7-71所示,电路具有()。

A.保持功能
B.置"0"功能
C.置"1"功能
D.计数功能
点击查看答案
本题答案:微信扫下方二维码即可打包下载完整带答案解析版《★电气工程公共基础》或《电气工程公共基础:电工电子技术》题库
77、单项选择题
继电接触控制电路如图所示,实现电动机连续运行的环节是()。

A.QS电器
B.FU电器
C.KM4触点构成的自锁环节
D.KM1-3触点构成的环节
点击查看答案
本题答案:微信扫下方二维码即可打包下载完整带答案解析版《★电气工程公共基础》或《电气工程公共基础:电工电子技术》题库
78、单项选择题 已知电源电动势E(t)=220cos(314t+45°)V,代表它的有效值相量是()V。
A.
B.
C.
D.
点击查看答案
本题答案:微信扫下方二维码即可打包下载完整带答案解析版《★电气工程公共基础》或《电气工程公共基础:电工电子技术》题库
79、单项选择题
RLC串联电路如图7.2-33所示,在正弦电压的激励下,其等效复阻抗等于()。

A.
B.
C.
D.
点击查看答案
本题答案:微信扫下方二维码即可打包下载完整带答案解析版《★电气工程公共基础》或《电气工程公共基础:电工电子技术》题库
80、单项选择题
电路如图7-50所示,已知R1=R2=2kΩ,R3=3kΩ,VD为理想二极管,电流I为()mA。

A.0.75
B.0
C.1
D.3
点击查看答案
本题答案:微信扫下方二维码即可打包下载完整带答案解析版《★电气工程公共基础》或《电气工程公共基础:电工电子技术》题库
81、单项选择题
由图7-58所示数字逻辑信号的波形可知,三者的逻辑关系是()。

A.
B.
C.
D.
点击查看答案
本题答案:微信扫下方二维码即可打包下载完整带答案解析版《★电气工程公共基础》或《电气工程公共基础:电工电子技术》题库
82、单项选择题
已知逻辑电路如图所示,当X=0时,脉冲CP到来后,D触发器()。

A.具有计数功能
B.保持原有状态
C.置"0"
D.置"1"
点击查看答案
本题答案:微信扫下方二维码即可打包下载完整带答案解析版《★电气工程公共基础》或《电气工程公共基础:电工电子技术》题库
83、单项选择题
如图7-70所示电路,Q1、Q2原始状态为11,当输入两个脉冲后的新状态为()。

A.00
B.01
C.11
D.10
点击查看答案
本题答案:微信扫下方二维码即可打包下载完整带答案解析版《★电气工程公共基础》或《电气工程公共基础:电工电子技术》题库
84、单项选择题 如下三相异步电动机的运行效率说法正确的是()。
A.运行效率与功率为单调增关系
B.若PM为效率最高时的负载功率,则[0,PM]区间内的运行效率与功率为单调增关系
C.运行效率与功率为单调减关系
D.若PM为效率最高时的负载,则[0,PM]区间内的运行效率与功率为单调减关系
点击查看答案
本题答案:微信扫下方二维码即可打包下载完整带答案解析版《★电气工程公共基础》或《电气工程公共基础:电工电子技术》题库
85、单项选择题 下列各电路能正常放大交流信号的是()。
A.
B.
C.
D.
点击查看答案
本题答案:微信扫下方二维码即可打包下载完整带答案解析版《★电气工程公共基础》或《电气工程公共基础:电工电子技术》题库
86、单项选择题
在图示电路中,若t=0时刻开关s从1→2,则下列不正确的说法是()。

A.电路出现暂态过程
B.电路不出现暂态过程
C.电路发生换路
D.uC(0+)=uCC(∞)
点击查看答案
本题答案:微信扫下方二维码即可打包下载完整带答案解析版《★电气工程公共基础》或《电气工程公共基础:电工电子技术》题库
87、单项选择题
如图7-20所示电路,u=141sin(314t-30°)V,i=14.1sin(314t-60°)A,这个电路的有功功率P等于()W。

A.500
B.866
C.1000
D.1988
点击查看答案
本题答案:微信扫下方二维码即可打包下载完整带答案解析版《★电气工程公共基础》或《电气工程公共基础:电工电子技术》题库
88、单项选择题
无源二端网络N如图所示,设u(t)=100sin(ωt+60°)V,i(t)=10sinωtA,则该网络的有功功率和无功功率分别为()。

A.P=100×10×cos60°=500W,Q=100×10×sin60°=866Var
B.
C.P=866W,Q=500Var
D.P=433W,Q=250Var
点击查看答案
本题答案:微信扫下方二维码即可打包下载完整带答案解析版《★电气工程公共基础》或《电气工程公共基础:电工电子技术》题库
89、单项选择题 有一台6kW的三相异步电动机,其额定运行转速为1480r/min,额定电压为380V,全压启动转矩是额定运行转矩的1.2倍,现采用Y-Δ启动以降低其启动电流,此时的启动转矩为()
A.15.48Nm
B.26.82Nm
C.38.7Nm
D.46.44Nm
点击查看答案
本题答案:微信扫下方二维码即可打包下载完整带答案解析版《★电气工程公共基础》或《电气工程公共基础:电工电子技术》题库
90、单项选择题 欲使JK触发器按工作,可使JK触发器的输入端()。
A.J=K=1
B.J=Q,K=Q
C.J=K=0
D.J=1,K=0
点击查看答案
本题答案:微信扫下方二维码即可打包下载完整带答案解析版《★电气工程公共基础》或《电气工程公共基础:电工电子技术》题库
91、单项选择题 已知三相对称电源的A相电压,则线电压()。
A.
B.
C.
D.
点击查看答案
本题答案:微信扫下方二维码即可打包下载完整带答案解析版《★电气工程公共基础》或《电气工程公共基础:电工电子技术》题库
92、单项选择题
将JK触发器的J、K端连接起来(如图7.5-9所示),若CP脉冲信号、置位端、复位端和数据X端信号如图所示,则输出Q的波形为()。

A.
B.
C.
D.
点击查看答案
本题答案:微信扫下方二维码即可打包下载完整带答案解析版《★电气工程公共基础》或《电气工程公共基础:电工电子技术》题库
93、单项选择题
如图7-37所示电路,,t=0时闭合开关S后,为下列选项中的()。

A.
B.
C.
D.
点击查看答案
本题答案:微信扫下方二维码即可打包下载完整带答案解析版《★电气工程公共基础》或《电气工程公共基础:电工电子技术》题库
94、单项选择题
已知逻辑电路如图7.5-5所示,经分析可知,输出F与输入信号X、Y之间的逻辑表达式为()。

A.
B.
C.
D.
点击查看答案
本题答案:微信扫下方二维码即可打包下载完整带答案解析版《★电气工程公共基础》或《电气工程公共基础:电工电子技术》题库
95、单项选择题 如下三相异步电动机的运行效率说法正确的是()。
A.运行效率与功率为单调增关系
B.若PM为效率最高时的负载功率,则[0,PM]区间内的运行效率与功率为单调增关系
C.运行效率与功率为单调减关系
D.若PM为效率最高时的负载,则[0,PM]区间内的运行效率与功率为单调减关系
点击查看答案
本题答案:微信扫下方二维码即可打包下载完整带答案解析版《★电气工程公共基础》或《电气工程公共基础:电工电子技术》题库
96、单项选择题
在如图7-74所示的RS触发器,设Q的初始状态为1,当输入X信号后,输出Q为()。

A.X
B.
C.1
D.0
点击查看答案
本题答案:微信扫下方二维码即可打包下载完整带答案解析版《★电气工程公共基础》或《电气工程公共基础:电工电子技术》题库
97、单项选择题
图7-52中a所示的固定偏置放大电路中,已知晶体管的输出特性曲线和电路的直流负载线[图7-52中的b],可得出该电路的静态值为()。

A.
B.
C.
D.
点击查看答案
本题答案:微信扫下方二维码即可打包下载完整带答案解析版《★电气工程公共基础》或《电气工程公共基础:电工电子技术》题库
98、单项选择题
RLC并联电路如图7.2-29所示,在正弦电压u的激励下,各支路电流有效值I1=I2=I3=10A,当电压频率增加一倍而保持其有效值不变时,各电流有效值应变为()。

A.I1=20A,I2=20A,I320A
B.I1=10A,I2=20A,I3=5A
C.I1=10A,I2=5A,I3=20A
D.I1=5A,I2=5A,I3=5A
点击查看答案
本题答案:微信扫下方二维码即可打包下载完整带答案解析版《★电气工程公共基础》或《电气工程公共基础:电工电子技术》题库
99、单项选择题
正弦交流电压的波形图如图7-22所示,该电压的时域解析表达式为()。

A.u(t)=155.56sin(ax-5°)V
B.
C.
D.u(t)=155.6sin(314t-60°)V
点击查看答案
本题答案:微信扫下方二维码即可打包下载完整带答案解析版《★电气工程公共基础》或《电气工程公共基础:电工电子技术》题库
100、单项选择题 有一台6kW的三相异步电动机,其额定运行转速为1480r/min,额定电压为380V,全压起动转矩是额定运行转矩的1.2倍,现采用起动以降低其起动电流,此时的起动转矩为()N·m。
A.15.49
B.26.82
C.38.7
D.46.4
点击查看答案
本题答案:微信扫下方二维码即可打包下载完整带答案解析版《★电气工程公共基础》或《电气工程公共基础:电工电子技术》题库
101、单项选择题
实现两台电动机顺序控制的主电路如图所示,根据主电路和控制电路的控制原理,它所实现的控制逻辑是()。

A.1M启动后,2M才能启动;1M停转后,2M才能停转
B.1M启动后,2M才能启动;2M停转后,1M才能停转
C.2M启动后,1M才能启动;1M停转后,2M才能停转
D.2M启动后,1M才能启动;2M停转后,1M才能停转
点击查看答案
本题答案:微信扫下方二维码即可打包下载完整带答案解析版《★电气工程公共基础》或《电气工程公共基础:电工电子技术》题库
102、单项选择题 逻辑表达式,可以简化为()。
A.F=A+B
B.
C.F=AB
D.
点击查看答案
本题答案:微信扫下方二维码即可打包下载完整带答案解析版《★电气工程公共基础》或《电气工程公共基础:电工电子技术》题库
103、单项选择题
三相正弦交流电路如图7-24所示,对称负载接成三角形,已知电源电压UL=220V,每相阻抗Z=15+j16.1(Ω),当AB相断路时,电流表的读数是()A。

A.10
B.5
C.17.3
D.8.6
点击查看答案
本题答案:微信扫下方二维码即可打包下载完整带答案解析版《★电气工程公共基础》或《电气工程公共基础:电工电子技术》题库
104、单项选择题 某三相发电机每相绕组电压为220V,在连接成形时,如果误将两相绕组的末端X、Y与另一相的首端C连成一点(中点),此时电压UBC等于()V。
A.220
B.380
C.127
D.190
点击查看答案
本题答案:微信扫下方二维码即可打包下载完整带答案解析版《★电气工程公共基础》或《电气工程公共基础:电工电子技术》题库
105、单项选择题 已知某激励信号u(t)=1.732sin(314t+30°)V,由此可知该信号的有效值、频率及初相角分别为()。
A.1V,314rad/s,30°
B.1.732V,0.02s,30°
C.1.225V,50Hz,30°
D.1.732V,314rad/s,30°
点击查看答案
本题答案:微信扫下方二维码即可打包下载完整带答案解析版《★电气工程公共基础》或《电气工程公共基础:电工电子技术》题库
106、单项选择题 对于稳态正弦交流电路,以下说法正确的是()。
A.当元件R、L、C串联时,端口总电压有效值一定大于每个元件电压的有效值
B.当元件R、L、C并联时,L和C支路电流实际反向
C.对于感性电路,当电源频率f增大时,|Z|将减小
D.当RLC串联电路谐振时,电路电流达最小值
点击查看答案
本题答案:微信扫下方二维码即可打包下载完整带答案解析版《★电气工程公共基础》或《电气工程公共基础:电工电子技术》题库
107、单项选择题
如图7-2所示,金属导轨上放置着ab和cd两根金属棒,各长1m,电阻均为4Ω,均匀磁场B-2T,方向垂直向里,当ab以ν1=4m/s,cd以ν2=2m/s的速度向左运动时,a、b两点间的电压UB=()V(忽略导轨电阻)。

A.12
B.4
C.-6
D.-8
点击查看答案
本题答案:微信扫下方二维码即可打包下载完整带答案解析版《★电气工程公共基础》或《电气工程公共基础:电工电子技术》题库
108、单项选择题
电路如图7-29所示,开关S闭合前,L和C均未储能;S闭合后瞬间,电感两端的电压uL(0+)为()V。

A.3
B.0
C.6
D.-3
点击查看答案
本题答案:微信扫下方二维码即可打包下载完整带答案解析版《★电气工程公共基础》或《电气工程公共基础:电工电子技术》题库
109、单项选择题
将JK触发器的J、K端连接起来(如图所示),若脉冲信号、置位端、复位端和数据X端信号如图所示,则输出Q的波形为()。

A.A.
B.B.
C.C.
D.F.
点击查看答案
本题答案:微信扫下方二维码即可打包下载完整带答案解析版《★电气工程公共基础》或《电气工程公共基础:电工电子技术》题库
110、单项选择题
如图7-73所示,时钟到来后,JK具有()功能。

A.输出保持
B.输出清"0"
C.输出置"1"
D.计数器
点击查看答案
本题答案:微信扫下方二维码即可打包下载完整带答案解析版《★电气工程公共基础》或《电气工程公共基础:电工电子技术》题库
111、单项选择题
如图7-36所示电路,换路前UC(0-)=0.2U1,U(0-)=0,求电路换路后UC(0+)和U(0+)分别为()。

A.UC(0+)=0.2U1,U(0+)=0
B.UC(0+)=0.2U1,U(0+)=0.2U1
C.UC(0+)=0.2U1,U(0+)=0.8U1
D.UC(0+)=0.2U1,U(0+)=U1
点击查看答案
本题答案:微信扫下方二维码即可打包下载完整带答案解析版《★电气工程公共基础》或《电气工程公共基础:电工电子技术》题库
112、单项选择题
在图示电路中,信号源与理想变压器的原边相连,负载与变压器的副边相连,若信号源的电压US=12V,RS=72Ω,则负载RL=8Ω获得最大功率时的端电压有效值U2为()。

A.36V
B.18V
C.4V
D.2V
点击查看答案
本题答案:微信扫下方二维码即可打包下载完整带答案解析版《★电气工程公共基础》或《电气工程公共基础:电工电子技术》题库
113、单项选择题
某放大电路如图7-53所示,已知三极管电流放大系数β=50,,静态时等于()V。

A.10.2
B.7.6
C.6.8
D.8.3
点击查看答案
本题答案:微信扫下方二维码即可打包下载完整带答案解析版《★电气工程公共基础》或《电气工程公共基础:电工电子技术》题库
114、单项选择题
如图7.2-37(a)电路中,电容C可调,若感性负载的功率因数为cos,并接电容后,电路的功率因数为cos’,电路的端口电流i的有效值I和电容C的关系如图7.2-37(B)所示,则下列说法不正确的是()。

A.当C=C0时,电路的功率因数最大
B.当C0时,cos’>cos
C.当电路出现过补偿时,C>C0
D.当C>C0时,cos’>cos
点击查看答案
本题答案:微信扫下方二维码即可打包下载完整带答案解析版《★电气工程公共基础》或《电气工程公共基础:电工电子技术》题库
115、单项选择题
通过线性电阻元件R的电流及其端电压的参考方向如图所示,图中同时给出了电压与电流之间的描述,其中表达式正确的是()

A.图1
B.图2
C.图3
D.图4
点击查看答案
本题答案:微信扫下方二维码即可打包下载完整带答案解析版《★电气工程公共基础》或《电气工程公共基础:电工电子技术》题库
116、单项选择题 正弦电流通过电容元件时,下列关系哪项是正确的?()
A.
B.
C.
D.
点击查看答案
本题答案:微信扫下方二维码即可打包下载完整带答案解析版《★电气工程公共基础》或《电气工程公共基础:电工电子技术》题库
117、单项选择题
图1~图3为三个不同的晶体管放大电路,下列说法正确的是()。

A.图1~图3均具有稳定的静态工作点,但只有图1不具有电压放大能力
B.若图2和图3电路中各元件型号及参数相同,则它们具有相同的电压放大能力
C.它们的输入电阻均与负载有关
D.以上三种说法均不正确
点击查看答案
本题答案:微信扫下方二维码即可打包下载完整带答案解析版《★电气工程公共基础》或《电气工程公共基础:电工电子技术》题库
118、单项选择题 某三相异步电动机的额定电压为380/220V,若电源电压为380V,则下面4个图中能使电动机处于额定状态工作的是()。
A.
B.
C.
D.
点击查看答案
本题答案:微信扫下方二维码即可打包下载完整带答案解析版《★电气工程公共基础》或《电气工程公共基础:电工电子技术》题库
119、单项选择题 一个由R=3kΩ、L=4H和C=1μ三个元件相串联的电路,若电路振荡,则振荡角频率为下列选项中的()。
A.375rad/s
B.500rad/s
C.331rad/s
D.不振荡
点击查看答案
本题答案:微信扫下方二维码即可打包下载完整带答案解析版《★电气工程公共基础》或《电气工程公共基础:电工电子技术》题库
120、单项选择题 已知某三相四线制电路的线电压,则相电压()。
A.220∠-135°V
B.380∠-15°V
C.220∠-15°V
D.380∠-135°V
点击查看答案
本题答案:微信扫下方二维码即可打包下载完整带答案解析版《★电气工程公共基础》或《电气工程公共基础:电工电子技术》题库
121、单项选择题
某一有源二端线性网络如图7.1-21(a)所示。该网络的戴维南等效电路如图7.1-21(b)所示,其中US和RS取值为()。

A.6V,6Ω
B.6V,2Ω
C.12V,6Ω
D.12V,2Ω
点击查看答案
本题答案:微信扫下方二维码即可打包下载完整带答案解析版《★电气工程公共基础》或《电气工程公共基础:电工电子技术》题库
122、单项选择题
中性点接地的三相五线制电路中,所有单相电气设备电源插座的正确接线是图()。

A.A
B.B
C.C
D.D
点击查看答案
本题答案:微信扫下方二维码即可打包下载完整带答案解析版《★电气工程公共基础》或《电气工程公共基础:电工电子技术》题库
123、单项选择题 下列电路中不属于时序逻辑电路的是()。
A.计数器
B.全加器
C.寄存器
D.分频器
点击查看答案
本题答案:微信扫下方二维码即可打包下载完整带答案解析版《★电气工程公共基础》或《电气工程公共基础:电工电子技术》题库
124、单项选择题
若图(a)电路中的输入电压如图(b)所示,则输出电压u0的波形为()。

A.
B.
C.
D.
点击查看答案
本题答案:微信扫下方二维码即可打包下载完整带答案解析版《★电气工程公共基础》或《电气工程公共基础:电工电子技术》题库
125、单项选择题
如图7-38所示电路原已稳定,t=0时断开开关S,则为()V。

A.78
B.117
C.135
D.39
点击查看答案
本题答案:微信扫下方二维码即可打包下载完整带答案解析版《★电气工程公共基础》或《电气工程公共基础:电工电子技术》题库
126、单项选择题 一台三相电动机运行于中性点接地的低压电力系统中,操作员碰及外壳导致意外触电事故,事故的原因是()。
A.输入电动机的两相电源线短路,导致机壳带电
B.输入电动机的某相电源线碰壳,而电动机未采取过载保护
C.电动机某相绝缘损坏碰壳,而电动机未采取接地保护
D.电动机某相绝缘损坏碰壳,而电动机未采取接零保护
点击查看答案
本题答案:微信扫下方二维码即可打包下载完整带答案解析版《★电气工程公共基础》或《电气工程公共基础:电工电子技术》题库
127、单项选择题
图7-55a所示运算放大器的输出与输入之间的关系如图7-55b所示,若Ui=2sinωtmV,则u0为()。

A.
B.
C.
D.
点击查看答案
本题答案:微信扫下方二维码即可打包下载完整带答案解析版《★电气工程公共基础》或《电气工程公共基础:电工电子技术》题库
128、单项选择题
如图7-47所示为三相异步电动机正反转电路中的控制电路。控制正转和控制反转的支路中分别串接了KM、KMF两个常闭触头,它们所起的作用是()。

A.保证两个吸引线圈不发生短路
B.保证两个接触器不同时动作
C.保证主电路交换两相电源线
D.保证两个吸引线圈同时得电吸合
点击查看答案
本题答案:微信扫下方二维码即可打包下载完整带答案解析版《★电气工程公共基础》或《电气工程公共基础:电工电子技术》题库
129、单项选择题
质量为m的两小球带等量同号电荷g,现用长为ι的细线悬挂于空中O点,如图7-1所示,当小球平衡时,测得它们之间的水平距离为x,此时绳子的张力为()。

A.
B.
C.
D.
点击查看答案
本题答案:微信扫下方二维码即可打包下载完整带答案解析版《★电气工程公共基础》或《电气工程公共基础:电工电子技术》题库
130、单项选择题 对于双极型晶体三极管(简称晶体管),如下不正确的描述是()。
A.晶体管的工作状态可分为截止状态、放大状态和饱和状态
B.晶体管的工作区域可分为线性区和非线性区
C.晶体管工作状态可由开关接通与断开的电路模型表示
D.晶体管存在开关状态和放大状态两种工作状态
点击查看答案
本题答案:微信扫下方二维码即可打包下载完整带答案解析版《★电气工程公共基础》或《电气工程公共基础:电工电子技术》题库
131、单项选择题 在一个孤立静止的点电荷周围()。
A.存在磁场,它围绕电荷呈球面状分布
B.存在磁场,它分布在从电荷所在处到无穷远处的整个空间中
C.存在电场,它围绕电荷呈球面状分布
D.存在电场,它分布在从电荷所在处到无穷远处的整个空间中
点击查看答案
本题答案:微信扫下方二维码即可打包下载完整带答案解析版《★电气工程公共基础》或《电气工程公共基础:电工电子技术》题库
132、单项选择题
图7-51所示电路中,ii=10sinωV,二极管VD2因损坏而断开,这时输出电压的波形和输出电压的平均值为()。

A.
B.
C.
D.
点击查看答案
本题答案:微信扫下方二维码即可打包下载完整带答案解析版《★电气工程公共基础》或《电气工程公共基础:电工电子技术》题库
133、单项选择题
如图7-23所示电路中,在工频电压u(t)的激励下,电路的阻抗等于()。

A.R+314L+314C
B.R+314L+1/314C
C.
D.
点击查看答案
本题答案:微信扫下方二维码即可打包下载完整带答案解析版《★电气工程公共基础》或《电气工程公共基础:电工电子技术》题库
134、单项选择题
如图7-72所示,时钟到来后,JK具有()功能。

A.输出保持
B.输出清"O"
C.输出置"1"
D.计数器
点击查看答案
本题答案:微信扫下方二维码即可打包下载完整带答案解析版《★电气工程公共基础》或《电气工程公共基础:电工电子技术》题库
135、单项选择题
如图所示电路的传递函数及幅频特性曲线是()。

A.
B.
C.
D.
点击查看答案
本题答案:微信扫下方二维码即可打包下载完整带答案解析版《★电气工程公共基础》或《电气工程公共基础:电工电子技术》题库
136、单项选择题 当三相交流发电机的三个绕组接成星形时,若线电压,则相电压uC为下列式中的哪一个?()
A.
B.
C.
D.
点击查看答案
本题答案:微信扫下方二维码即可打包下载完整带答案解析版《★电气工程公共基础》或《电气工程公共基础:电工电子技术》题库
137、单项选择题 理想二极管的正向电阻为()。
A.零
B.无穷大
C.约几千欧
D.任意值
点击查看答案
本题答案:微信扫下方二维码即可打包下载完整带答案解析版《★电气工程公共基础》或《电气工程公共基础:电工电子技术》题库
138、单项选择题
逻辑电路和输入信号X、Y的波形如图所示,由此可知,输出F为1时刻是()。

A.t1
B.t2
C.t3
D.t4
点击查看答案
本题答案:微信扫下方二维码即可打包下载完整带答案解析版《★电气工程公共基础》或《电气工程公共基础:电工电子技术》题库
139、单项选择题
在如图所示电路中,理想电流源中的电流及其功率状态分别为()。

A.4A,供出功率
B.4A,吸收功率
C.-4A,吸收功率
D.-4A,供出功率
点击查看答案
本题答案:微信扫下方二维码即可打包下载完整带答案解析版《★电气工程公共基础》或《电气工程公共基础:电工电子技术》题库
140、单项选择题
如图7-57所示,将放大倍数为1,输入电阻为1kΩ,,输出电阻为50Ω的射极输出器插接在信号源(uS,RS)与负载(RL)之间,形成图b电路,与图a电路相比,负载电压的有效值为()。

A.
B.
C.
D.因为uS未知,不能确定之间的关系
点击查看答案
本题答案:微信扫下方二维码即可打包下载完整带答案解析版《★电气工程公共基础》或《电气工程公共基础:电工电子技术》题库
141、单项选择题
如图7-13所示电路的戴维南等效电路参数US和RS各为下列何值?()

A.9V,2Ω
B.3V,4Ω
C.3V,6Ω
D.9V,6Ω
点击查看答案
本题答案:微信扫下方二维码即可打包下载完整带答案解析版《★电气工程公共基础》或《电气工程公共基础:电工电子技术》题库
142、单项选择题 电容端电压和电感电流不能突变原因是()。
A.元件的端电压和电流不能突变
B.电场能量和磁场能量的变化率均为有限值
C.电容端电压和电感电流都是有限值
D.电容端电压和电感电流都受换路定律制约
点击查看答案
本题答案:微信扫下方二维码即可打包下载完整带答案解析版《★电气工程公共基础》或《电气工程公共基础:电工电子技术》题库
143、单项选择题
在图示电路中,若US单独作用时I’=1A;IS单独作用时I"=-1A,那么US、IS共同作用时,电阻R中的电流I为()。

A.2A
B.0A
C.-2A
D.因US、IS未知无法计算
点击查看答案
本题答案:微信扫下方二维码即可打包下载完整带答案解析版《★电气工程公共基础》或《电气工程公共基础:电工电子技术》题库
144、单项选择题 设真空中点电荷+q1和点电荷+q2相距2a,且q2=2q1,以+q1为中心、a为半径形成封闭球面,则通过该球面的电通量为()。
A.3q
B.2q1
C.q1
D.0
点击查看答案
本题答案:微信扫下方二维码即可打包下载完整带答案解析版《★电气工程公共基础》或《电气工程公共基础:电工电子技术》题库
145、单项选择题
图示7.12-23电路中,若以单独作用时,I’=1A,电阻R消耗的功率P’=5W,IS单独作用时,I"=-1A,电阻R消耗的功率P"=5W,那么US、IS共同作用时,电阻R消耗的功率为()。

A.P’+P"=10W
B.(I’-I")2R=20W
C.(I’+I")2R=0W
D.因US、IS未知,无法计算
点击查看答案
本题答案:微信扫下方二维码即可打包下载完整带答案解析版《★电气工程公共基础》或《电气工程公共基础:电工电子技术》题库
146、单项选择题
已知某电路在脉冲信号作用下,各触发器的状态如表7.5-7所示,经分析知,该电路是()。

A.右移寄存器
B.左移寄存器
C.并行数据寄存器
D.串行数据寄存器
点击查看答案
本题答案:微信扫下方二维码即可打包下载完整带答案解析版《★电气工程公共基础》或《电气工程公共基础:电工电子技术》题库
147、单项选择题
在图示电路中,开关K闭合后,导线环S()。

A.向远离N方向摆动
B.向N方向摆动
C.不动
D.无法判断
点击查看答案
本题答案:微信扫下方二维码即可打包下载完整带答案解析版《★电气工程公共基础》或《电气工程公共基础:电工电子技术》题库
148、单项选择题
电路如图7-31(a)所示,已知R1=10Ω,R2=20Ω,uC(0-)=0,电路在t≥0暂态过程中,电容电压的变化曲线是图7-32(b)中的()。

A.A
B.B
C.C
D.D
点击查看答案
本题答案:微信扫下方二维码即可打包下载完整带答案解析版《★电气工程公共基础》或《电气工程公共基础:电工电子技术》题库
149、单项选择题
电感元件上的电压u及电流i的参考方向如图所示,描述u与i关系的表达式应该是()。

A.
B.
C.
D.u=Li
点击查看答案
本题答案:微信扫下方二维码即可打包下载完整带答案解析版《★电气工程公共基础》或《电气工程公共基础:电工电子技术》题库
150、单项选择题 在半径为R的球体内,电荷分布是球对称的,电荷体密度为ρ=ar(0≤r≤R),ρ=0(r>R),其中a为大于0的常数,在球体内部,距球心为x处的电场强度为()。
A.
B.
C.
D.
点击查看答案
本题答案:微信扫下方二维码即可打包下载完整带答案解析版《★电气工程公共基础》或《电气工程公共基础:电工电子技术》题库
151、单项选择题
在图示电路中,负载RL的消耗功率为72w,若变压器的变压比k=5,则变压器原边电压有效值U1()。

A.等于120V
B.等于4.8V
C.等于0.6V
D.无法计算
点击查看答案
本题答案:微信扫下方二维码即可打包下载完整带答案解析版《★电气工程公共基础》或《电气工程公共基础:电工电子技术》题库
152、单项选择题
如图7-41所示电路中,R=1kΩ.,C=1μF,Ui=1V,电容无初始储能,如果开关S在t=0时刻闭合,则给出输出电压波形的是()。

A.
B.
C.
D.
点击查看答案
本题答案:微信扫下方二维码即可打包下载完整带答案解析版《★电气工程公共基础》或《电气工程公共基础:电工电子技术》题库
153、单项选择题 已知二端网络N的端口电压u(t)=10sin(ωt+60°)V,端口电流i(t)=4sin(ωt+20°)A,则二端网络N的等效阻抗为()。
A.2.5Ω
B.2.5∠40Ω
C.2.5∠80Ω
D.40∠80Ω
点击查看答案
本题答案:微信扫下方二维码即可打包下载完整带答案解析版《★电气工程公共基础》或《电气工程公共基础:电工电子技术》题库
154、单项选择题 某一放大电路在负载开路时的输出电压为6V,当接入2kΩ的负载后,输出电压为4V,该放大电路的输出电阻是()kΩ。
A.0.5
B.1.5
C.3
D.1
点击查看答案
本题答案:微信扫下方二维码即可打包下载完整带答案解析版《★电气工程公共基础》或《电气工程公共基础:电工电子技术》题库
155、单项选择题
如图所示运算放大电路,输出uo与输入的关系式是()。

A.
B.
C.
D.
点击查看答案
本题答案:微信扫下方二维码即可打包下载完整带答案解析版《★电气工程公共基础》或《电气工程公共基础:电工电子技术》题库
156、单项选择题
已知电路如图所示,其中电流I等于()。

A.5.5A
B.2.5A
C.0A
D.3.25A
点击查看答案
本题答案:微信扫下方二维码即可打包下载完整带答案解析版《★电气工程公共基础》或《电气工程公共基础:电工电子技术》题库
157、单项选择题 有一三绕组电源变压器,一次绕组U1=220V,N1=880匝,二次侧有两个绕组,分别输出U21=36V,U22=12V,当分别接上P21=120W,P22=100W纯电阻负载时,忽略变压器损耗,一次绕组中电流I1=()A。
A.3
B.1
C.2.1
D.0.28
点击查看答案
本题答案:微信扫下方二维码即可打包下载完整带答案解析版《★电气工程公共基础》或《电气工程公共基础:电工电子技术》题库
158、单项选择题
共集电极放大电路如图7-56所示。已知:β=50,,当输入正弦电压有效值Ui=7.5mV,输出电压有效值U0最接近于()。

A.1.5V
B.-0.7V
C.-15.6mV
D.7.5mV
点击查看答案
本题答案:微信扫下方二维码即可打包下载完整带答案解析版《★电气工程公共基础》或《电气工程公共基础:电工电子技术》题库
159、单项选择题
有一星形连接的对称负载接于线电压为380V的三相四线制电源上,如图7.2-45所示。当在M点断开时,U1为()。

A.190V
B.220V
C.311V
D.380V
点击查看答案
本题答案:微信扫下方二维码即可打包下载完整带答案解析版《★电气工程公共基础》或《电气工程公共基础:电工电子技术》题库
160、单项选择题
RLC串联电路如图所示,在正弦电压u(t)=UMsin(ωt+)的激励下,其等效复阻抗等于()。

A.
B.
C.
D.
点击查看答案
本题答案:微信扫下方二维码即可打包下载完整带答案解析版《★电气工程公共基础》或《电气工程公共基础:电工电子技术》题库
161、单项选择题
图7-40中,图a所示电路的激励电压如图b所示,那么,从t=0时刻开始,电路出现暂态过程的次数和在换路时刻发生突变的量分别是()。

A.3次,电感电压
B.4次,电感电压和电容电流
C.3次,电容电流
D.4次,电阻电压和电感电压
点击查看答案
本题答案:微信扫下方二维码即可打包下载完整带答案解析版《★电气工程公共基础》或《电气工程公共基础:电工电子技术》题库
162、单项选择题 额定转速为1450r/min的三相异步电动机,空载运行时转差率为()。
A.
B.
C.0.033
D.s<0.033
点击查看答案
本题答案:微信扫下方二维码即可打包下载完整带答案解析版《★电气工程公共基础》或《电气工程公共基础:电工电子技术》题库
163、单项选择题
图7-6电路中,a-b路的开路电压U为()。

A.0
B.
C.
D.
点击查看答案
本题答案:微信扫下方二维码即可打包下载完整带答案解析版《★电气工程公共基础》或《电气工程公共基础:电工电子技术》题库
题库试看结束后
微信扫下方二维码即可打包下载完整版《
★电气工程公共基础》题库
手机用户可保存上方二维码到手机中,在微信扫一扫中右上角选择“从相册选取二维码”即可。
题库试看结束后
微信扫下方二维码即可打包下载完整版《
电气工程公共基础:电工电子技术》题库,
分栏、分答案解析排版、小字体方便打印背记!经广大会员朋友实战检验,此方法考试通过率大大提高!绝对是您考试过关的不二利器!
手机用户可
保存上方二维码到手机中,在
微信扫一扫中右上角选择“从
相册选取二维码”即可。