高考省级导航

全国 A安徽 B北京 C重庆 F福建 G广东 广西 甘肃 贵州 H河南 河北 湖南 湖北 黑龙江 海南 J江苏 江西 吉林 L辽宁 N内蒙古 宁夏 Q青海 S山东 山西 陕西 四川 上海 T天津
     X新疆 西藏 Y云南 Z浙江

高考物理高频试题、高中物理题库汇总-压中真题已成为一种习惯

★力学★ 运动的描述: 质点、参考系、坐标系 时间与时刻 位移与路程 速度、速率 平均速度和瞬时速度 加速度 电磁打点计时器和电火花计时器 直线运动: 匀速直线运动 匀变速直线运动 匀变速直线运动基本公式应用 匀变速直线运动导出公式应用 自由落体运动 竖直上抛运动 探究小车速度随时间变化的规律 运动的图象 S-t图象 V-t图象 追及相遇问题 相互作用: 力的描述 重力 弹力 弹性形变和弹力 探究弹力和弹簧伸长的关系 摩擦力 滑动摩擦力 静摩擦力 力的合成与分解 平行四边形定则 力的合成 力的分解 正交分解 共点力的平衡 三力平衡 动态平衡分析 力矩平衡 牛顿运动定律: 牛顿第一定律 伽利略理想实验 惯性与质量 牛顿第二定律及应用 对单物体(质点)的应用 对质点系的应用 连接体问题 牛顿定律与图象 超重失重 探究加速度与力、质量的关系 牛顿第三定律 牛顿运动定律与电磁学综合 曲线运动: 曲线运动的特点 运动的合成与分解 位移的合成与分解 速度的合成与分解 小船渡河问题分析 最短时间过河 最短位移过河 拋体运动的规律 平抛运动的概念与轨迹 平抛运动的运动规律 研究平抛运动 斜抛运动 圆周运动 描述圆周运动的物理量 匀速圆周运动 向心力与向心加速度 圆周运动实例分析 离心运动和向心运动 万有引力与航天: 开普勒定律 万有引力定律及其应用 天体的匀速圆周运动的模型 人造卫星与飞船 近地卫星和同步卫星 宇宙速度 功和机械能: 恒力做功 变力做功 功率 功率的概念 机车启动 动能与重力势能 动能 探究功与速度变化的关系 弹性势能 动能定理及应用 动能定理的理解 动能定理的综合应用 摩擦力做功 皮带模型 机械能守恒定律 机械能 机械能守恒及其条件 机械能综合应用 能量守恒定律 功能关系 动量: 动量和冲量 动量 冲量 动量定理 动量守恒定律 碰撞 弹性碰撞 非弹性碰撞 反冲 反冲现象 爆炸 机械振动、机械波: 简谐运动 简谐运动的图象 单摆 用单摆测重力加速度 阻尼振动 受迫振动和共振 机械波的形成和传播 机械波的图象 波的干涉和衍射 多普勒效应 波长、波速和频率的关系 力学综合: 子弹打木块模型 弹簧综合 应用数学知识综合 ★电磁学★ 静电现象: 电荷 库仑定律 静电场 电场强度 电场强度的叠加 电势能和电势 等势面 电势差 电势差与电场强度的关系 静电平衡 静电场中的导体 电容器 电容 平行板电容器的电容 电容器的动态分析 电荷在电场中的加速 电荷在电场中的偏转 电荷在交变电场中的运动 示波管的原理与使用 恒定电流: 电源和电流 电流和电荷量 电阻和欧姆定律 电阻、电阻率 影响导体电阻的因素、电阻定律 导体的伏安特性曲线 电阻定律 电功率和电功 焦耳定律 闭合电路的欧姆定律 电源电动势和内阻 全电路的功和能 含容电路 半导体 超导 串联和并联 电表 电流表的构造及使用 欧姆表 练习使用多用电表 磁场: 磁现象和磁场 磁场、地磁场 磁感应强度 安培分子电流假说 通电导线在磁场中受到的力 安培力及其方向 左手定则 安培力的大小 洛伦兹力 粒子在有界磁场中运动 粒子在复合场中运动 磁场和重力场的复合 磁场、电场和重力场复合 电磁场的应用 质谱仪 回旋加速器 电磁流量计 磁流体发电机 电磁感应: 电磁感应现象 楞次定律 法拉第电磁感应定律及应用 磁通量 互感与自感 电磁感应与力学 电磁感应与电路 电磁感应与图象 电磁感应中切割类问题 电磁感应中磁变类问题 交变电流: 交变电流的产生及规律 描述交变电流的物理量 周期和频率 交流电的最大值与有效值 交流电图象 变压器原理 电能的输送 电感和电容对交流电的影响 示波器的使用 门电路 传感器: 与门、或门、非门 门电路设计与应用 传感器 电磁波: 电磁场与电磁波 电磁波的发射和接收 电磁波谱 电磁场理论 复合场: ★热学★ 分子动理论: 物质由大量分子组成 用油膜法估测分子直径的大小 分子大小与阿伏加德罗常数 分子热运动 扩散 布朗运动 分子间的作用力 分子动能、分子势能、内能 温度、温度计和温标 热力学定律: 热力学第一定律 热力学第二定律 热力学第三定律 热机: 热机原理与热机效率 内燃机原理 电冰箱与空调器 固体: 晶体和非晶体 晶体的微观结构 液体: 液体的表面张力 浸润和不浸润、毛细现象 气体: 气体的状态方程 气体实验定律 饱和汽与饱和气压 空气湿度、湿度计 物态变化中的能量交换: ★光学★ 光的反射和折射: 光的反射定律 光的折射定律 折射率 测定玻璃的折射率 全反射、临界角 光的干涉和衍射: 杨氏干涉实验 用双缝干涉测量光的波长 光的衍射 衍射光栅 光的偏振和色散: 偏振现象 偏振现象的应用 光谱 光的色散、光的颜色 薄膜干涉、衍射、折射中的色散 激光: 激光及其特点 光的粒子性: 光子的动量 光电效应 康普顿效应 物质波 光的波粒二象性 ★原子物理与相对论★ 原子结构: 原子的核式结构 氢原子光谱 玻尔原子理论 原子核: 原子核的组成 原子核的衰变、半衰期 核反应方程 质能方程 放射性的应用与防护 核裂变与核聚变 探测射线的方法 夸克: 宇宙和恒星的演化 相对论: 经典时空观与相对论时空观 狭义相对论的两个基本假设 同时的相对性 时间间隔的相对性 ★物理实验★ 力学实验 热学实验 电磁学实验 光学实验 其他实验 ★物理学史和研究方法★ 物理学史: 研究方法: 整体法隔离法 控制变量法 假设法 等效法 图象法 极限法 微元法 ★单位制及量纲★ ★当代社会热点问题★ ★其他★ 能源和可持续发展:

高中物理知识点大全《导体的伏安特性曲线》试题预测(2017年最新版)(七)
2017-08-25 12:28:14 来源:91考试网 作者:www.91exam.org 【
微信搜索关注"91考试网"公众号,领30元,获取公务员、事业编、教师等考试资料40G!

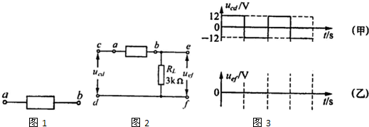
1、简答题  某同学对黑箱(如图1)中一个电学元件的伏安特性进行研究.通过正确测量,他发现该元件两端的电压(Uab=Ua-Ub?)?与流过它的电流I之间的变化关系有如下规律
91考试网
①当-l5V<Uab<0V时,I近似为零.
②当Uab≥0,Uab和I的实验数据见下表,

编号1234567
Uab/V
0.000
9.245
0.480
0.650
0.705
0.725
0.745
I/mA
0.00
0.15
0.25
0.60
1.70
4.25
7.5
(1)根据上述实验事实,该元件具有的特性有______
A.单向导电?B.通过的电流与电压是线性关系
C.通过的电流与电压是非线性关系?D.非单向导电
(2)若将此黑箱接入如图2所示的电路中,并在该电路的cd两端输人如图?3(甲)所示的方波电压信号Ucd.请在图(乙)中定性(不必计算电压值标度)画出负载电阻RL上的电压信号Uef的波形.



2、实验题  一个用电器R0,标有“10 V/2 W”,为测定它在不同电压下的电功率及额定电压下的电功率,需测定不同工作状态下通过用电器的电流和两端电压,现有器材如下:
A.直流电源12 V,内电阻可不计
B.直流电流表0~0.6~3 A,内阻在0.1 Ω以下
C.直流电流表0~300 mA,内阻约5 Ω
D.直流电压表0~15 V,内阻约15 kΩ

E.滑动变阻器10 Ω,2 A
F.滑动变阻器1 kΩ,0.5 A
(1)实验中电流表应选用_______,滑动变阻器选用_______.(填字母序号)
(2)在方框中画出实验误差较小的实验电路图.



3、实验题  小明同学用下列器材描绘额定电压为3.0V的小灯泡伏安特性图线( 要求电压变化从零开始),并研究小灯泡实际功率及灯丝温度等问题。
A.电流表(0.6A,1 Ω)?
B.电压表(3V,1k Ω)
C.滑动变阻器(10Ω,1A)?
D.电源(4V,内阻不计)
(1)用笔画线代替导线,将图中的实验仪器连成完整的实验电路。

(2)开关闭合前,滑动变阻器的滑片应置于_______ 端(填“a”?或“b”)。
(3)闭合开关,变阻器的滑片向b端移动,电压表的示数逐渐增大,电流表指针却几乎不动,则电路的故障为_______。
(4)排除故障后,小明完成了实验,并由实验数据画出小灯泡I-U图像如图中实线所示。由图可确定小灯泡在电压为2.0V时实际功率为_______ (保留两位有效数字)。
(5)下图是用多用电表欧姆档“×1”档直接测量小灯泡灯丝在27℃时电阻值,则阻值为_______Ω,若小灯泡灯丝电阻值与灯丝温度的关系为R=k(203+t),k为比例常数。根据I-U图中的实线,估算该灯泡正常工作时灯丝的温度约为_______℃。
(6)若I-U图中的虚线Ⅰ或Ⅱ表示小灯泡真实的伏安特性曲线,与实线相比,虚线_______ (填Ⅰ或Ⅱ)才是其真实的伏安特性曲线。



4、实验题  (10分)某兴趣小组欲通过测定工业污水(含多种重金属离子)的电阻率来判断某工厂废水是否达到排放标准(达标的污水离子浓度低,电阻率大,一般电阻率≥200Ω·m的工业废水即达到排放标准)。如图甲所示为该同学所用盛水容器,其左、右两侧面为金属薄板(电阻极小),其余四面由绝缘材料制成,左右两侧带有接线柱。容器内表面长a=40cm,宽b=20cm,高c=10cm。将水样注满容器后,进行以下操作:

(1)分别用多用电表欧姆挡的“×1k”、“× 100”两档 粗测水样的电阻值时,表盘上指针如图乙所示,则所测水样的电阻约为? .?Ω。

(2)为更精确地测量所取水样的电阻,该小组从实验室中找到如下实验器材:
A.电流表(量程5mA,电阻R A为500Ω)
B.电压表(量程15 V,电阻R v约为10 kΩ)
C.滑动变阻器(0~20Ω,额定电流1 A)
D.电源(12V,内阻约10Ω)
E.开关一只、导线若干
请完成电路连接。
(3)正确连接电路后,闭合开关,测得一组U、I数据;再调节滑动变阻器,重复上述测量步骤,得出一系列数据如表所示。

U/V
2.0
4.0
6.0
8.0
10.0
12.0
I/mA
0.73
1.43
2.17
2.89
3.58
4.30
由以上测量数据可以求出待测水样的电阻率为?Ω·m。据此可知,所测水样?排放标准(填“达到”或 “没达到”)



5、简答题  一电阻额定功率为0.01W,阻值不详,用欧姆表粗测其阻值约为40kΩ,现有下列仪表元件,试设计适当的电路,选择合适的元件,较精确地没定其阻值.
①电流表,量程0-300μA,内阻150Ω;
②电流表:量程0-1500μA,内阻45Ω;
③电压表:量程0-3V,内阻6kΩ;
④电压表,量程0-15V,内阻30kΩ;
⑤电压表,量程0-50V,内阻100kΩ;
⑥直流电源,输出电压24V,额定电流0.5A
⑦滑动变阻器,0-50Ω,3W;
⑧滑动变阻器,0-2kΩ,1W;
⑨电键一只,连接导线足量
(1)电流表选______,电压表选______,滑动变阻器选______,(均填用电器前面的数字序号)
(2)在方框内画出电路图.91考试网



】【打印繁体】 【关闭】 【返回顶部
下一篇高中物理高考知识点《电功率和电..

网站客服QQ: 960335752 - 14613519 - 791315772