微信搜索关注"91考试网"公众号,领30元,获取公务员、事业编、教师等考试资料40G!
1、简答题 把长L=0.2m,阻值R=1.4Ω的导体棒置于磁感应强度B=1.0×10-2T的匀强磁场中,使导体棒和磁场方向垂直,如图所示,若导体棒与一电动势E=3V,内阻r=0.1Ω的电源形成闭合回路,电流方向水平向左,则导体棒受到的安培力大小为多少?安培力的方向如何?

参考答案:(1)由闭合电路欧姆定律可得解得:I=ER+r=31.4+0.1A=2A
根据安培力公式为:F=BIl=0.01×2×0.2=0.004N
(2)由左手定则可知,安培力的方向竖直向下.
答:则导体棒受到的安培力大小为0.004N,安培力的方向竖直向下
本题解析:
本题难度:一般
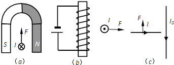
2、选择题 在如图所示的四个图中,标出了匀强磁场的磁感应强度B的方向、通电直导线中电流I的方向以及通电直导线所受安培力F的方向,其中正确表示三者方向关系的图是( )
A.

B.

C.

D.

参考答案:根据左手定则可得,
A中安培力的方向是垂直向外的,
B中安培力的方向是竖直向下的,
C中安培力的方向是竖直向上的,
D中运动方向和磁场方向平行,不受安培力的作用,
故选C.
本题解析:
本题难度:简单
3、简答题 图(a)中F表示通电直导线所受磁场力,请标出电流I的方向;请标出图(b)和图(c)所示情形下通电直导线I所受磁场力F的方向.

参考答案:(a)由左手定则可知,电流垂直于纸面向力,如图所示;
(b)由安培定则可知,电流所在处磁场方向竖直向下,由左手定则可知,通电导线所受安培力水平向右,如图所示;
(c)由安培定则可知电流I所在处磁场方向垂直于纸面向力,由左手定则可知,电流I所受安培力竖直向上,如图所示;
故答案为:如图所示.

本题解析:
本题难度:一般
4、计算题 如图甲所示,在水平地面上固定一对与水平面倾角为α的光滑平行导电轨道,轨道间的距离为l,两轨道底端的连线与轨道垂直,顶端接有电源。将一根质量为m的直导体棒ab放在两
轨道上,且与两轨道垂直。已知轨道和导体棒的电阻及电源的内电阻均不能忽略,通过导体棒的恒定电流大小为I,方向由a到b,图11乙为图甲沿a→b方向观察的平面图。若重力加速度为g,在轨道所在空间加一竖直向上的匀强磁场,使导体棒在轨道上保持静止。

小题1:请在图11乙所示的平面图中画出导体棒受力的示意图;
小题2:求出磁场对导体棒的安培力的大小;
小题3:如果改变导轨所在空间的磁场方向,试确定使导体棒在轨道上保持静止的匀强磁场磁感应强度B的最小值的大小和方向。
参考答案:
小题1:如图所示

小题2:F=mgtanα
小题3:
方向为垂直轨道平面斜向上
本题解析:(1)如图答-2所示………………(3分)

(2)根据共点力平衡条件可知,磁场对导体棒的安培力的大小
F=mgtanα………………(2分)
(3)要使磁感应强度最小,则要求安培力最小。根据受力情况可知,最小安培力
Fmin=mgsinα,方向平行于轨道斜向上……………(1分)
所以最小磁感应强度Bmin=
=
……………(1分)
根据左手定则可判断出,此时的磁感应强度的方向为垂直轨道平面斜向上。…(1分)
本题难度:一般
5、选择题 如图所示,在同一平面上有a、b、c三根等间距平行放置的长直导线,依次载有电流强度为1A、2A、3A的电流,电流方向如图,则( )
A.导线a所受的安培力方向向左
B.导线b所受的安培力方向向右
C.导线c所受的安培力方向向右
D.由于不能判断导线c所在位置的磁场方向,所以导线c受的安培力方向也不能判断