微信搜索关注"91考试网"公众号,领30元,获取公务员、事业编、教师等考试资料40G!
1、计算题 输电线的电阻共计10Ω,输送的电功率是100kw,用400V的低压送电,输电线上发热损失的功率是多少kw?改用10kV的高压送电,发热功率损失又是多少kw?
参考答案:
? P2=I22r=102×1=0.1(kw)
本题解析:
【错解分析】错解一:当用400W的低压送电时,
,所以
。
错解二:设负载电阻为R,输电线电阻为r,


所以
当输送电压
时,

错解一是对欧姆定律使用不当,输送电压是加在输电线电阻和负载上的,如果把它考虑成输电线上的电压求电流强度当然就错了。错解二注意到了负载的作用,所求出的损失功率P1是正确的,然而在高压送电电路中,负载都是使用了变压器而错解二把它当作纯电阻使P2解错。
【正解】输送电功率100kw,用400V低压送电,输电线上电流

输电线上损失功率

若用10kV高压送电输电线上电流

输电线上损失功率P2=I22r=102×1=0.1(kw)
【点评】一道很简单的题目做错了,有些人将错解原因归结为:粗心、看错了题目。其实真正的原因是解题不规范。如果老老实实地画出电路图标出各个物理量,按图索骥就可以避免所谓的“粗心”的错误。
本题难度:一般
2、选择题 已知两电阻R1、R 2的I-U图线如图14-5-5所示,把R 1、R2并联接到一电源上,R1消耗的功率为6 W,则电源输出的功率是( )

图14-5-5
A.8 W
B.10 W
C.15 W
D.22 W
参考答案:B
本题解析:由U-I曲线得知R1=8Ω,R2=12Ω,并联时P1=U 2/R1="6" W,故U2=48,则P2=U2/R 2=4W,所以P总=P1+P2="10" W.?
本题难度:简单
3、选择题 下面列出了不同品牌的电视机、电风扇、空调机和电冰箱铭牌上的主要项目,试判断(1)正常工作时,其中功率最大的是(? )

(2)根据上题铭牌上提供的信息,判断在12 h内正常使用的电冰箱与连续运转的电风扇消耗电能的情况是()
A.电冰箱比电风扇多
B.电风扇比电冰箱多
C.电风扇与电冰箱一样多
D.电冰箱比电风扇可能多,也可能少
参考答案:(1)D(2)B
本题解析:(1)显然正常工作时电视机功率为85 W,电冰箱的功率为70 W,电风扇的功率为65 W,空调机的功率为P=U·I="1" 364 W,因此,功率最大的是空调机.
(2)由铭牌可知,电冰箱的耗电量为“0.50 kWh/24h”,故在12小时内正常使用的电冰箱耗电量为0.25 kWh.而电风扇的额定功率为65 W,故在12小时内连续运转的电风扇耗电荷量为65×12×10-3 kWh="0.78" kWh.可见,电风扇耗电比电冰箱多,本小题正确选项为B.
本题难度:简单
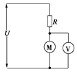
4、计算题 (10分)有一起重机用的是直流电动机,如图所示,其内阻r=0.8Ω,线路电阻R=10Ω,电源电压U=150V,伏特表的示数为110V,求:

(1)通过电动机的电流.
(2)输入到电动机的功率P入.
(3)电动机的发热功率Pr,电动机输出的机械功率.
参考答案:(1)4A(2)440W(3)427.2W
本题解析:(1)
(2)
(3)

点评:电动机工作时电路是非纯电阻电路,欧姆定律不适用,不能根据
求通过电动机的电流,只能对电阻运用欧姆定律进行研究.
本题难度:简单
5、选择题 如图所示的U-I图像,直线Ⅰ为某一电源的路端电压与电流的关系,直线Ⅱ为某一电阻的伏安特性曲线,用该电源直接与电阻R连接成闭合回路,由图可知(? )

A.R的阻值为1.5Ω
B.电源电动势为3V,内阻为0.5Ω
C.电源的输出功率为3.0W
D.电源内部消耗的功率为1.5W
参考答案:AD
本题解析:由图线I可知电源电动势为3V,短路电流为2A,电源内阻为1.5Ω,由图线II可知电阻R阻值为1.5Ω,交点表示电源与电阻串联后,电阻R来那个短电压为1.5V,电流为1A,此时电源输出功率为总功率的0.5倍,内电路功率等于外电路功率,AD正确
点评:难度较小,对于伏安特性曲线,要明确截距、斜率的物理意义,从本题来看,从两个图线上能够得出的数值有:电动势、内阻、外电阻阻值等
本题难度:简单