微信搜索关注"91考试网"公众号,领30元,获取公务员、事业编、教师等考试资料40G!
               
                  
                   
     
      
            1、实验题  用如图所示的电路测量待测电阻RX的阻值时,下列关于由电表产生误差的说法中,正确的是

A.由于电压表的分流作用,使电阻的测量值小于真实值
B.由于电流表的分压作用,使电阻的测量值小于真实值
C.电压表的内电阻越大,测量越精确
D.电流表的内电阻越大,测量越精确
 
	参考答案:AC
	本题解析:电阻R的测量值 ,电阻的真实值
,电阻的真实值 ,由于电压表的分流,所以
,由于电压表的分流,所以 ,即测量值比真实值要小,A正确,电流表并不分担电阻的电压,B错误,根据由
,即测量值比真实值要小,A正确,电流表并不分担电阻的电压,B错误,根据由 得
得 得电压表的内电阻越大,测量越精确,C正确D错误
得电压表的内电阻越大,测量越精确,C正确D错误
点评:根据根据实验原理.伏安法是测量电阻的基本方法,有电流表内接法和外接法两种电路结构.
	本题难度:简单
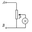
	        2、选择题  如图所示,A B间电压恒为U,当滑动变阻器的滑片P逐渐向B端移动的过程中灯泡上的电压数值是(?)

A.一直为U
B.一直为0
C.逐渐增大到U
D.逐渐减小到0
 
	参考答案:D
	本题解析:设滑动变阻器滑片P上方电阻为R1,P下方电阻为R2,滑片P逐渐向B端移动的过程中,R1在增大,R2在减小,由图知灯泡与R2并联,所以并联后总电阻减小,根据串联电路的分压规律:电阻越小,所分电压越少,所以灯泡与R2并联电路的电压逐渐减小到零,故D正确。
	本题难度:一般
	        3、计算题  如图所示,在相距40 km的A、B两地间架两条输电线,电阻共为800 Ω。如果在A、B间的某处发生短路,这时接在A地的电压表示数为10 V,电流表示数为40 mA。求发生短路处距A地有多远? 

 
	参考答案:解:设发生短路处距离A地为x,据题意知,A、B两地间的距离l=40 km,电压表的示数U=10 V,电流表的示数I=40 mA=40×10-3 A,R总=800 Ω
根据欧姆定律 可得A地到短路处的两根输电线的电阻Rx,即
可得A地到短路处的两根输电线的电阻Rx,即 ①
 ①
根据电阻定律可知: ?②
?② 
A、B两地输电线的电阻为R总 ?③
?③ 
由②③式得
解得
	本题解析:
	本题难度:困难
	        4、选择题  欧姆定律对于下列哪些物体(或物质)的导电是不适用的(  )
A.稀薄气体
B.气体
C.电解液
D.金属
 
	参考答案:AB
	本题解析:
	本题难度:一般
	        5、计算题  如图所示,电动机M的内阻是0.6Ω,R=10Ω,直流电压U=160V,电压表示数110V。求:
(1)通过电动机的电流多大? 
(2)电动机消耗的电功率为多少?
 (3)电动机工作1h所产生的热量为多少? 

 
	参考答案:解:UR=U-UM=160-110=50V 
(1)电动机电流:IM=IR=UR/R=5A 
(2)电动机的功率:PM=IMUM=550W 
(3)电动机产生的热量:QM=IM2RMt=5.4×104J
	本题解析:
	本题难度:一般