微信搜索关注"91考试网"公众号,领30元,获取公务员、事业编、教师等考试资料40G!
1、填空题 如图是一种测通电螺线管中磁场的装置,把一个很小的测量线圈A放在待测处,线圈与测量电量的电表Q串联,当用双刀双掷开关K使螺线管的电流反向时,测量线圈中就产生感应电动势,从而引起电荷的迁移,由Q表测出移动电荷电量为q,就可以算出线圈所在处的磁感强度B.已知测量线圈共有N匝,直径为d,它和Q表串联电路的总电阻为R,则被测处的磁感强度B=______.
2、选择题 某一实验装置如左图所示,在铁芯上绕着两个线圈P和Q,如果线圈P中的电流i随时间t的变化关系有如下图所示的四种情况,则在线圈Q中不能观察到的感应电流的是(? )
3、选择题 如图,一端接有定值电阻的平行金属轨道固定在水平面内,通有恒定电流的长直绝缘导线垂直并紧靠轨道固定,导体棒与轨道垂直且接触良好。在向右匀速通过
两区的过程中,导体棒所受安培力分别用
、
表示。不计轨道电阻。以下叙述正确的是

向右 B.
向左 C.
逐渐增大 D.
逐渐减小
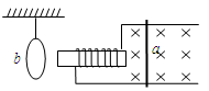
4、选择题 如图所示,当金属棒a在处于磁场中的金属轨道上运动时,金属线圈b向左摆动,则金属棒a? (? )

A.向左匀速运动
B.向右减速运动
C.向左加速运动
D.向右加速运动
5、填空题 应用楞次定律判断感应电流的方向时,首先要 ;其次是 ;然后依据楞次定律 ;最后 。