微信搜索关注"91考试网"公众号,领30元,获取公务员、事业编、教师等考试资料40G!
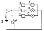
1、选择题 (6分)如图所示,A、B、C为三个相同的灯泡,a、b、c为与之串联的三个元件,E1为直流电源,E2为交流电源。当开关S接“1”时,A、B两灯均正常发光,C灯不亮。S接“2”时,A灯仍正常发光,B灯变暗,C灯正常发光。由此可知,a元件应是?b元件应是?c元件应是 ?。(选填“电阻”“电容”“电感”)

2、填空题 如图所示,电路中三个完全相同的灯泡a、b和c分别与电阻R、电感L和电容C串联,当电路两端接入220V、50Hz的交变电压时,三个灯泡的亮度恰好相同。若保持交变电压大小不变。只将频率增大到60Hz,亮度变亮灯泡是____________。

3、选择题 在收音机线路中,经天线接收下来的电信号既有高频成份,又有低频成份,经放大后送到下一级,需要把低频成份和高频成份分开,只让低频成份输送到再下一级,我们可以采用如图所示电路,其中a、b应选择的元件是( ? )
A.a是电容较大的电容器,b是低频扼流圈
B.a是电容较大的电容器,b是高频扼流圈
C.a是电容较小的电容器,b是低频扼流圈
D.a是电容较小的电容器,b是高频扼流圈