| 高考省级导航 | |
| 
 | |
| 高考物理试题《闭合电路的欧姆定律》在线测试(2017年最新版)(五) 
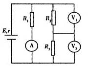
  4、选择题  在如图所示的电路中,电池的电动势为E,内阻为r,R1为金属电阻、R2为光敏电阻、R3为热敏电阻。设电流表A的读数为I,电压表V1的读数为U1,电压表V2的读数为U2,三个电阻中仅有一个电阻的阻值发生变化,则下面的分析正确的是(  ) 5、选择题  (2011·镇江模拟)如图所示,电阻R1="20" Ω,电动机绕线电阻R2="10" Ω,当电键S断开时,电流表的示数是I1="0.5" A;当电键S合上后,电动机转动起来,电路两端的电压不变,此时电流表的示数I和电路消耗的电功率P应满足(? ) | 
| 【大 中 小】【打印】 【繁体】 【关闭】 【返回顶部】 | |
| 下一篇:高考物理试卷《牛顿第三定律》试.. | |