微信搜索关注"91考试网"公众号,领30元,获取公务员、事业编、教师等考试资料40G!
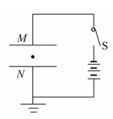
1、选择题 如图所示,在平行板电容器正中有一个带电微粒.S闭合时,该微粒恰好能保持静止.在以下两种情况下:①保持S闭合,②充电后将S断开.下列说法能实现使该带电微粒向上运动打到上极板的是(? )

A.①情况下,可以通过上移极板M实现
B.①情况下,可以通过上移极板N实现
C.②情况下,可以通过上移极板M实现
D.②情况下,可以通过上移极板N实现
参考答案:B
本题解析:要使粒子向上运动,则电场力增大,若保持S闭合,则电容器两端的电压不变,要使电场强度增大,根据公式
可得,可以通过上移极板N实现,A错误,B正确,
若断开S,两极板所带电荷量保持不变,根据公式
,得
,故电场强度和两极板间的距离无关,所以CD错误,
点评:解决电容器的动态分析问题关键抓住不变量.若电容器与电源断开,电量保持不变;若电容器始终与电源相连,电容器两端间的电势差保持不变.
本题难度:一般
2、选择题 如图所示,在场强为E的匀强电场中有A、B两点,AB连线长L,与电场线夹角为α.则AB两点的电势差为

A.零
B.EL
C.ELsinα
D.ELcosα
参考答案:D
本题解析:由公式U=Ed中d为两点间距离沿着电场线方向的投影,
,D对;
本题难度:简单
3、选择题 一台国产封闭型贮水式电热水器的铭牌上所列的主要技术参数如下表所示。根据表中提供的数据,此电热水器在额定电压下处于加热状态时,下列判断正确的是( ? )

A.通过热水器的电流约为0.15A
B.通过热水器的电流约为4.4A
C.热水器工作5小时耗电6kW·h
D.热水器工作5小时耗电60kW·h
参考答案:C
本题解析:
本题难度:一般
4、选择题 不定项选择
关于电源电动势的说法,正确的是( ? )
A.电源电动势的单位是焦耳
B.电源的路端电压增大时,电源电动势也随着增大
C.无论内电压和外电压如何变化,电源电动势不变
D.电动势是反映电源把其他形式的能转化为电能的本领的物理量
参考答案:CD
本题解析:
本题难度:简单
5、选择题 如图所示是一个由电池、电阻R与平行板电容器组成的串联电路,平行板电容器中央有一个液滴处于平衡状态,当增大电容器两板间距离的过程中(?)

A.电容器的电容变大
B.电阻R中有从a流向b的电流
C.液滴带负电
D.液滴仍然平衡
参考答案:BC
本题解析:电路稳定时,电容器的电压等于电源的电动势.在增大电容器两板间距离的过程中,由
知,电容减小,电压U不变,则电量Q=CU减小,电容器放电.由于电容器上极板带正电,则电阻R中有从a流向b的电流.故A错误,B正确;因液滴处于平衡状态,则有
,且电场力向上,又电场强度的方向向下,所以液滴带负电,故C正确;
分析知,U不变,d增大,极板间的场强E减小,故电场力小于重力,质点将向下运动,故D错误.所以选BC.
本题难度:一般