1、实验题  下面的实验你可能用到这样一个原理:图1电路可等效为图2的电源,若图1中电源的电动势为E0,内阻为r0,电阻为R;图2中等效电源的电动势为E,内阻为r.可以证明.请完成下列实验
(1)某同学在“测定电源的电动势和内阻”实验时,
①他们采用图3的实验电路进行测量,图4给出了实验所需要的各种仪器,请你按电路图把实物连成实验电路.
②这位同学测量时记录了5组数据,并将数据填入了表格中.请你根据这些数据在坐标系图5画出图线根据图线求出电池的电动势E= _________ V,内阻r= _________ Ω(结果保留到小数点后两位)
| 次数 
 | 1 
 | 2 
 | 3 
 | 4 
 | 5 
 | 
| I 
 | 0.15 
 | 0.25 
 | 0.36 
 | 0.45 
 | 0.56 
 | 
| U 
 | 1.40 
 | 1.35 
 | 1,30 
 | 1,25 
 | 1.20 
 | 
③这位同学对以上实验的系统误差进行了分析.其中正确的是 _________ .
A.主要是由电压表的分流引起的
B.主要是由电流表的分压引起的
C.电动势测量值小于真实值
D.内阻测量值大于真实值
(2)另一个同学用一支电流计,滑动电阻器(满偏电流为Ig,内阻为r),滑动变阻器,干电池(电动势为E,内阻为r)设计了如图6的电路,该电路被称为顺向刻度欧姆电流表,即指针不偏时,被测电阻为零,指针偏满时,被测电阻为∞,该电表已调整好,令此时 .若电流计满刻度的格数为N,当红黑表笔间接被测电阻Rx时,指针偏转格数为
.若电流计满刻度的格数为N,当红黑表笔间接被测电阻Rx时,指针偏转格数为 ,则Rx= _________ (用R0表示)
,则Rx= _________ (用R0表示)

 
	参考答案:(1) ①(2分)

②1.47±0.01V?(1分) 0.50±0.02Ω(1分)?作图(1分)③AC(2分)(2) 3R0(3分
 )
)
	本题解析:(1)按照电路图连接;(2)根据闭合电路的欧姆定律 可得:图象纵轴截距表示电动势大小,斜率表示内电阻;(3)电流表测的不是干路电流,所以引起误差的原因是电压表分流;(4)电表已调整好,表明红、黑表笔间未接待测电阻时,电流计指针正好满偏,此时电流计两端电压为
可得:图象纵轴截距表示电动势大小,斜率表示内电阻;(3)电流表测的不是干路电流,所以引起误差的原因是电压表分流;(4)电表已调整好,表明红、黑表笔间未接待测电阻时,电流计指针正好满偏,此时电流计两端电压为 。将该电路整体视为等效电源,红、黑表笔相当于等效电源的负极和正极,此时等效电源外电路处于断路,红、黑表笔间电压的大小等于等效电源电动势大小
。将该电路整体视为等效电源,红、黑表笔相当于等效电源的负极和正极,此时等效电源外电路处于断路,红、黑表笔间电压的大小等于等效电源电动势大小 ,红、黑表笔分别与电流计负、正接线柱电势相等,所以
,红、黑表笔分别与电流计负、正接线柱电势相等,所以 。根据题干已知条件,可知
。根据题干已知条件,可知 为等效电源内阻。当红、黑表笔间接被测电阻
为等效电源内阻。当红、黑表笔间接被测电阻 时,指针偏转格数
时,指针偏转格数 ,表明此时红黑表笔间电压
,表明此时红黑表笔间电压 ,即等效电源外电压为
,即等效电源外电压为 ,则等效电源内阻
,则等效电源内阻 分得电压为
分得电压为 ,所以,此时等效电源的外电阻
,所以,此时等效电源的外电阻 。
。
	本题难度:一般
	        2、实验题  现提供如下器材,请你较准确的测定电流表A1的内阻。
电流表A1(量程300 mA,内阻约为5Ω);
电流表A2(量程600 mA,内阻约 为1Ω);
电压表V(量程15 V,内阻约为3 kΩ);
定值电阻R0 (5Ω);
滑动变阻器R1(0~10Ω,额定电流为1 A);
滑动变阻器R2(0~250Ω,额定电流为0.3 A);
电源E(电动势3V,内阻较小),导线、开关若干。

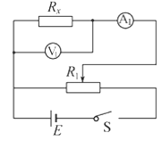
①要求电流表A1的示数从零开始变化,且多测几组数据,尽可能的减少误差。在如图所示虚线框内画出测量用的电路图,并在图中标出所用仪器的代号。
②若选测量数据中的一组来计算电流表A1的内阻,则所用电流表A1的内阻表达式为r1 =?;式中各符号的意义是     ?      ?。
 
	参考答案:①电路如图所示 

② ?  I1、I2分别为电流表A1、A2的示数,R0为定值电阻大小。
?  I1、I2分别为电流表A1、A2的示数,R0为定值电阻大小。
	本题解析:①测定电流表A1的满偏电压为 ,而电压表V的量程15 V,电压表的量程太大,测量电流表的电压误差较大,故电压表不能使用,电流表A2的内阻未知,也不能充当电压表,只能让定值电阻R0充当电压表,与电流表A1并联,再与电流表A2串联;又因题设要求电流表A1的示数从零开始变化,且多测几组数据,尽可能的减少误差,所以滑动变阻器必须采用分压式接法,滑动变阻器应选R1,电路如图所示。
,而电压表V的量程15 V,电压表的量程太大,测量电流表的电压误差较大,故电压表不能使用,电流表A2的内阻未知,也不能充当电压表,只能让定值电阻R0充当电压表,与电流表A1并联,再与电流表A2串联;又因题设要求电流表A1的示数从零开始变化,且多测几组数据,尽可能的减少误差,所以滑动变阻器必须采用分压式接法,滑动变阻器应选R1,电路如图所示。

②根据电路结构,由串并联电路特点可知,流过定值电阻R0的电流为 ,根据欧姆定律得:
,根据欧姆定律得: ,
, ,其中I1、I2分别为电流表A1、A2的示数,R0为定值电阻大小。
,其中I1、I2分别为电流表A1、A2的示数,R0为定值电阻大小。
	本题难度:一般
	        3、实验题  某兴趣小组为了测量一待测电阻Rx的阻值,准备先用多用电表粗测出它的阻值,然后再用伏安法精确地测量,实验室里准备了以下器材:
A.多用电表
B.电压表V1,量程6V,内阻约10kΩ
C.电压表V2,量程15V,内阻约20kΩ
D.电流表A1,量程0.6A,内阻约0.2Ω
E.电流表A2,量程3A,内阻约0.02Ω
F.电源:电动势E="6" V
G.滑动变阻器R1,最大阻值10Ω,最大电流为2A
H.滑动变阻器R2,最大阻值50Ω,最大电流为0.2A
I.导线、电键若干
小题1:在用多用电表粗测电阻时,该兴趣小组首先选用“×10”欧姆挡,指针立刻偏转到表盘的右边接近0刻度处,为了减小多用电表的读数误差,多用电表的选择开关应换用_____? ___欧姆挡;
小题2:按正确的操作程序调换欧姆挡之后再一次用多用电表测量该待测电阻的阻值时,其阻值如图中指针所示,则Rx的阻值是_____? ___Ω;

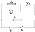
小题3:在用伏安法测量该电阻的阻值时,要求待测电阻的电压从0开始可以连续调节,则在上述器材中应选择的器材有____? ___.(填器材前面的字母代号)
小题4:请在答题卡虚线框内画出第(3)问中所应用的实验电路图.
 
	参考答案:
小题1:
小题2:
小题3:
小题4:

	本题解析:分析:(1)①欧姆表读数时,由于中间附近的刻度最均匀,故要使指针指在中间附近;
②欧姆表读数等于刻度盘读数乘以倍率;
(2)①电源、滑动变阻器、导线和电键是必须选择的,要减小误差,电压表和电流表量程都选择较小的量程,只要不超过量程即可;
②为获得较大的电压条件范围,滑动变阻器选择分压式接法;由于待测电阻的电阻值与电流表的电阻值较接进,故采用电流表外接法.
解答:解:(1)①甲图指针偏向右侧,读数误差大,故选择较低的挡位;
故答案为:“×1”.
②欧姆表读数=刻度盘读数×倍率
故答案为:14;
(2)①电源、滑动变阻器、导线和电键是构成闭合电路必须选择的;
要减小误差,在不超出量程的情况下,电压表和电流表量程尽量选择较小的量程;
故选:BDFGH;
②如图所示

点评:本题关键要明确电阻的测量方法、原理和实验误差的处理,其中用伏安法测量电阻时电流表内、外接法和滑动变阻器的接法选择是重点所在.
	本题难度:一般
	        4、实验题  某同学在“测金属电阻率”实验中测得电阻线横截面直径为0.200mm,接入电路中的电阻线长度为50.00cm,并测得当电阻线两端电压为2V时,通过电阻线的电流为0.5A,则此金属电阻率为?。
 
	参考答案::2.51×10-7 Ω·m
	本题解析::电阻定律的表达式为 ,
, ,由欧姆定律得
,由欧姆定律得 可以求得此金属电阻率ρ=2.51×10-7 Ω·m
可以求得此金属电阻率ρ=2.51×10-7 Ω·m
点评:电阻的大小由长度、截面积、材料(电阻率)决定,与电压和电流无关,但可以由 求出电阻大小。
求出电阻大小。
	本题难度:简单
	        5、实验题  (10分)实际电流额表都是有内阻的,可等效为理想电流表与电阻的串联。现在要测量实际电流表G1的内阻 。可供选择的仪器如下:
。可供选择的仪器如下:
A.待测电流表G1(量程为5 mA,内阻约300Ω)
B.电流表G2(量程为10 mA,内阻约100Ω)
C.电压表V(量程为6 V)
D.定值电阻