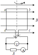
1、简答题 如图所示是一个交流发电机的示意图,线框abcd处于匀强磁场中,已知ab=bc=10cm,匀强磁场的磁感应强度B=1T,线圈的匝数N=100,线圈的总电阻r=5Ω,外电路负载电阻R=5Ω,线圈ω=20πrad/s,电表是理想电表,求:
(1)电压表的示数?
(2)从图示位置开始转90度的这段时间通过R的电量?
(3)线圈匀速转动一周外力做多少功?

参考答案:(1)交流电的最大值为:Em=NBSω=100×0.1×0.1×20π=20πv
则有效值:E=Em
本题解析:
本题难度:一般
2、选择题
一单相交流发电机的输出电压和时间的关系图象如图所示,则下列说法中正确的是( )

A.交流电的频率为100Hz
B.交流电压的有效值为
C.在0.0ls时穿过发电机线圈的磁通量变化率最大
D.若将此交流电接在原、副线圈匝数比为10:1的变压器的原线圈上,则接在副线圈两端的交流电压表的示数为2200V
参考答案:C
本题解析:
本题难度:简单
3、选择题 一台理想变压器的原、副线圈匝数比为4:1,若原线圈加上311V的直流电,则用交变电压表测得副线圈两端的电压是( )
A.250V
B.220V
C.0V
D.200V
参考答案:变压器是利用电磁感应的原理来改变交流电压的装置,若在原线圈加上311V的直流电,则变压器不起作用,副线圈电压为零,即用交变电压表测得副线圈两端的电压为零,故C正确.
故选:C
本题解析:
本题难度:简单
4、选择题 一个按正弦规律变化的交变电流的i-t图象如图所示.根据图象可以断定( )
A.交变电流的频率f=0.2Hz
B.交变电流的有效值I=14.1A
C.交变电流瞬时值表达式i=20sin0.02t(A)
D.在t=
时刻,电流的大小与其有效值相等