1、选择题 有些动物夜间几乎什么都看不到,而猫头鹰在夜间却有很好的视力.其原因是
A.不需要光线,也能看到目标
B.自身眼睛发光,照亮搜索目标
C.可对紫外线产生视觉
D.可对红外线产生视觉
参考答案:D
本题解析:夜间可见光很少,但所有物体都会发出红外线,猫头鹰在夜间却有很好的视力,其原因是猫头鹰的眼睛能对红外线产生视觉.
故选D
点评:大多数生物的眼睛只能看到可见光,看不到红外线,但红外线却是实际存在的,在夜间也存在,所以如果利用红外线夜视设备,晚上就能很清晰 观察到目标。
本题难度:一般
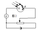
2、选择题 如图所示,表示发生光电效应的演示实验,那么下列选项中正确的是? (? )

A.发生光电效应时,光电子是从K极跑出来的
B.灵敏电流计不显示读数,可能是因为入射光频率过低
C.灵敏电流计不显示读数可能是因为它的灵敏度过低
D.如果把电池接反,肯定不会发生光电效应
参考答案:AC
本题解析:发生光电效应时光电子从阴极射出,A对;入射光频率太低逸出的光电子的初动能较小,电子受向左的电场力,向左加速,只要是能发生光电效应,该支路就能导通,B错;C对;光电效应与电池是否反接无关,D错;
本题难度:简单
3、计算题 两个狭缝相距0.3 mm,位于离屏50 cm处,现用波长为6000
的光照射双缝,求:
(1)两条相邻暗条纹间的距离是多少?
(2)若将整个装置放于水中,那么两条相邻暗条纹间的距离是多少?(水的折射率
为
,1
=10-10 m)
参考答案:(1)1 mm (2)0.75 mm
本题解析:本题要求用公式Δx=
λ进行计算.
(1)Δx=
λ=
?m
=1×10-3 m=1 mm
(2)λ′=
=
?
=4500 
Δx′=
λ′=
?m=0.75 mm.
本题难度:简单
4、选择题 如图所示,一束复色光射到玻璃三棱镜AB面上,从三棱镜的AC面折射出的光线分成a、b两束,关于a、b两束单色光的下列说法正确的是

A.它们在真空中具有相同大小的传播速度
B.在同一介质中传播a光束比b光束传播速度慢
C.若两色光都能使同一金属发生光电效应,则a光束照射逸出
光电子的最大初动能较大
D.在相同条件下,b光束比a光束更容易产生明显的衍射现象
参考答案:A
本题解析:A、所有色光在真空中传播都相同,均为c.故A正确.
B、根据光的色散结果可知,b光的偏折角大,说明玻璃对b光的折射率较大,对a光的折射率较小,在真空中b的频率较高,波长较短,
,所以在同一介质中传播a光束比b光束传播速度快,故B错误
C、若两色光都能使同一金属发生光电效应,频率越高逸出光电子的最大初动能越大,则b光束照射逸出光电子的最大初动能较大,故C错误
D、在相同条件下,波长越长越容易发生衍射现象,所以a光束比b光束更容易产生明显的衍射现象,故D错误
故选A
本题难度:简单
5、选择题 下列说法中正确的是?。(选对一个给3分,选对两个给4分,选对3个给6分。每选错一个扣3分,最低得分为0分)
A.光的偏振现象说明光具有波动性,但并非所有的波都能发生偏振现象
B.变化的电场一定产生变化的磁场;变化的磁场一定产生变化的电场
C.在光的双缝干涉实验中,若仅将入射光由红光改为绿光,则干涉条纹间距变窄
D.某人在速度为0.5c的飞船上打开一光源,则这束光相对于地面的速度应为1.5c