1、选择题 图中为一理想变压器,其原线圈与一电压有效值不变的交流电源相连:P为滑动头。现令P从均匀密绕的副线圈最底端开始,沿副线圈匀速上滑,直至白炽灯L两端的电压等于其额定电压为止。用
表示流过原线圈的电流,
表示流过灯泡的电流,
表示灯泡两端的电压,
表示灯泡消耗的电功率(这里的电流、电压均指有效值:电功率指平均值)。下列4个图中,能够正确反映相应物理量的变化趋势的是


参考答案:BC
本题解析:
A、副线圈匝数不断增加,输出电压不断增加,故电流不断增加,功率不断增加,故输入功率也增加,输入电流也增加,故A错误;
B、副线圈匝数不断增加,输出电压不断增加,P沿副线圈匀速上滑,故输出电压与时间成正比,故电流与时间增加,由于其伏安特性曲线为曲线,故B正确;
C、P沿副线圈匀速上滑,故输出电压与时间成正比,故C正确;
D、输出电压与时间成正比,输出功率为
,故D错误;
故选BC。
本题难度:一般
2、选择题 一理想变压器给负载供电,变压器输入电压不变,如右图所示.如果负载电阻的滑片向上移动则图中所有交流电表的读数及输入功率变化情况正确的是(均为理想电表): (? )

A.V1、V2不变,A1增大,A2减少,P增大
B.V1、V2不变,A1、A2增大,P增大
C.V1、V2不变,A1、A2减少,P减少
D.V1不变、V2增大,A1、A2减少,P减少
参考答案:C
本题解析:因为变压器输入电压不变即
不变,而变压器原副线圈的匝数比是固定的,根据
,所以
不变即
不变。当负载电阻的滑片向上滑动时,电阻增大,
则负载电路的电流减小,即A2减小。又知道
,所以A1减小,理想变压器两端电功率是相等的,根据
,得输入功率减小。选C。
点评:理想变压器是理想化模型,一是不计线圈内阻;二是没有出现漏磁现象.同时当电路中有变压器时,只要将变压器的有效值求出,则就相当于一个新的恒定电源,其值就是刚才的有效值
本题难度:一般
3、选择题 如图所示,交流电源接理想 变压器原线圈两端,电源电动势E=200V,内阻r=10Ω,变压器原副线圈匝数比为5:1。电路中电表均为理想电表,副线圈接一个滑动变阻器,调节变阻器的阻值,下面说法正确的是

[? ]
A.电压表的示数总是40V
B.电流表A1示数为5A时,电压表示数为30V
C.电源输出功率最大时,电压表示数为20V
D.电源输出功率最大时,电流表A2示数为2A
参考答案:BC
本题解析:
本题难度:一般
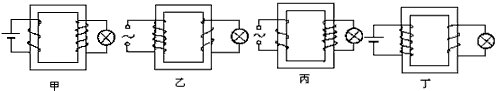
4、选择题 下图中可以将电压升高供给电灯的变压器是( ? )

A.甲图
B.乙图
C.丙图
D.丁图
参考答案:C
本题解析:
本题难度:简单
5、选择题 如图为理想变压器的结构示意图。当在a、b端加如图甲所示的电压时(a端接电源正极),c、d端的电压随时间的变化规律如图乙中哪个所示(当c端电势高于d端时为正)

参考答案:D
本题解析:当初级加上甲图所示的电压时,根据电磁感应知,在次级产生恒定的电压,AB错误;由楞次定律可判断出,开始时随着初级电压的升高,次级的d端电势高于c端,C错误、D正确。
本题难度:简单