1、选择题 如图所示,是一条与
轴重合的电场线上各点的电势φ随x变化的图线.若在
点由静止释放一个点电荷,点电荷仅受电场力作用.取
处的电势为零,电荷运动的过程中,下列说法中正确的是(? )

A.电荷一定沿x轴正方向运动
B.电场力一定做正功
C.电荷的电势能可能为正
D.电荷受到的电场力逐渐减弱
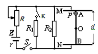
2、计算题 如图所示,电源电动势E=50V,内阻r=1Ω,R1=3Ω,R2=6Ω。间距d=0.2m的两平行金属板M、N水平放置,闭合开关S,板间电场视为匀强电场.板间竖直放置一根长也为d的光滑绝缘细杆AB,有一个穿过细杆的带电小球p,质量为m=0.01kg、带电量大小为q=1×10-3C(可视为点电荷,不影响电场的分布)。现调节滑动变阻器R,使小球恰能静止在A处;然后再闭合K,待电场重新稳定后释放小球p。取重力加速度g=10m/s2。求:
(1)小球的电性质和恰能静止时两极板间的电压;
(2)小球恰能静止时滑动变阻器接入电路的阻值;
(3)小球p到达杆的中点O时的速度。

3、选择题 关于电场强度,正确的是(?)
A.电场强度的大小与检验电荷的电量成反比
B.电场强度的方向与检验电荷的正负有关
C.电场强度大的地方电场线密
D.进入电场的正电荷受力方向就是场强的方向
4、选择题 关于同一电场的电场线,下列表述正确的是( )
A.电场线是客观存在的
B.电场线越密,电场强度越小
C.沿着电场线方向,电势越来越低
D.电荷在沿电场线方向移动时,电势能减小
5、选择题 电场中某区域的电场线分布如图所示,A、B为电场中的两点,若以EA、EB分别表示A、B两点的电场强度,
、
分别表示A、B两点的电势,则以下判断正确的是

A.
? B. 
C.
? D. 