1、选择题 如图所示,木块从左边斜面的A点自静止开始下滑,经过一段水平面后,又滑上右边斜面并停留在B点.若动摩擦因数处处相等,AB连线与水平面夹角为θ,则木块与接触面间的动摩擦因数为:(不考虑木块在路径转折处碰撞损失的能量)( )

A.sinθ
B.cosθ
C.tanθ
D.cotθ
参考答案:设AB的水平长度为x,竖直高度差为h,AC的倾角为α1,EB的倾角为α2,
对A到B的过程运用动能定理得,
mgh-μmgcosα1AC-μmg?CE-μmgcosα2?EB=0
因为AC?cosα1+CE+EBcosα2=x
则有:mgh-μmgx=0
解得μ=hx=tanθ.故C正确,A、B、D错误.
故选:C.
本题解析:
本题难度:简单
2、选择题 用弹簧测力计拉着同一物体在水平桌面上做直线运动,物体与桌面的接触面积S和动摩擦因数μ、物体运动的情况分别为下列四种情况,则物体所受的摩擦力最大的是( )
A.S=S1,μ=μ1,匀速运动
B.S=S1,μ=2μ1,减速运动
C.S=2S1,μ=μ1,匀速运动
D.S=2S1,μ=μ1,加速运动
参考答案:设物体的重力为G.
当S=S1,μ=μ1,匀速运动时,滑动摩擦力f=μ1G.当S=S1,μ=2μ1,减速运动时,滑动摩擦力f=2μ1G.
当S=2S1,μ=μ1,匀速运动时,滑动摩擦力f=μ1G.当S=2S1,μ=μ1,加速运动时,滑动摩擦力f=μ1G.
所以S=S1,μ=2μ1,减速运动时摩擦力最大.
故选B
本题解析:
本题难度:一般
3、简答题 如图所示,足够长的光滑平行导轨MN、PQ倾斜放置,两导轨间距离为L=1.0m,导轨平面与水平面间的夹角为30°,磁感应强度为B的匀强磁场垂直于导轨平面向上,导轨的M 、P两端连接阻值为R=3.0Ω的电阻,金属棒ab垂直于导轨放置并用细线通过光滑定滑轮与重物相连,金属棒ab的质量m=0.20kg,电阻r=0.50Ω,重物的质量M=0.60kg,如果将金属棒和重物由静止释放,金属棒沿斜面上滑的距离与时间的关系如下表所示,不计导轨电阻,g=10m/s2.求:
(1)所加磁场的磁感应强度B为多大?
(2)电阻R在0.6s内产生的热量为多少?
| 时间t(s) | 0 | 0.1 | 0.2 | 0.3 | 0.4 | 0.5 | 0.6 上滑距离(m) 0 0.05 0.15 0.35 0.70 1.05 1.40
|

参考答案:

(1)由表中数据可以看出最终ab棒将匀速运动
匀速运动速度:v=△s△t=3.5m/s
棒受力如图,由平衡条件可得
T=F+mgsin30°
T=Mg
F=BBLvR+rL
联立解得:B=
本题解析:
本题难度:一般
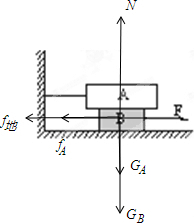
4、简答题 如图所示,物体A重40N,物体B重20N,A与B间动摩擦因数为μ1=0.1.物体A用绳系住,当水平力F=28N时,才能将B匀速拉出.求①绳对A的拉力大小②B与地面间的动摩擦因数μ2是多大?
参考答案:①对物体A进行受力分析如图:

物体A静止,由平衡条件得:
F=f;
又f=μN=μ1GA=0.1×40=4N
即:F=4N
②对物体B进行受力分析如图:

物体B被匀速拉出,故物体B受力平衡,由平衡条件:
F=fA+f地,
fA=4N;
f地=μN=μ2(GA+GB)=60μ2
代入数据得:F=4+60μ2=28
解得:
μ2=0.4
答:①绳对A的拉力大小为4N
②B与地面间的动摩擦因数μ2=0.4
本题解析:
本题难度:一般
5、选择题 轻绳的一端在质量为m的物体上,另一端系在一个圆环上,圆环套在粗糙水平横杆MN上.现用水平力F拉绳上一点,使物体处在如图所示实线位置,然后改变F的大小,使其缓慢下降到图中虚线位置,圆环仍在原来位置上不动,则在这一过程中:水平拉力F、环与杆的摩擦力f、环对杆的压力N的变化情况是( )
A.F变大
B.F变小
C.f变小
D.N变小