| 高考省级导航 | |
| 
 | |
| 高考物理题《电阻和欧姆定律》高频试题巩固(2019年最新版)(八) 
 参考答案:ABC 本题解析:根据左手定则霍尔元件内正电荷在洛伦兹力的作用下,向后表面偏转,故霍尔元件前表面的电势低于后表面,故A正确;根据串并联电路的规律可求: 本题难度:一般 2、选择题  如图所示,一电压表和可变电阻器R串联后接在一个电压恒定的电源两端,如果可变电阻的阻值减小到原来的 | 

参考答案:ABD
本题解析:
本题难度:简单
3、选择题  如图,电路中定值电阻阻值 大于电内阻阻值
大于电内阻阻值 。将滑动变阻器滑片向下滑动,理想电压表V1、 V2、V3示数变化量的绝对值分别为
。将滑动变阻器滑片向下滑动,理想电压表V1、 V2、V3示数变化量的绝对值分别为 、
、 、
、 ,理想电流表
,理想电流表 示数变化量的绝对值为
示数变化量的绝对值为 ,则(    )
,则(    )
A. 的示数减小
的示数减小
B. 大于
大于
C. 与
与 的比值等于
的比值等于
D.电源的输出功率不一定增大
参考答案:BC
本题解析:据题理想电压表内阻无穷大,相当于断路.理想电流表内阻为零,相当短路,所以R与变阻器串联,电压表V1、V2、V3分别测量R、路端电压和变阻器两端的电压.当滑动变阻器滑片向下滑动时,接入电路的电阻减小,电路中电流增大,则A的示数增大,故A错误;根据闭合电路欧姆定律得:U2=E-Ir,则得: =r;
=r; =R,据题:R>r,则
=R,据题:R>r,则 >
> ,故△V1大于△V2.故B正确;根据闭合电路欧姆定律得:U3=E-I(R+r),则得:
,故△V1大于△V2.故B正确;根据闭合电路欧姆定律得:U3=E-I(R+r),则得: =R+r,故C正确;当外电阻等于内电阻时,电的输出功率最大,滑片向下运动,滑动变阻器与R串联后电阻一定大于内阻r且逐渐接近r,故电源输出功率一定变大,故D错误,故选BC
=R+r,故C正确;当外电阻等于内电阻时,电的输出功率最大,滑片向下运动,滑动变阻器与R串联后电阻一定大于内阻r且逐渐接近r,故电源输出功率一定变大,故D错误,故选BC
考点:闭合电路的欧姆定律
本题难度:一般
4、计算题  如图所示,电源电动势E=6V,电源内阻不计.定值电阻R1=2.4kΩ、R2=4.8kΩ.
小题1: 若在ab之间接一个C=100μF的电容器,闭合开关S,电路稳定后,求电容器上所带的电量;
小题2:若在ab之间接一个内阻RV = 4.8kΩ的电压表,求电压表的示数.
参考答案:
小题1:Q=4×10-4C
小题2: =3V
=3V
本题解析:⑴设电容器上的电压为Uc. ?
?
电容器的带电量 ?解得: Q=4×10-4C?
?解得: Q=4×10-4C?
⑵设电压表与R2并联后电阻为R并? ?
?
则电压表上的电压为: ?解得:
?解得: =3V
=3V
本题难度:简单
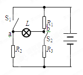
5、填空题  如图所示的电路中,当开关S1、S2均断开和均闭合时,灯泡L都同样正常发光.定出以下两种情况下流经灯泡的电流方向,即S1、S2均开启时?;S1、S2均闭合时?.
(填“a→b”或“b→a”)
参考答案:.b→a? a→b
本题解析:当两开关都断开时, 和灯泡是串联在电路中,
和灯泡是串联在电路中, 无电流通过,所以电流方向从b到a,当两开关都闭合时,灯泡L与
无电流通过,所以电流方向从b到a,当两开关都闭合时,灯泡L与 并联后,与
并联后,与 串联,然后这三者再与
串联,然后这三者再与 并联,所以电流方向从a到b。
并联,所以电流方向从a到b。
本题难度:简单
| 【大 中 小】【打印】 【繁体】 【关闭】 【返回顶部】 | |
| 下一篇:高中物理知识点总结《力的合成》.. | |