| 高考省级导航 | |
|
|
|
高中物理高考知识点《电功率和电功》试题巩固(2019年最新版)(五)
2、选择题 一个标有“220V,100W”的白炽热灯泡,两端的电压由零逐渐增大到220V的过程中,如图12—6—1所示的电压U与电流I关系图中,合理的是 ( ) 3、选择题 如图所示,电源电动势E,内阻为2Ω,定值电阻R2=2Ω.滑动变阻器的最大阻值为10Ω,电流表与电压表均视为理想电表,在滑动变阻器的滑片P由左端a向右滑动的过程中,以下说法正确的是( ) |

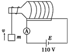
4、计算题 某工厂由于生产需要用一部直流电动机提升重物,装置如图所示,重物质量m为50 kg。电源电动势E为110 V,内阻不计,当电动机以0.85 m/s的恒定速度向上提升重物时,电路中的电流强度为5 A,不计摩擦阻力,重力加速度g取10 m/s2,求:
(1)电动机的输入功率和输出功率各是多少?
(2)电动机线圈的电阻R是多少?

5、填空题 如图所示
光滑的平行导轨PQ、MN水平放置,导轨的左右两端分别接定值电阻,R1=2Ω,R2=4Ω。电阻不计的金属棒ab与PQ、MN垂直,并接触良好。整个装置处于方向竖直向下、磁感应强度B=0.4T的匀强磁场中。已知平行导轨间距L=0.5m,现对ab施加一水平向右的外力F使之以v=5m/s的速度向右匀速运动,则F的大小为 N,R1消耗的功率为 W。
| 【大 中 小】【打印】 【繁体】 【关闭】 【返回顶部】 | |
| 下一篇:高考物理知识点《匀速圆周运动》.. | |