| 高考省级导航 | |
|
|
|
高考物理高频考点《滑动摩擦力》试题特训(2019年最新版)(八)
![]() 参考答案:当m在M上匀速运动时,拉力F最小,此时以m为研究对象,m受向左绳子拉力T,向左摩擦力f1=mgμ,此时有: 本题解析: 本题难度:简单 2、计算题 如图所示,木块与水平面间的滑动摩擦力大小为重力的0.1倍,木块的质量为2 kg。在木块向右运动的过程中,还受一个水平向左的大小为10 N的拉力F的作用。求:木块和地面所受的滑动摩擦力。 参考答案:解:滑动摩擦力Fμ=μFN 本题解析: 本题难度:一般 3、选择题 如图所示,物体放在倾斜木板上,当木板倾角θ为30°和45°时,物体受到的摩擦力大小恰好相同,则物体和木板间的动摩擦因数最接近 参考答案:C 本题解析: 本题难度:一般 4、选择题 如图所示,小球放在光滑的墙与装有铰链的光滑薄板之间,当墙与薄板之间的夹角θ缓慢地增大到90°的过程中( ) |

参考答案:以小球为研究对象,处于平衡装态,根据受力平衡,有
由图可知,墙壁给球的压力F2逐渐减小,挡板给球的支持力F1逐渐减小,根据牛顿第三定律可知墙壁受到的压力减小,木板受到的压力减小.因为斜边大于直角边,则木板对球的支持力一定大于球的重力.故B、D正确,A、C错误.
故选BD.
本题解析:
本题难度:一般
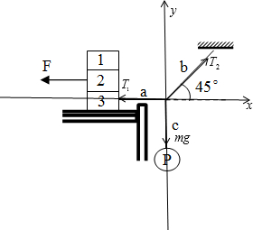
5、简答题 如图所示,三个物块重均为100N,叠放于水平桌面上;小球P重20N,挂在c绳下端,a绳一端系在物块3上,b?绳一端系在水平天花板上,现用水平向左的拉力F=20N作用在物块2,整个系统处于静止状态时,a绳水平,b绳与水平方向成450角
求:(1)b绳中的拉力
(2)12间,23间,3与桌面间摩擦力.
参考答案:(1)对绳子的连接点受力分析,受到三根绳子的三个拉力,如图
根据平衡条件,有
x方向:T2cos45°=T1
y方向:T2sin45°=mg
解得
T1=mg=20N
T2=
本题解析:
本题难度:一般
| 【大 中 小】【打印】 【繁体】 【关闭】 【返回顶部】 | |
| 下一篇:高考物理题《向心力与向心加速度.. | |