1、选择题 关于交流电的有效值U和最大值Um,下列说法中正确的是( )。?
A.任何形式的交流电都具有U=Um/
的关系
B.正弦式交流电具有U=Um/
的关系
C.照明电压220 V,动力电压380 V指的都是最大值
D.交流电压表和交流电流表测的都是最大值
2、计算题 (2011年厦门一中月考)如图10-1-14所示,匀强磁场的磁感应强度B=0.5 T,边长为L=10 cm的正方形线圈abcd共100匝,线圈电阻r=1 Ω,线圈绕垂直于磁感线的对称轴OO′匀速转动,角速度为ω=2π rad/s,外电路电阻R=4 Ω,求:

图10-1-14
(1)转动过程中感应电动势的最大值;
(2)由图示位置(线圈平面与磁感线平行)转过60°角时的瞬时感应电动势;
(3)由图示位置转过60°角的过程中产生的平均感应电动势;
(4)交流电压表的示数;
(5)转动一周外力做的功;
(6)
周期内通过R的电荷量为多少?
3、计算题 如图线圈的面积是0.05 m2,共100匝,线圈电阻为r =" 1" Ω,外接电阻R =" 9" Ω,匀强磁场的磁感应强度B =
T,当线圈以300 r/min的转速匀速旋转时,求:(此题最后结果可保留根号)

(1)若线圈从图示位置开始计时,写出线圈中感应电动势瞬时值表达式.
(2)电路中电压表和电流表的示数各是多少?
(3)由图示位置转过90°角的过程中,电阻R上产生的热量为多少?
(4)由图示位置转过180°角的过程中,流经电阻R上的电量为多少?
4、选择题 如图所示,矩形线圈面积为S,匝数为N,线圈电阻为r,在磁感强度为B的匀强磁场中绕OO'轴以角速度ω匀速转动,外电路电阻为R.在线圈由图示位置转过90°的过程中,下列说法正确的是(?)

A.磁通量的变化量
B.通过电阻R的电量
C.电阻R产生的焦耳热Q= (NBSω)2/2R
D.电阻R产生的焦耳热Q= (NBS)2ωRπ/4(R+r)2
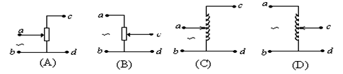
5、选择题 图中,a、b为输入端,接交流电源,c、d为输出端,则输出电压大于输入电压的电路是 