1、选择题  物理学是一门以实验为基础的科学,任何理论和学说的建立都离不开实验.下面有关物理实验与物理理论或学说关系的说法中不正确的(  )
A.α粒子散射实验表明了原子具有核式结构
B.光电效应实验证实了光具有粒子性
C.电子的发现表明了原子不是构成物质的最小微粒
D.天然放射现象的发现证实了玻尔原子理论
 
	        2、选择题  频率不同的两束单色光A、B经相同的衍射装置所得到的图样如右图所示,则

A.若A光照在某金属上恰好能发生光电效应,则B光照在该金属上也能发生光电效应 
B.在相同的介质中,A光传播的速度比B光
C.在相同的情况下,若B光发生了全反射,A光一定也会发生全反射
D.若B光是氢原子的核外电子从第四轨道向第二轨道跃迁时产生的,则A光可能是氢原子的核外电子从第五轨道向第二轨道跃迁时产生的
 
	        3、选择题  在下列关于光电效应的说法中正确的是(  )
A.若某材料的脱出功是W,则极限频率v0=
B.光电子的速度和照射光的频率成正比
C.光电子的动能和照射光的波长正正比
D.光电子的速度和照射光的波长的平方根成反比
 
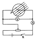
	        4、选择题  如图,当开关K断开时,用光子能量为2.5 eV的一束光照射阴极P,发现电流表读数不为零。合上开关,调节滑动变阻器,发现当电压表读数小于0.60 V时,电流表读数仍不为零;当电压表读数大于或等于0.60 V时,电流为零。由此可知阴极材料的逸出功为 

[? ]
A.1.9 eV 
B.0.6 eV 
C.2.5eV 
D.3.1eV 
 
	        5、选择题  某种金属的逸出功是4.2eV,对于该金属下列说法正确的是(  )
A.若照射光子的能量为4.0eV,经过足够长的时间该金属也能产生光电效应
B.若照射光子的能量为4.5eV,产生的光电子的最大初动能是0.3eV
C.该金属的遏止电压小于4.2V
D.只有当入射光的波长大于某一波长时才能使该金属产生光电效应