1、选择题 如图所示理想变压器的副线圈上通过输电线接两个相同的灯泡L1和L2,输电线的等效电阻为R。开始时电键K断开。当K接通后,以下说法正确的是

[? ]
A.副线圈两端MN的输出电压减小
B.输电线等效电阻上的电压降增大
C.通过灯泡L1的电流减小
D.原线圈中的电流不变
2、选择题 如图所示是一种调压变压器的原理图,线圈AB绕在一个圆环形的铁芯上,AB间加上正弦交流电压U,移动滑动触头P的位置,就可以调节输出电压,在输出端连接了滑动变阻器R和理想交流电流表,变阻器的滑动触头为Q,则下列判断错误的是

[? ]
A.保持P的位置不动,将Q向下移动时,R消耗的功率变大
B.保持P的位置不动,将Q向下移动时,电流表的读数变小
C.保持Q的位置不动,将P沿逆时针方向移动时,电流表的读数变大
D.保持Q的位置不动,当P沿顺时针方向移动时,R消耗的功率变小
3、选择题 如图甲所示,理想变压器原、副线圈的匝数比为11:1,R1=20Ω,R2=30Ω,C为电容器。已知通过R1的正弦交流电如图乙所示,则?

[? ]
A.交流电的频率为0.02?Hz?
B.原线圈输入电压的最大值为200
?V
C.电阻R2的电功率约为6.67?W?
D.通过R3的电流始终为零
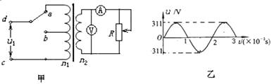
4、选择题 如图甲所示,理想变压器原副线圈的匝数比为10:1,b是原线圈的中心抽头,图中电表均为理想的交流电表,定值电阻R=10Ω,其余电阻均不计.从某时刻开始在原线圈c、d两端加上如图乙所示的交变电压。则下列说法中正确的有

A.当单刀双掷开关与a连接时,电压表的示数为31.1V
B.当单刀双掷开关与b连接且在0.01s时,电流表示数为2.2A
C.当单刀双掷开关由a拨向b时,副线圈输出电压的频率变为25Hz
D.当单刀双掷开关由a拨向b时,原线圈的输入功率变大