| 高考省级导航 | |
|
|
|
高考物理试题《电容器》高频试题预测(2019年最新版)(六)
![]() 参考答案:A、由题小球恰好能穿过小孔S2,小球到达小孔S2时速度恰好为零.此过程小球的重力做功等于克服电场力做功.开关S闭合,将N板向下平移一段距离,电场力做功不变,重力做功增大,根据动能定理分析可知,小球经过小孔S2时有向下的速度,一定能穿过小孔.故A正确. 本题解析: 本题难度:简单 4、选择题 如图所示电路,A、B间电压恒为3.2V,3个电阻的阻值均为4Ω,电容器的电容为30μF,电流表为理想电流表,那么,电路稳定时电容器所带的电量、电流表的读数分别是( ) |

参考答案:电容器的电压U=UAB=3.2V,则电容器所带的电量Q=CU=30×10-6×3.2C=9.6×10─5C.
? 电流表的读数I=UABR3=3.24A=0.8A
故选A
本题解析:
本题难度:一般
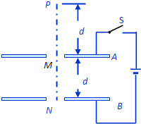
5、选择题 如图所示,A、B为平行金属板,两板相距d,分别与电源两极相连,两板的中央各有一个小孔M、N.开关S先闭合,今有一带电粒子自A板上方相距为d的P点由静止自由下落,空气阻力不计,到达N孔时速度恰好为零,然后沿原路返回.(P、M、N在同一竖直线上,且忽略极板的边缘效应),则( )
A.如果开关S保持闭合,把A板向上平移一小段距离,质点自P点自由下落仍能沿原路返回
B.如果开关S保持闭合,把A板向下平移一小段距离,质点自P点自由下落后将穿过N孔继续下落
C.如果开关S断开,把B板向上平移一小段距离,质点自P点自由下落仍能沿原路返回
D.如果开关S断开,把B板向下平移一小段距离,质点自P点自由下落后将穿过N孔继续下落
参考答案:AB、保持S闭合,把A板向上或向下平移一小段距离,知AB两端的电势差不变,整个过程中重力做功不变,电场力做功不变,根据动能定理知,质点还是到达B点速度为零然后返回.故A正确、B错误.
C、断开S,电量不变,将B板上移,d减小,根据C=?S4πkd知,电容增大,则U=QC,知U减小,根据动能定理,运动到N重力做功大于电场力做功,N点速度不为零,将穿过N孔.故C错误.
D、断开S,电量不变,将B板下移,d增大,根据C=?S4πkd知,电容减小,则U=QC,知U增大,根据动能定理,粒子还未到达b点,速度已减为零,然后返回.故D错误.
故选A
本题解析:
本题难度:简单
| 【大 中 小】【打印】 【繁体】 【关闭】 【返回顶部】 | |
| 下一篇:高考物理答题技巧《运动的描述》.. | |