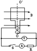
1、简答题 如图所示为交流发电机示意图,匝数为n=100匝的矩形线圈,边长分别为?10cm和20cm,内阻为?5Ω,在磁感应强度B=0.5T的匀强磁场中绕OO′轴以50
rad/s的角速度匀速转动,转动开始时线圈平面与磁场方向平行,线圈通过电刷和外部?20Ω的电阻R相接.求电键S合上后,
(1)电压表和电流表示数;
(2)如保持转子匀速转动,外力每分钟需要对转子所做的功;
(3)从计时开始,线圈转过π/3的过程中,通过外电阻R的电量.
2、选择题 如图所示,N匝矩形导线框以角速度ω在磁感应强度为B的匀强磁场中绕轴OO′匀速转动,线框面积为S,线框的电阻、电感均不计,外电路接有电阻R、理想交流电流表
和二极管D.二极管D具有单向导电性,即正向电阻为零,反向电阻无穷大.下列说法中不正确的是( )
A.图示位置电流表的示数为0
B.R两端电压的有效值U=
ω NBS C.一个周期内通过R的电荷量q= D.交流电流表的示数I=NBS
|

3、选择题 如图所示,边长为L的正方形线圈abcd?其匝数为n总电阻为r外电路的?电阻为R,ab的中点和cd的中点的连线OO′恰好位于匀强磁场的边界线上,磁场的磁感应强度为B,若线圈从图示位置开始,以角速度ω绕OO′轴匀速转动,则以下判断中正确的是( )
A.闭合电路中感应电动势的瞬时表达式e=nBL2ωsinωt
B.在t=
时刻,磁场穿过线圈的磁通量为零,但此时磁通量随时间变化最快
C.从t=0?时刻到t=
时刻,电阻R上产生的热量为?Q
D.从t=0?时刻到t=
时刻,通过R的电荷量q=