1、计算题 一个做匀加速直线运动的物体,在头4s内经过的位移大小为24m,在第二个4s内经过的位移大小是60m。求这个物体的加速度和初速度各是多大?
参考答案:a=2.5m/s2,v=1.5m/s
本题解析:
本题难度:一般
2、填空题 一颗子弹沿水平方向垂直穿过三块紧挨着的木块后,穿出时速度几乎为零.设子弹在木块的加度相同,若三块木板的厚度相同,则子弹穿过三块木板所用的时间之比为t1:t2:t3 = __________________;若子弹穿过三块木板所用的时间相同,则三块木板的厚度之比d1
参考答案:
本题解析:
本题难度:一般
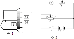
3、简答题 (1)常用螺旋测微器的精度0.01mm,如图所示的螺旋测微器的读数为5.620mm,请你在刻度旁边的方框内标出符合该读数的数字.
(2)在利用打点计时器做《验证机械能守恒定律的实验中》必须应用的测量仪器是______(填序号).
A.游标卡尺?B.刻度尺?C.天平?D.秒表
(3)给你下列器材:待测电压表(量程为3V,内阻RV约几千欧),电阻箱、滑动变阻器、6V蓄电池、电键、导线若干.试设计测定电压表内阻的实验原理图.
参考答案:(1)螺旋测微器的读数最终为5.620mm,知固定刻度读数为5.5mm,则固定刻度方框内应填5,可动刻度为12.0,所以可动刻度读数方框分别为10,15.
(2)在验证机械能守恒定律的实验中需要测量重物下落的高度和速度,所以需通过刻度尺测量纸带上点的距离.时间可以通过纸带上点的间隔直接读出,不需要秒表,重力势能的减小量和动能的增加量都含有质量,可以约去,质量可以不测量,所以不一定需要天平.故B正确,A、C、D错误.
故选B.
(3)通过半偏法测量电压表的内阻,如图所示,将电阻箱电阻调节为零,调节滑动变阻器,使得电压表满偏,保持滑动变阻器不变,改变电阻箱的电阻,使得电压表半偏,此时电阻箱的电阻等于电压表的内阻.
故答案为:(1)如图1所示?(2)B? (3)如图2所示.

本题解析:
本题难度:一般
4、简答题 如图所示,质量m=2kg的物体原静止在水平地面上,物体与地面间的动摩擦因数μ=0.75,一个与水平方向成37°角斜向上、大小F=20N的力拉物体,使物体匀加速运动,2s后撤去拉力.求物体在地面上从静止开始总共运动多远才停下来?(sin37°=0.6,cos37°=0.8,g=10m/s2)
参考答案:开始时物体受重力、支持力、摩擦力、拉力作用.
竖直方向上?ΣFy=N+Fsin37°-mg=0…①
由①得?N=mg-Fsin37°…②
水平方向上?ΣFx=Fcos37°-μN…③
所以?Fcos37°-μ(mg-Fsin37°)=ma1?
a1=Fcos37°-μ(mg-Fsin37°)m=20×0.8-0.75×(2×10-20×0.6)2=5m/s2
头2s物体的位移?S1=12a1t2=12×5×22m=10m
第2s末物体的速度?v=a1t=10m/s?
拉力撤去后,摩擦力?f=μmg?
设加速度大小为a2?a2=fm=μg=7.5m/s2?
位移S2=0-v22a2=0-1027.5×2m=6.7m
总位移S=S1+S2=16.7m?
答:物体在地面上从静止开始总共运动16.7m.
本题解析:
本题难度:一般
5、简答题 猎狗能以最大速度v1=10m/s持续地奔跑,野兔持续奔跑的最大速度只能为v2=8m/s.一只野兔在离洞穴s1=200m的某处草地上吃草,被猎狗发现后,猎狗以最大速度做匀速直线运动径直朝野兔追来.野兔发现猎狗时,与猎狗相距s2=60m,兔子立即掉头加速跑向洞穴(加速过程可以看作匀加速直线运动).如图三者在同一直线上,求野兔的加速度至少为多大才能保证安全回到洞穴?
参考答案:对猎狗s1+s2=v1t
得 t=26s
设野兔的加速度至少为a才能安全回洞窟,时间为t.
对野兔,若一直做加速直线运动,则到达洞窟的速度v=2S1t=20013m/s>v2,不符合题设条件.
故野兔应先加速运动,后以速度v2匀速运动.
设加速时间为t0,则有
s1=12v1t0+v1(t-t0)
得 t0=2s
故a=v1t0=4m/s2
答:野兔的加速度至少要4m/s2才能保证安全回到洞窟.
本题解析:
本题难度:一般