1、计算题 (10分)有条河流,流量
,落差h=5m,现利用其发电,若机械能转化为电能的效率为50%,发电机输出电压为240V,输电线总电阻为R=30Ω,若将电能送到远距离用户时,允许输电线上的损失功率为发电机输出功率的6%,取g=10m/s2,求:
(1)发电机的输出功率;
(2)送电端使用的理想升压变压器的匝数比
参考答案:(1)
(2)
本题解析:(1)发电机组的输出功率为
?①
?②
(2)设送电电压为U2,送电电流为I,
?③
?④
升压变压器匝数比
?⑤
解得:
?⑥
评分标准:本题共10分,其中①④④⑤每式2分,其余每式1分。
本题难度:简单
2、选择题 如图4所示,一理想变压器,当原线圈两端接U1=220V的正弦式交变电压时,副线圈两端的电压U2=55V.对于该变压器,下列说法正确的是(?)

A.原、副线圈的匝数之比等于4:1
B.原、副线圈的匝数之比等于1:4
C.原、副线圈的匝数之比等于2:1
D.原、副线圈的匝数之比等于1:2
参考答案:A
本题解析:
,A对
本题难度:简单
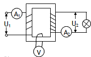
3、填空题 如图所示的理想变压器电路,加在原线圈上的电压U1=3300V,输出电压U2=220V,绕过铁芯的导线所接的理想电压表的示数为2V,A2的示数I2=3A,则原副线圈的匝数分别为n1 = _______匝,n2=_______ 匝,A1的示数I1=________A。

参考答案:1650;110;0.2
本题解析:
本题难度:一般
4、选择题 如图,理想变压器原、副线圈匝数比n1∶n2=4∶1,电压表V和电流表A均为理想电表,灯泡电阻RL=12Ω,AB端电压
。下列说法正确的是

A.电流频率为100Hz
B.电压表V的读数为96V
C.电流表A的读数为0.5A
D.变压器输入功率为6W
参考答案:C
本题解析:由
可知交流电的频率为50Hz,A错误;原线圈输入的电压有效值为24V,由于n1∶n2=U1∶U2可知,U2=6V,即电压表的示数为6V,B错误;这样电流表的示数
,C正确;灯泡消耗的功率P=U2I=3W,而变压器为理想变压器,本身不消耗能量,因此变压器输入功率也为3W,D错误
本题难度:简单
5、选择题 一输入电压为220 V,输出电压为36 V的变压器副线圈烧坏。为获知此变压器原、副线圈匝数,某同学拆下烧坏的副线圈,用绝缘导线在铁芯上新绕了5匝线圈,如图所示,然后将原线圈接到220 V交流电源上,测得新绕线圈的端电压为1V。按理想变压器分析,该变压器烧坏前的原、副线圈匝数分别为

[? ]
A.1 100,360
B.1 100,180
C.2 200,180
D.2 200,360
参考答案:B
本题解析:
本题难度:简单