1、实验题 美国物理学家密立根通过如图所示的实验装置,最先测出了电子的电荷量,被称为密立根油滴实验。如图,两块水平放置的金属板A、B分别与电的正负极相连接,板间产生匀强电场,方向竖直向下,图中油滴由于带负电悬浮在两板间保持静止。

(1)若要测出该油滴的电荷量,需要测出的物理量有__________。
A.油滴质量m B.两板间的电压U
C.两板间的距离d D.两板的长度L
(2)用所选择的物理量表示出该油滴的电荷量q=________(已知重力加速度为g)
(3)在进行了几百次的测量以后,密立根发现油滴所带的电荷量虽不同,但都是某个最小电荷量的整数倍,这个最小电荷量被认为是元电荷,其值为e=__________C。
参考答案:(1)ABC(2)
(3)
本题解析:(1)(2)平行板电容器间的电场为匀强电场,液滴处于静止状态,所以电场力与重力平衡,故
,可得
,所以需要测出的物理量有油滴质量m,两板间的电压U,两板间的距离d。
(3)这个最小电荷量是元电荷,其大小等于电子的电荷量
.
考点:考查了密立根油滴实验
本题难度:一般
2、填空题 由电流表G的刻度盘可知此表头的满偏电流Ig=300μA,测得电流表G内阻Rg的数值为500Ω(以下结果均保留两位有效数字)。
【小题1】若将其改装成量程为3V的电压表,需要串联一个 kΩ的电阻。
【小题2】若将其改装成量程为3mA的电流表,需要并联一个 kΩ的电阻。
参考答案:
【小题1】9.5
【小题2】0.056
本题解析:【小题1】若将其改装成大量程的电压表,需要串联一个大电阻,根据欧姆定律可知
,所以需要串联的电阻
【小题2】若将其改装成大量程的电流表,需要并联一个小电阻,根据并联电路各部分电压相等,有
,则需要并联的电阻
故答案为:【小题1】9.5【小题2】0.056
本题难度:简单
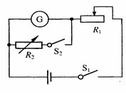
3、实验题 某研究性学习小组为了制作一种传感器,需要选用一电器元件。图为该电器元件的伏安特性曲线,有同学对其提出质疑,先需进一步验证该伏安特性曲线,实验室备有下列器材:

【小题1】为提高实验结果的准确程度,电流表应选用 ;电压表应选用 ;滑动变阻器应选用 。(以上均填器材代号)
【小题2】为达到上述目的,请在虚线框内画出正确的实验电路原理图,并标明所用器材的代号。
参考答案:
【小题1】A2 V1 R1
【小题2】如图

本题解析:分析:由图象可知小灯泡的电压及电流范围,则可根据安全性及准确性选出合适的仪表;由表格中电流从零开始变化,可知滑动变阻器的接法,根据所选电流表和电压表内阻可知电流表的接法.
解答:解:①由图可知,电流最大值为0.12A,故电流表应选用A2,灯泡两端的电压最大为2.5V,故电压表应选用V1,由图可知,电流电压是从零开始变化的,故应选用分压接法,故滑动变阻器应选用R1;
②滑动变阻器选用分压接法;
因小灯泡内阻一般较小,故应选用电流表外接法,
如下图

故答案为:(1)A2、V1;R1 (2)如图所示
点评:本题考查小灯泡的伏安特性曲线中的仪表的选择,及接法,题目较为简单;一般来说本实验都是采用分压外接法.
本题难度:一般
4、实验题 使用中值电阻为25Ω(×1档)的多用电表测量一个定值电阻R(阻值约为300Ω),在下列各项操作中选出尽可能准确地测量电阻值、并符合多用电表使用规则的操作:
A.转动选择开关使其尖端对准“×1k”档
B.转动选择开关使其尖端对准“×100”档
C.转动选择开关使其尖端对准“×10”档
D.转动选择开关使其尖端对准“×1”档