1、选择题 如图是一种理想自耦变压器示意图。线圈绕在一个圆环形的铁芯上,P是可移动的滑动触头。AB间接交流电压u,输出端接了两个相同的灯泡L1和L2,Q为滑动变阻器的滑动触头。当开关S闭合,P处于如图所示的位置时,两灯均能发光。下列说法正确的是

[? ]
A.P不动,将Q向右移动,变压器的输入功率变大
B.Q不动,将P沿逆时针方向移动,变压器的输入功率变大
C.P不动,将Q向左移动,两灯均变暗
D.P、Q都不动,断开开关S,L1将变暗
参考答案:B
本题解析:
本题难度:一般
2、选择题 如图所示,自耦变压器的输出端有ABC三个完全相同的小灯泡,且认为小灯泡的电阻不受温度的影响,将正弦交流电接入自耦变压器的输入端。开始时自耦变压器的滑片P处于某一位置,电键S闭合,三个小灯泡均发光。;操作过程中,小灯泡两端电压均未超过其额定值。下列说法中正确的是

A.将自耦变压豁的滑片p向上滑动,三个灯泡将变暗
B.将自耦变压器的滑片p向上滑动,三个灯泡将变亮
C.将电键S断开,为保证AB两灯功率不变,需将自耦变压器的滑片p向上滑动
D.将电键S断开,为保证AB两灯功率不变,需将自耦变压器的滑片p向下滑动
参考答案:AC
本题解析:当滑片处于某位置时,三个灯泡正常发光,现在将电键断开,则副线圈中的电路的电阻增大,电流减小,要保证A、B灯泡的功率不变,据P=IU可知,电压不变,需要将电流增加,又据I1:I2=n2:n1,即I2=I1n1/n2,要使副线圈电流增加,必须使n1增大,则滑片需要向上移动,C选项正确;如果将滑片向上移动,n1增加,据U1:U2=n1:n2,得U2=n2U1/n1,则U2减小,所以灯泡变暗,A选项正确。
本题难度:一般
3、选择题 如图所示,某理想变压器的原、副线圈的匝数均可调节,原线圈两端电压为一峰值不变的正弦交变电压,副线圈接一可变电阻R。在其他条件不变的情况下,为使变压器输入功率增大,下面的措施正确的是 (? )

A.仅增加原线圈匝数n1
B.仅增加副线圈匝数n2
C.仅减小电阻R的阻值
D.仅增大电阻R的阻值
参考答案:BC
本题解析:根据
,若仅增加原线圈匝数n1,则U2减小,根据
,变压器次级功率减小,输入功率减小;仅增加副线圈匝数n2,则U2增大,变压器次级功率增大,输入功率增大;仅减小电阻R的阻值,则变压器次级功率增大,输入功率增大;选项BC正确。
本题难度:一般
4、选择题 如图甲所示,变压器原副线圈的匝数比为3:1,L1、L2、L3、L4为四只规格均为“9V,6W”的相同灯泡,各电表均为理想交流电表,输入端交变电压
的图象如图乙所示. 则以下说法中不正确的是(?)

A.电压表的示数为36V
B.电流表的示数为2A
C.四只灯泡均能正常发光
D.变压器副线圈两端交变电流的频率为50Hz
参考答案:A
本题解析:输入端电压有效值为36V,设输出端每个灯泡电流为I,输出电压为U,则输出电流为3I,由
输入电流为I,
,求得I=2/3A,电流表示数为3I=2A,电压U=9V,电压表测量的是变压器的输入电压,为27V,A错;
本题难度:简单
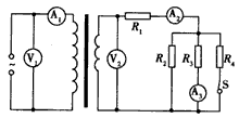
5、选择题 如图,一理想变压器原线圈接入一交流电源,副线圈电路中R1、R2、R3和R4均为固定电阻,开关S是闭合的,V1和V2为理想电压表,读数分别为U1和U2;A1、A2和A3为理想电流表,读数分别为I1、I2和I3,现断开S,U1数值不变,下列推断中正确的是

[? ]
A.U2变小、I3变小
B.U2不变、I3变大
C.I1变小、I2变小
D.I1变大、I2变大
参考答案:BC
本题解析:
本题难度:一般
Dispatch is the soul of business. 迅速是商事之本.