1、选择题 一理想变压器原、副线圈匝数比n1:n2=11:5,原线圈与正弦交流电源连接,输入电压的u—t图象如图所示,副线圈接一个10Ω的电阻,则

[? ]
A.流过电阻的电流是0.2A
B.与电阻并联的电压表示数是100
?V
C.变压器的输入功率是1×103?W
D.变压器副线圈中的交变电压的频率为100Hz
2、计算题 一小型发电机通过升压、降压变压器把电能输送给用户,已知发电机的输出功率为为50 kW,输出电压为500 V,升压变压器原、副线圈匝数比为1:5,两个变压器间的输电导线的总电阻为15 Ω,变压器本身的损耗忽略不计,在输电过程中电抗造成电压的损失不计,求:
(1)升压变压器副线圈的端电压;
(2)输电线上损耗的电功率;
3、选择题 如图,一理想变压器原线圈接入一交流电源,副线圈电路中R1、R2、R3和R4均为固定电阻,开关S是闭合的. V1、V2为理想电压表,读数分别为U1和U2;A1、A2、A3为理想电流表,读数分别为I1、I2和I3.现断开S, U1数值不变,下列推断中正确的是

A.U2变小、I3变小
B.U2不变、I3变大
C.I1变小、I2变小
D.I1变大、I2变大
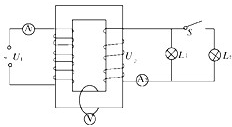
4、简答题 如图所示,理想变压器原线圈中输入电压U1=3300V,副线圈两端电压U2为220V,输出端连有完全相同的两个灯泡L1和L2,绕过铁芯的导线所接的电压表V的示数U=2V.求:
(1)原线圈n1等于多少匝?
(2)当开关S断开时,电流表A2的示数I2=5A.则电流表A1的示数I1为多少?
(3)当开关S闭合时,电流表A1的示数I1′等于多少?

5、选择题 一台理想变压器,要使变压器的输入功率增加,可采取下列哪种方法(其他条件不变):
A.增大副线圈负载R的阻值
B.减小R的阻值
C.增大副线圈匝数n2
D.减小原线圈的匝数n1