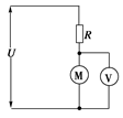
1、简答题 如图电路中,电阻R=2Ω,电动机内阻r0=4Ω,电压U=60V,电压表示数为50V,则电动机消耗的电功率为多大?电动机消耗的热功率为多大?电动机输出的机械功率为多大?(不计电动机摩擦损耗)

2、计算题 有一起重机用的是直流电动机,如图所示,其内阻r=0.8Ω,线路电 阻R=10Ω,电源电压U=150V,伏特表的示数为110V,求:
(1)通过电动机的电流;
(2)输入到电动机的功率P入;
(3)电动机的发热功率Pr,电动机输出的机械功率.
3、选择题 请你应用已经学过的电磁学知识,判断以下说法中不正确的是
A.我国上空水平飞行的客机,机翼上有微弱的电流
B.电动机启动过程,随着转速的加快,其消耗的电功率也随之增加
C.雷雨天,我们不可以在树下躲雨
D.电动机可以作为发电机来提供电源
4、选择题 如图把四个电阻的I-U关系图线(伏安特性曲性)按相同标度画在同一直角坐标系上,现将这四个电阻并联使用时,热损耗功率最大的是?

[? ]
A.R1?
B.R2?
C.R3?
D.R4
5、选择题 如图所示,电动势为E、内阻为r的电池与滑动变阻器R串联,已知滑动变阻器的最大阻值是r.当滑动变阻器的滑片P由a端向b端滑动时,下列说法中正确的是(?)

A.滑动变阻器消耗的功率不变
B.滑动变阻器消耗的功率变大
C.内阻上消耗的功率变小
D.滑动变阻器消耗的功率变小