1、简答题 (1)关于欧姆表及其使用中的问题,正确的是:______
A、接表内电源负极的应是红表笔
B、换挡后,都要重新欧姆调零
C、表盘刻度是均匀的
D、表盘刻度最左边表示电阻阻值为0
(2)在“测定金属的电阻率”的实验中,需要用刻度尺测出被测金属丝的长度l.用螺旋测微器测出金属丝的直径d,用电流表和电压表测出金属丝的电阻R.
①请写出测金属丝电阻率的表达式:ρ=______(用上述测量量的字母表示).
②若实验中测量金属丝的长度和直径时,刻度尺和螺旋测微器的示数分别如图1所示,则金属丝长度的测量值为l=______cm,金属丝直径的测量值为d=______mm.
③用电流表和电压表测金属丝的电阻时,由于电压表、电流表内阻的影响.不论使用电流表内接法还是电流表外接法,都会产生系统误差.按如图2所示的电路进行测量.可以消除由于电表内阻造成的系统误差.利用该电路进行实验的主要操作过程是:
第一步:先将R2的滑动头调到最左端,单刀双掷开关S2向上1闭合,闭合电键S1,调节滑动变阻器R1和R2,使电压表和电流表的示数尽大些(不超过量程),读出此时电压表和电流表的示数U1、I1.
第二步:保持两滑动变阻器的滑动头位置不变,将单刀双掷开关S2向2闭合,读出此时电压表和电流表的示数U2、I2.请写出由以上记录数据计算被测电阻R的表达式R=______.

参考答案:
(1)A、欧姆表内部有电源,与被测电阻、调零电阻组成了闭合回路,为使指针从左向右移动,接电源负极的应是红表笔,正极的应是黑表笔,故A正确;
B、由于不同的档位,欧姆表的内阻不同,所以每次换挡后都必须重新进行欧姆调零,故B正确;
C、根据闭合电路欧姆定律:电流I=ERx+R0+r,则I与被测电阻Rx不成正比,电流与指针偏转角成正比,所以刻度盘上的电阻刻度是不均匀的,故C错误;
D、表盘刻度最左边表示电流为零,根据上式可知,对应的电阻阻值则为无穷大,相反,当Rx=0,电路中电流达到表头的满偏电流,最右边表示电阻阻值为0.故D错误;
故选:AB
(2)由电阻定律得:R=ρlS及S=14πd2可得,ρ=πd2R4l;
②由于刻度尺的最小分度是0.1cm,所以应估读到0.01cm,则金属丝长度的测量值为l=36.48cm;
金属丝的直径为d=0.5mm+29.6×0.01mm=0.796mm.
③将单刀双掷开关S2合向1时,电压表和电流表的示数U1、I1.根据欧姆定律得:
R+RA+R1=U1I1;
将单刀双掷开关S2向2闭合时,电压表和电流表的示数U2、I2.根据欧姆定律得:
RA+R1=U2I2
联立上两式得:R=U1I1-U2I2.
故答案为:
(1)AB;(2)①ρ=πd2R4l;②l=36.48(36.48~36.52cm均对);d=0.796(0.796~0.799mm均对;③U1I1-U2I2.
本题解析:
本题难度:一般
2、填空题 一电荷以某一速度从A点进入一匀强电场,速度方向与电场方向相同,经过时间t1后,将电场方向改变180°,而电场大小不变,又经过时间t2,电荷回到A点且速度恰好为零.则该电荷一定是______电荷(填正或负),时间t1与t2之比为______.
参考答案:电荷来回,先是做匀减速运动,后回头做匀加速运动,当电场方向改变后,电荷做沿着原来的方向做匀减速运动,直到A点,速度恰好为零.由于速度方向与电场方向相同,所以很明显是负电荷.
故答案为:负,(
本题解析:
本题难度:简单
3、选择题 下列哪些措施是为了利用静电的是
A.在高大的建筑物顶端装上避雷针
B.在高大的烟囱中安装静电除尘器
C.静电复印
D.静电喷漆
参考答案:BCD
本题解析:在高大的建筑物顶端装上避雷针是防止雷击,是防止静电现象的应用,A错;
本题难度:一般
4、实验题 如图所示的欧姆表刻度盘中,未使用时指针指A,两表笔短接时指针指B,如果欧姆表的总内阻为24 Ω,C是AB的中点,D是AC的中点,则C、D两点的刻度分别为_________Ω、_________Ω。

参考答案:24,72
本题解析:
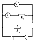
本题难度:一般
5、实验题 要测量电压表V1的内阻RV,其量程为2 V,内阻约2 kΩ。实验室提供的器材有:
电流表A,量程0.6 A,内阻约0.1 Ω;
电压表V2,量程5V,内阻约5 kΩ;
定值电阻R1,阻值30 Ω;
定值电阻R2,阻值3 kΩ;
滑动变阻器R3,最大阻值100 Ω,额定电流1.5 A;
电源E,电动势6V,内阻约0.5 Ω;
开关S一个,导线若干。
(1)有人拟将待测电压表V1和电流表A串联接入电压合适的测量电路中,测出V1的电压和电流,再计算出RV,该方案实际上不可行,其最主要的原因是________________;
(2)请从上述器材中选择必要的器材,设计一个测量电压表V1内阻RV的实验电路,要求测量尽量准确,实验须在同一电路中,且在不增减元件的条件下完成。试画出符合要求的实验电路图(图中电源与开关已连好),并标出所选元件的相应字母代号;

(3)由上问写出V1内阻RV的表达式,说明式中各测量量的物理意义。
参考答案:(1)电流表A不能准确测量出流过电压表V1的电流
(2)
(3)
,U1表示V1的电压,U2表示V1和R2串联总电压
本题解析:
本题难度:一般