| 高考省级导航 | |
|
|
|
高考物理知识点总结《电容器》高频考点巩固(2017年模拟版)(八)
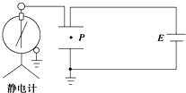
![]() 参考答案:B 本题解析: 本题难度:一般 2、选择题 如图所示,平行板电容器与电动势为E的直流电源连接,下极板接地,静电计所带电荷量很少,可被忽略.一带负电油滴被固定于电容器中的P点.现将平行板电容器的下极板竖直向下移动一小段距离,则( ) |

参考答案:
A、根据电容的决定式 C=?S4πkd知,下极板竖直向下移动时,d增大,则电容减小.故A错误.
B、静电计测量的是电容器两端的电势差,因为电容器始终与电源相连,则电势差不变,所以静电计指针张角不变.故B错误.
C、电势差不变,d增大,则由公式E=Ud分析得知板间电场强度减小,P点与上极板间的电势差减小,而P点的电势比上极板低,上极板的电势不变,则P点的电势增大,因为油滴带负电荷,则油滴的电势能减小.故C错误.
D、电容器与电源断开,则电荷量不变,d改变,根据E=Ud,C=QU和 C=?S4πkd得E=4πkQ?S,则知电场强度不变,则油滴所受电场力不变.故D正确.
故选:D.
本题解析:
本题难度:简单
3、选择题 平行板电容器C与三个可变电阻器R1、R2、R3以及电源连成如图所示的电路.闭合开关S,待电路稳定后,电容器C两极板带有一定的电荷.要使电容器所带电荷量增加,以下方法中可行的是( )
A.只增大R1,其他不变
B.只增大R2,其他不变
C.只减小R3,其他不变
D.只减小a、b两极板间的距离,其他不变
参考答案:BD
本题解析:
本题难度:简单
4、选择题 一个平行板电容器,若增大加在它两极板间的电压,则电容器的( )
A.电量增加,电量与所加电压的比值增大
B.电量不变,电量与所加电压的比值变小
C.电量增加,电量与所加电压的比值不变
D.电量不变,电量与所加电压的比值不变
参考答案:C
本题解析:
本题难度:简单
5、选择题 某种位移式传感器的原理示意图如图所示,E为电源,R为电阻,平行金属板A、B和介质P构成电容器,在可移动介质P向右匀速移出的过程中( )
A.电容器的电容变大
B.电容器的电荷量保持不变
C.M点的电势比N点的电势低
D.流过电阻R的电流方向从M到N
参考答案:介质P向右匀速移出的过程中,根据电容的决定式C=?S4πkd,分析可知电容变小,而电容器的电压不变,由C=QU分析可知其电荷量变小,电容器处于放电状态,则流过电阻R的电流方向从M到N,M点的电势比N点的电势高,故ABC错误,D正确.
故选:D.
本题解析:
本题难度:一般
|
||
| 【大 中 小】【打印】 【繁体】 【关闭】 【返回顶部】 | ||
| 下一篇:高中物理知识点大全《速度、速率.. | ||