| 高考省级导航 | |
|
|
|
高中物理知识点总结《闭合电路的欧姆定律》试题特训(2017年最新版)(四)
![]() 参考答案:金属棒刚进入磁场切割产生电动势,右手定则判断出感应电流方向为逆时针,所以电流为负值,故AC错误; 本题解析: 本题难度:简单 2、选择题 如图所示,闭合线圈abcd从高处自由下落,然后垂直于磁场方向进入一个有理想水平边界线的匀强磁场中,从ab边刚进入磁场到cd边刚进入磁场的这段时间内,线圈运动的速度图象可能是( ) |

参考答案:
A、ab边刚进入磁场时,若所受的安培力与重力平衡,则线框做匀速运动,故A正确.
B、D,ab边刚进入磁场时,若所受的安培力小于重力,线框做加速运动,随着速度的增大,由安培力公式F=B2L2vR得知,安培力增大,加速度减小,则线框做加速度减小的加速运动,速度图象的斜率逐渐减小.故B错误,D正确.
C、ab边刚进入磁场时,若所受的安培力大于重力,线框做减速运动,随着速度的减小,由安培力公式F=B2L2vR得知,安培力减小,加速度减小,则线框做加速度减小的减速运动,速度图象的斜率逐渐减小.故C错误.
故选AD
本题解析:
本题难度:简单
3、选择题 矩形导线框abcd固定在匀强磁场中,如图甲所示,磁感线的方向与导线框所在平面垂直,规定磁场的正方向垂直纸面向里,磁感应强度B随时间t变化的规律如图乙所示,则( )
A.从0到t1时间内,导线框中电流的方向为adcba
B.从0到t1时间内,导线框中电流越来越小
C.从t1到t2时间内,导线框中电流越来越大
D.从t1到t2时间内,导线框bc边受到安培力大小保持不变
参考答案:A、由图可知,0-t1内,线圈中磁通量的变化率相同,故0到t1时间内电流的方向相同,由楞次定律可知,电路中电流方向为顺时针,即电流为adcba方向,故A正确;
BC、从0到t1时间内,线圈中磁通量的变化率相同,由E=△B?S△t可知,电路中电流大小时恒定不变;同理从t1到t2时间内,导线电流大小恒定,故BC错误;
D、从t1到t2时间内,电路中电流大小时恒定不变,故由F=BIL可知,F与B成正比,故D错误;
故选A
本题解析:
本题难度:简单
4、选择题 如图所示.电源和电压表内阻均未知,当开关S打开时,电压表V1的示数为l2V,电压表V2的示数为6V.当闭合吋,V2示数为15V,则此电源的电动势为( )
A.19?V
B.20?V
C.21V
D.22?V
参考答案:据题,当开关S断开时,V1的示数为12V,V2的示数为6V,由欧姆定律得知,两电压表内阻之比为2:1,路端电压为U1=12V+6V=18V.
当S闭合后,V1被短路,路端电压为U2=15V.
设V2的内阻为R,电源的内阻为r,则V1的内阻为2R.根据闭合电路欧姆定律得
S断开时,E=U1+U12R+Rr
S闭合后,E=U2+U2Rr
代入得:E=18183Rr①
? E=15+15Rr②
联立①②解得,E=20V
故选B
本题解析:
本题难度:简单
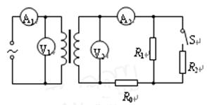
5、选择题 图中是通过变压器降压给用户供电的示意图。变压器输入电压是市区电网的电压,负载变化时输入电压不会有大的波动。输出电压通过输电线输送给用户,输电线的电阻用R0表示,开关S闭合后,相当于接入电路中工作的用电器增加。如果变压器上的能量损失可以忽略,则关于开关S闭合后,以下说法正确的是
A.电表V1示数不变,V2示数减小
B.电表A1、A2示数均增大
C.原线圈输入功率减小
D.电阻R1两端的电压减小
参考答案:BD
本题解析:理想变压器原线圈输入电压
不变,根据
可知副线圈电压不变,即电压表
示数不变,选项A错。开关闭合后副线圈总电阻R变小,而电压
不变,所以电流表
示数变大,根据
可得理想变压器原线圈电流
变大,即电流表示数
变大,选项B对。副线圈消耗的电功率
随电阻减小而变大,根据理想变压器能量守恒,输入电压等于输出电压即副线圈电压,所以原线圈输入功率变大,选项C错。 副线圈相当于一个闭合回路,开关闭合后副线圈电阻变小电流变大,定值电阻
的端电压变大,并联电路电压变小,电阻R1两端的电压减小选项D对。
本题难度:一般
|
||
| 【大 中 小】【打印】 【繁体】 【关闭】 【返回顶部】 | ||
| 下一篇:高考物理知识点《平抛运动的运动.. | ||