| 高考省级导航 | |
|
|
|
高中物理知识点大全《闭合电路的欧姆定律》高频试题巩固(2017年最新版)(七)
3、选择题 如图甲所示,光滑绝缘水平桌面上直立一个单匝矩形导线框,线框的边长LAB=0.3m,LAD=0.2m,总电阻为R=0.1Ω.在直角坐标系xoy中,有界匀强磁场区域的下边界与x轴重合,上边界满足曲线方程y=0.2sin
A.线框中的电流先沿逆时针方向再沿顺时针方向 B.线框中感应电动势的最大值为0.4V C.线框中感应电流有效值为4A D.线框穿过磁场区域的过程中外力做功为0.048J |

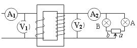
4、选择题 在如图所示的电路中,闭合开关后,当滑动变阻器R1的滑动片P向a端移动时( )
A.
、
的示数都减小
B.
、
的示数都增大
C.
的示数增大,
的示数减小
D.
的示数减小,
的示数增大
5、选择题 如图所示,在坐标系xOy中,有边长为L的正方形金属线框abcd,其一条对角线ac和y轴重合、顶点a位于坐标原点O处.在y轴的右侧的Ⅰ象限内有一垂直纸面向里的匀强磁场,磁场的上边界与线框的ab边刚好完全重合,下边界与x轴重合,右边界与y轴平行.t=0时刻,线圈以恒定的速度v沿垂直于磁场上边界的方向穿过磁场区域.取沿a→b→c→d→a的感应电流方向为正,则在线圈穿越磁场区域的过程中,感应电流i、ab间的电势差Uab随时间t变化的图线是如图中的( )
A.
B.
C.
D.

|
||
| 【大 中 小】【打印】 【繁体】 【关闭】 【返回顶部】 | ||
| 下一篇:高中物理知识点大全《功》高频试.. | ||