微信搜索关注"91考试网"公众号,领30元,获取公务员、事业编、教师等考试资料40G!
1、简答题 一小型水电站输出的电功率为20KW,输电线总电阻为5Ω,如果发电机输出电压为400V,求:
(1)直接以400V电压进行输电,输电导线上损失的电功率为多少?
(2)若用变压器将电压升为2000V电压输电,则输电导线上损失电功率又为多少?
(3)用2000V输电时,若用户得到的电压为220V,求所使用理想升压变压器和降压变压器的原副线圈匝数比各为多少?
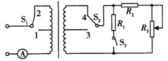
2、选择题 有一电路连接如图所示,理想变压器初级线圈接电压一定的交流电源,则下列说法中正确的是

[? ]
A.只将S1从2拨向1时,电流表示数变小
B.只将S2从4拨向3时,电流表示数变小
C.只将S3从断开变为闭合,变压器的输入功率减小
D.只将变阻器R3的滑动触头下移,变压器的输入功率减小
3、选择题 用电高峰期,电灯往往会变暗,其原理如图所示,可简化为如下物理问题:在理想变压器的副线圈上,通过输电线连接两只灯泡L1和L2,输电线的等效电阻为R,原线圈输入有效值恒定的交流电压,当开关S闭合时,以下说法中正确的是

[? ]
A.R两端的电压增大
B.原线圈输入功率减小
C.副线圈输出电压减小
D.原线圈中电流减小
4、选择题 如图甲所示,理想变压器原、副线圈的匝数比为4:1,电压表和电流表均为理想电表,原线圈接如图乙所示的正弦交流电,图甲中的R1为热敏电阻(温度升高时其电阻减小),R为定值电阻。下列说法正确的是(? )

A.电压表V2的示数为9V
B.原线圈两端电压的瞬时值表达式为
(V)
C.R1处温度升高时,电流表的示数变大,电压表V2的示数变大
D.变压器原线圈的输入功率和副线圈的输出功率之比为1:4
5、填空题 如图所示,自耦变压器输入端A、B接交流稳压电源,其电压有效值UAB=100V,R0=40Ω,当滑动片处于线圈中点位置时,C、D两端电压的有效值UCD为______V,通过电阻R0的电流有效值为______A.