| 高考省级导航 | |
| 
 | |
| 高考物理知识点《闭合电路的欧姆定律》高频试题强化练习(2017年最新版)(二) 
  参考答案:减小变阻器R的阻值时,外电路总电阻减小,根据闭合电路欧姆定律可知,总电流I增大,所以电流表示数增大,故A错误, 本题解析: 本题难度:简单 3、选择题  电源的电动势和内阻都保持一定,在外电路的电阻逐渐变小的过程中,下列说法错误的是(    ) | 
参考答案:BD
本题解析:外电路的电阻逐渐变小的过程中,由U外=E知,路端电压一定逐渐变小.内电压变大,输出电流一定变大,电源内部消耗的电功率一定逐渐变大,但输出功率不一定变大.
本题难度:一般
4、选择题  如图所示,闭合S1,断开S2,调整滑动触头P使灯泡L正常发光,此时,滑动变阻器的PB部分的电阻大于电源内阻r。如果再闭合S2,则 

[? ]
参考答案:CD
本题解析:
本题难度:一般
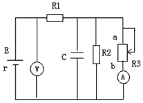
5、选择题  在图中所示的电路中,当滑动变阻器的滑动触片向b端移动时
[? ]
A.伏特表V的读数减小,电容C的电荷量在减小 
B.安培表A的读数增大,电容C的电荷量在增大 
C.伏特表V的读数增大,安培表A的读数减小 
D.伏特表V的读数减小,安培表A的读数增大 
参考答案:AD
本题解析:
本题难度:一般
| 
 | ||
| 【大 中 小】【打印】 【繁体】 【关闭】 【返回顶部】 | ||
| 下一篇:高考物理试卷《牛顿第三定律》高.. | ||