微信搜索关注"91考试网"公众号,领30元,获取公务员、事业编、教师等考试资料40G!
1、简答题 .如图所示,用绳AC和BC吊起一个物体,它们与水平方向的夹角分别为37°和53°,若物体的重力为100N,则两条绳所承受的拉力分别为多大?若AC绳能承受的最大拉力为200N,BC绳能承受的最大拉力为250N在增加重物的重力过程中,哪条绳先断?(sin37°=0.6,cos37°=0.8)
参考答案:

结点C受到三根绳子的拉力处于平衡,CD绳的拉力等于物体的重力G,根据合成法则,得:FAC=Gsin37°=100×0.6=60N
FBC=Gcos37°=100×0.8N=80N.
当AC绳拉力最大时,BC绳的拉力为:FBC=FACcot37°=200×43N=8003N>250N
所以BC绳先断.
答:物体的重力为100N,AC绳的拉力为60N,BC绳的拉力为80N.在增加重物的重力过程中,BC绳先断.
本题解析:
本题难度:一般
2、简答题 实验题
(1)为测定木块与斜面间的动摩擦因数,某同学让木块从斜面上端自静止起做匀加速下滑运动,如图1所示,他使用的器材仅限于固定的斜面、木块、秒表、米尺(当地重力加速度g已知).

①实验中应记录的数据是______.
②计算动摩擦因数的公式是μ=______.
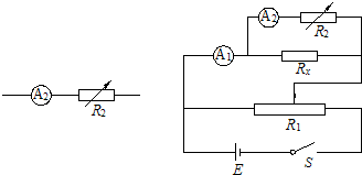
(2)测定一个待测电阻Rx(阻值约为200Ω)的阻值,除了待测电阻外,实验室提供了如下器材:
电池组E(电动势为3V,内阻不计);
电流表A1(量程为0~10mA,内阻约为r1=50Ω);
电流表A2(量程为0~500μA,内阻r2=1000Ω);
滑动变阻器R1(阻值范围为0~20Ω,额定电流为2A);
电阻箱R2(阻值范围为0~9999Ω,额定电流为1A);
开关S,导线若干.
请你帮助该同学完成实验中的下述问题(实验中应尽可能准确地测量Rx的阻值):
①上述器材中缺少电压表,需选一只电流表将它改装成电压表.请在图2中图甲所示方框中画出将电流表改装成电压表的电路原理图,并在图中标明所用器材的代号.
②请在图乙的方框中画出测量Rx阻值的电路图,并在图中标明各器材的代号.
③实验中,将电阻箱R2的阻值调为4000Ω,再调节滑动变阻器R1,使两表的示数如下图3所示,可读出电流表A1的示数是______mA,电流表A2的示数是______?μA,基于伏安法测得的阻值Rx=
=______Ω(取两位有效数字),此测量值与真实值比较是______(填偏大、偏小或相等).
参考答案:(1)①实验已经限定了木块在斜面上匀加速下滑,根据牛顿第二定律,得a=gsinθ-μgcosθ,从而μ=tanθ-agcosθ,只要测出倾角和加速度即可.题给器材只能测量长度和时间,根据tanθ=hd,cosθ=dL,且a=2Lt2,可知,只要测量出斜面长度L、斜面高度h、木块下滑的时间t,斜面对应的底边长d,即可求出动摩擦因数.
②其表达式是:μ=hd-2L2gdt2.
(2)①将电流表A2和电阻箱串联改装为电压表.如图所示.
②将电流表A2改装为电压表内阻RV=30.5×10-3Ω=6000Ω,可知待测电阻与电流表内阻相当,属于小电阻,电流表采用外接法.由于滑动变阻器阻值较小,若采用限流式接法,移动滑动变阻器,电流、电压变化较小,测量误差大,所以采用滑动变阻器分压式接法.如图所示.
③电流表A1的示数为6.40mA,电流表A2的示数为240μA,根据欧姆定律,Rx=UI=240×10-6×(4000+1000)6.4×10-3≈1.9×102Ω.
由于电流表采用外接法,电阻箱支路起分流作用,所以测量的电流偏大,则测量的电阻偏下.
故答案为:(1)①斜面长度L、斜面高度h、木块下滑的时间t,斜面对应的底边长d,②μ=hd-2L2gdt2.
(2)①如图所示;②如图所示

③6.40mA,240μA(238-242μA),1.9×102Ω,偏小.
本题解析:
本题难度:一般
3、计算题 如图所示,滑块从光滑曲面轨道顶点A由静止滑至粗糙的水平面的C点而停止。曲面轨道顶点离地面高度为H,滑块在水平面上滑行的距离为S。求滑块与水平面之间的摩擦因数μ?

参考答案:解:对滑块在水平面上滑行进行受力分析得:
…①
? 对滑块滑行的全过程运用动能定理可得:
…②
? ?且
…③
?
…④
? ?联立①②③④可得:
本题解析:
本题难度:困难
4、选择题 关于摩擦力,下列说法中正确的是( )
A.相互接触的物体之间一定有摩擦力作用
B.不接触的物体之间也可能有摩擦力作用
C.滑动摩擦力的方向一定与物体的运动方向相反
D.摩擦力的方向一定平行于物体的接触面
参考答案:D
本题解析:
本题难度:一般
5、填空题 用两根钢丝绳AB、BC将一根电线杆OB垂直固定在地面上,且它们在同一个平面内,如图所示,设AO=5m,OC=9m,OB=12m,为使电线杆不发生倾斜,两根绳上的张力之比为______.
参考答案:由几何知识可得sin∠ABO=OA
本题解析:
本题难度:一般