| 高考省级导航 | |
| 
 | |
| 高考物理答题模板《电源和电流》答题技巧(2017年最新版)(九) 
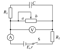
  3、选择题  在如图的电路中电源电动势为E,内电阻为r.闭合开关S,待电流达到稳定后,电流表示数为I,电压表示数为U,电容器C所带电荷量为Q.现将滑动变阻器的滑动触头从图示位置向a端移动一些,待电流达到稳定后,则与移动前相比(? ) 4、填空题  A、B两根粗细相同的不同导线,电阻率之比1:2,长度之比为4:1,则它们的电阻之比RA:RB=______;然后分别加上相同的电压,相同时间内通过两导线横截面的电荷量之比qA:qB=______;消耗的电功率之比PA:PB=______. 5、简答题  一台电风扇,内阻为20Ω,接上220V的电压后正常运转,此时它消耗的电功率是66W,求: | 
| 【大 中 小】【打印】 【繁体】 【关闭】 【返回顶部】 | |
| 下一篇:高考物理答题技巧《功能关系》试.. | |