微信搜索关注"91考试网"公众号,领30元,获取公务员、事业编、教师等考试资料40G!
1、选择题 用紫光照射某金属恰可发生光电效应,现改用较弱的白光照射该金属,则( )
A.可能不发生光电效应
B.逸出光电子的时间明显变长
C.逸出光电子的最大初动能不变
D.单位时间逸出光电子的数目变多
2、计算题 分别用λ和
λ的单色光照射同一金属,发出的光电子的最大初动能之比为1∶2。以h表示普朗克常量,c表示真空中的光速,则此金属板的逸出功是多大?
3、选择题 氦-氖激光器发出波长为633nm的激光,当激光器的输出功率为1mW时,每秒发出的光子数为
[? ]
A.
B.
C.
D.
4、选择题 用某种单色光照射某种金属表面,发生光电效应,现将该单色光的光强减弱,则
[? ]
A.光电子的最大初动能不变
B.光电子的最大初动能减少
C.单位时间内产生的光电子数减少
D.可能不发生光电效应
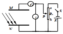
5、填空题 如图所示是测定光电效应产生的光电子比荷的简要实验原理图,两块平行板相距为d,其中N为金属板,受紫外线照射后,将发射沿不同方向运动的光电子,形成电流,从而引起电流计G的指针偏转,若调节R0逐渐增大极板间电压,可以发现电流逐渐减小,当电压表示数为U时,电流恰好为零。切断开关,在MN间加垂直于纸面的匀强磁场,逐渐增大磁感强度,也能使电流为零,当磁感强度为B时,电流恰为零。则光电子的比荷_______。
