微信搜索关注"91考试网"公众号,领30元,获取公务员、事业编、教师等考试资料40G!
1、选择题 如图所示,A、B是完全相同的两个小灯泡,L为自感系数很大、电阻可以忽略的带铁芯的线圈,则(?)

A.电键S闭合的瞬间,A、B同时发光,随后A灯变暗熄灭,B灯变亮
B.电键S闭合的瞬间,B灯亮,A灯不亮
C.断开电键S的瞬间,A、B灯同时熄灭
D.断开电键S的瞬间,B灯立即熄灭,A灯突然闪亮一下再熄灭
参考答案:AD
本题解析:电键S闭合的瞬间,电流同时流过A和B,所以A、B同时发光,电感线圈对电流的阻碍作用逐渐减小,直至为零,此时灯泡A熄灭,回路电阻减小,灯泡B更亮,A对;断开电键S的瞬间,电感线圈产生与原电流相同的自感电流,流过A,而灯泡B没有电流通过立即熄灭,A闪一下再熄灭
本题难度:简单
2、选择题 下面列举的四种器件中,在工作时利用了电磁感应现象的是
A.回旋加速器
B.日光灯
C.质谱仪
D.示波器
参考答案:B
本题解析:回旋加速器是利用磁场改变粒子轨迹,电场对粒子加速制作,日光灯中的整流器在日光灯启动初期起到提供自感电动势作用,利用了电磁感应现象;质谱仪是利用磁场改变粒子轨迹从而判断粒子轨迹,示波器是利用电荷在电场中的偏转情况制作而成,所以答案为B
点评:本题考查了物理学相关实验现象的物理原因,要在学习过程中对相应知识有个基本的记忆才能正确判断。
本题难度:简单
3、选择题 在日光灯电路中接有启动器、镇流器和日光灯管,下列说法中正确的是(?)
A.日光灯点燃后,镇流器和启动器都不起作用
B.镇流器在点燃灯管时产生瞬时高压,点燃后起降压限流作用
C.日光灯可以接在交流电路中使用,也可以直接接在直流电路中使用
D.日光灯点亮后,拿开启动器,日光灯仍能正常发光
参考答案:BD
本题解析:如下图是日光灯电路,可见,在灯点燃前,灯管不导通,启动器是串联在电路中的,当关闭开关S时,启动器的动片由于热胀冷缩接通电路,故镇流器由于产生较大的自感电动势,加在灯管的两端,使灯管导通,日光灯被点燃;当点燃后,启动器两端电压很小,它就不再工作了,而镇流器仍串联在电路中,故它对交流电仍起到一定的阻碍作用,所以BD是正确的。

本题难度:一般
4、选择题 如图所示,电路中A、B是规格相同的灯泡,L是电阻可忽略不计的电感线圈,那么?(?)

A.合上S, B先亮A后亮,然后A变暗后熄灭
B.合上S,B先亮,A逐渐变亮,最后A、B一样亮
C.断开S,A立即熄灭,B由亮变暗后熄灭
D.断开S,B立即熄灭,A闪亮一下后熄灭
参考答案:D
本题解析:本题考查的是电感线圈在电路中的作用,合上S,AB同时亮;断开S,B立即熄灭,由于电感的阻碍作用,A闪亮一下后熄灭;D正确;
本题难度:简单
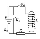
5、选择题 图中L是绕在铁心上的线圈,它与电阻R、R0、电键和电池E可构成闭合回路.线圈上的箭头表示线圈中电流的正方向,当电流的流向与箭头所示的方向相同,该电流为正,否则为负.电键K1和K2都处于断开状态.设在t=0时刻,接通电键K1,经过一段时间,在t=t1时刻,再接通电键K2,则能正确表示L中的电流I随时间t的变化图线的是:(? )

参考答案:A
本题解析:分析:当开关接通和断开时,通过线圈的电流发生变化,产生自感电动势,阻碍原来电流的变化,运用楞次定律来分析电流的变化情况.
解答:解:在t=0时刻,接通电键K1,通过线圈的电流从无到有增大,线圈中产生自感电动势,阻碍电流增大,使得线圈中电流只能逐渐增大,而方向不变,仍为正方向.
当电流稳定后,线圈中不产生自感电动势,电流一定.
在t=tl时刻,再接通电键K2,电源被短路,线圈中电流将要减小,由于自感电动势的阻碍,使得线圈中电流只能逐渐减小到零,根据楞次定律,电流方向与原来方向相同,仍为正方向.
故选A
点评:对于线圈要抓住双重特性:当电流不变时,不产生自感电动势,它是电阻不计的导线;当电流变化时,产生自感电动势,相当于电源.
本题难度:一般