微信搜索关注"91考试网"公众号,领30元,获取公务员、事业编、教师等考试资料40G!
               
                  
                   
	  
	  
	  
	  
	  
	  
	  
	  
	  
	  
	  
	  
	  
	  	
     
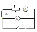
	       1、选择题  如图所示,定值电阻阻值为R0,电池电动势为E,内阻为r=R0,滑动变阻器最大电阻R=2R0,不考虑电表内阻影响,则下列判定正确的是(?)

A.改变R,伏特表最大示数为 。
。
B.改变R,安培表最大示数为 .
.
C.R=0时,R0上获得最大功率,且最大功率为 .
.
D.R=2R0时,电源输出功率最大,效率最高.
 
	        2、简答题  如图所示是一种应用逻辑电路制作的简易走道灯电路图,R0是一个光敏电阻,当走道里光线较暗时或是将手动开关S接通时,灯都会亮.则在电路图的虚线框内的门电路应是______门,当有光照到光敏电阻上R0时,门电路的输入端B是______电势.
 
	        3、简答题  如图所示,电源电动势为6伏,内阻为5欧,灯A标有“2V,O.1W”,灯B标有“1.5V,0.075W”,灯C标有“1.5V,0.15W”为使三灯都能正常发光,变阻器R0的阻值应为多大?
 
	        4、选择题  在如图所示的电路中,E为电源电动势,r为电源内阻,R1和R3均为定值电阻,R2为滑动变阻器.当R2的滑动触点在a端时合上开关S,此时三个电表A1、A2和V的示数分别为I1、I2和U.现将R2的滑动触点向b端移动,则三个电表示数的变化情况是(?)

A.I1增大,I2不变,U增大
B.I1减小,I2增大,U减小
C.I1增大,I2减小,U增大
D.I1减小,I2不变,U减小
 
	        5、计算题   (本题12分)如图所示电路, ,S断开时,电压表示数为16V,S闭合时,电压表示数为10V,若电压表可视为理想的,则电源电动势和内电阻为多少?
,S断开时,电压表示数为16V,S闭合时,电压表示数为10V,若电压表可视为理想的,则电源电动势和内电阻为多少?
