微信搜索关注"91考试网"公众号,领30元,获取公务员、事业编、教师等考试资料40G!
1、选择题 如图,由两块相互靠近的平行金属板组成的平行板电容器的极板N与静电计相接,极板M接地。用静电计测量平行板电容器两极板间的电势差U。在两板相距一定距离d时,给电容器充电,静电计指针张开一定角度。在整个实验过程中,保持电容器所带电量Q不变,下面哪些操作将使静电计指针张角变小(?)

A.将M板向下平移
B.将M板沿水平向左方向远离N板
C.在之间插入云母板(介电常数ε>1)
D.将M、N里外错开一些
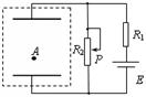
2、计算题 在如图所示的装置中,电源电动势为E,内阻不计,定值电阻为R1,滑动变阻器总阻值为R2,置于真空中的平行板电容器水平放置,极板间距为d.处在电容器中的油滴A恰好静止不动,此时滑动变阻器的滑片P位于中点位置.

小题1:求此时电容器两极板间的电压;
小题2:求该油滴的电性以及油滴所带电荷量q与质量m的比值;
小题3:现将滑动变阻器的滑片P由中点迅速向上滑到某位置,使电容器上的电荷量变化了Q1,油滴运动时间为t;再将滑片从该位置迅速向下滑动到另一位置,使电容器上的电荷量又变化了Q2,当油滴又运动了2t的时间,恰好回到原来的静止位置.设油滴在运动过程中未与极板接触,滑动变阻器滑动所用的时间与电容器充电、放电所用时间均忽略不计.求:Q1与Q2的比值.
3、选择题 如图所示的电路可将声音信号转化为电信号.该电路中,a是能在声波驱动下沿水平方向振动的镀有金属层的振动膜,b是固定不动的金属板,a、b构成了一个电容器,且通过导线与稳恒电源两极相接.当声源S发出的声波推动a在一定范围内振动的过程中,下列说法中正确的是( ? )
A.a、b板之间的电场强度不变
B.a、b板所带的电荷量不变
C.电路中始终有方向不变的电流
D.a板向右的位移最大时,电容器的电容最大