微信搜索关注"91考试网"公众号,领30元,获取公务员、事业编、教师等考试资料40G!
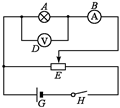
1、实验题 某研究性学习小组为探究小灯泡灯丝电阻与温度的关系,设计并完成了有关的实验,以下是实验中可供选用的器材.
A.待测小灯泡(额定功率6W,额定电流0.5A)B.电流表(量程0~0.6A,内阻0.1Ω)
C.电压表V1(量程0~5V,内阻约5kΩ)? D.电压表V2(量程0~15V,内阻约15kΩ)
E.滑动变阻器R1(最大阻值50Ω)? F.滑动变阻器R2(最大阻值1kΩ)
G.直流电源(电动势15V,内阻可忽略)? H.开关一个,导线若干
实验中调节滑动变阻器,小灯泡两端电压可以从零至额定电压范围内变化,从而测出小灯泡在不同电压下的电流.
(1)实验中电压表应选??;滑动变阻器应选?。(填仪器后字母)
(2)请在虚线框中画出为完成上述实验而设计的合理的电路图.

(3)如图所示是该研究小组测得小灯泡的I-U关系图线.由图线可知,小灯泡灯丝电阻随温度的升高而_________(填“增大”、“减小”或“不变”);根据此图给出的信息,若把小灯泡直接接在一个电源电动势为12V,内阻为30Ω的直流电源上,小灯泡的实际功率约为?。(计算结果保留三位有效数字)
参考答案:(1)V2? R1?(2)如图?(3)增大? 2.79—2.90

本题解析:(1)由伏安特性曲线知,电压、电流的测量值,故电压表选择V2;电压从零开始连续变化,故滑到变阻器用分压式接法,为调节的方便,选择R1;(2)由测量数据估算灯泡阻值的大小,知为小电阻,故测量电路用电流表的外接法,控制电路分压式,电路图如图所示

(3)图线切线的斜率定性描述电阻的倒数,所以小灯泡灯丝电阻随温度的升高而增大,小灯泡直接接在一个电源电动势为12V,内阻为30Ω的直流电源上,根据闭合电路的欧姆定律
,
,在同一坐标中画出U-I图线,其交点为灯泡电压、电流的实际值,再根据功率P=UI可得:P=2.82W。
本题难度:一般
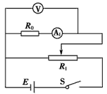
2、实验题 在用电流表和电压表测电池的电动势和内电阻的实验中,所用的电流表和电压表的内阻分别约为0.1Ω和1kΩ。实验原理图和所需器材的实物图如下。试按原理图在实物图中画线连接成实验电路。

一位同学在实验中记录的6组数据如上表所示,试根据这些数据在图中画出U-I图线。根据图线可读出被测电池的电动势E=____V,内电阻r=___Ω。
参考答案:


E=
V, r=
Ω
本题解析:实物图如下

根据题中所给数据,描点得下图

因为
,所以可知纵截距即为电源电动势,约为1.47V
斜率的绝对值为内阻,即
本题难度:简单
3、实验题 某课题小组,收集了数码相机、手机等用旧了的各种类型的电池,及从废旧收音机上拆下的电阻、电容、电感线圈等元件。现从这些材料中选取两个待测元件,一是电阻R0(约为2kΩ),二是手机中常用的锂电池(电动势E标称值为3.7V,允许最大放电电流为100mA),在操作台上还准备了如下实验器材:
A.电压表V(量程4V,电阻RV约为4.0kΩ)
B.电流表A1(量程100mA,电阻RA1约5Ω)
C.电流表A2(量程2mA,电阻RA2约50Ω)
D.滑动变阻器R1(0~40Ω,额定电流1A)
E.电阻箱R2(0~999.9Ω)
F.开关一只、导线若干
(1)为了测定电阻R0的阻值,小组的一位成员设计了如图所示的电路图,所选取的相应器材(电源用待测的锂电池)均标在图上,其设计或器材选取中有不妥之处,你认为应如何调整?
? 
(2)在实际操作过程中,发现滑动变阻器R1,电流表A1已损坏,现用余下的器材测量锂电池的电动势E和内电阻r。
①请在方框中作出电路图;
②为了便于分析,一般采用线性图象处理实验数据,请写出与线性图象对应的相关物理量间的函数关系式________________________。
参考答案:(1)用A2替换A1(2)①
②
本题解析:
本题难度:一般
4、计算题 (6分)某学生用电流表和电压表测干电池的电动势和内电阻时,所用滑动变阻器的阻值范围为0~20 Ω,连接电路的实物图如图所示.
(1)该学生接线中错误和不规范的做法是(?)

A.滑动变阻器不起变阻作用
B.电流表接线有错
C.电压表量程选用不当
D.电压表接线有错