微信搜索关注"91考试网"公众号,领30元,获取公务员、事业编、教师等考试资料40G!
1、填空题 有一只满偏电流Ig=5 mA,内阻Rg=400 Ω的电流表G,若把它改装成量程为10 V的电压表,应________联一个________Ω的分压电阻,该电压表的内阻为________Ω;若要把它改装成量程为3A的电流表,应________联一个________Ω的分流电阻,该电流表的内阻为________Ω。
2、选择题 为了使需要传递的信号载在电磁波上发射到远方,必须对振荡电流进行
A.调制
B.放大
C.调谐
D.检波
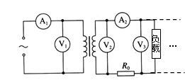
3、选择题 如图所示是通过街头变压器降压给用户供电的示意图。输入电压是市区电网的电压,负载变化时输入电压不会有大的波动。输出电压通过输电线送给用户,两条输电线总电阻用R0表示。当负载增加时,则

A.表压表V1、V2的读数几乎不变
B.电流表A2的读数增大,电流表A1的读数减小
C.电压表V3的读数增大,电流表 A2的读数增大
D.电压表V2、V3的读数之差 与电流表A2的读数的比值不变
4、选择题 两个电压表V1和V2是由完全相同的两个小量程电流表改装成的,V1的量程是5V,V2的量程是15V,为了测量15~20V的电压,我们把两个电压表串联起来使用,以下的叙述正确的是
[? ]
A.V1和V2的示数相等
B.V1和V2的指针偏转角度相同
C.V1和V2的示数不相等,指针偏转角度也不相同
D.V1和V2的示数之比等于两个电压表的内阻之比
5、选择题 历史上第一个发现电磁感应现象的科学家是( ? )
A.法拉第
B.牛顿
C.伽利略
D.欧姆