微信搜索关注"91考试网"公众号,领30元,获取公务员、事业编、教师等考试资料40G!
1、选择题 在远距离输电时,若输送电压是U时,线路上损失的功率是P,则在输送功率一样的条件下,当输送电压是2U时,则输电线上损失的功率为( )
A.2P
B.4P
C.0.5P
D.0.25P
2、选择题 如图甲所示为远距离输电示意图,升压变压器原副线圈匝数比为1∶10,降压变压器副线圈接有负载电路,升压变压器和降压变压器之间的长距离输电线路的电阻不能忽略,变压器视为理想变压器,升压变压器左侧输入端输入如图乙所示交变电压,下列说法中正确的有( )

A.升压变压器副线圈输出电压的频率为50 Hz
B.升压变压器副线圈输出电压的有效值为31 V
C.滑片P向右移动时,降压变压器的输出电压变大
D.滑片P向右移动时,整个输电系统的效率降低
3、选择题 发电厂发电机的输出电压为U1,发电厂至学校的输电线总电阻为R,通过导线的电流为I,学校输入电压为U2,下列四个计算输电线损耗功率的式子中,不正确的是
[? ]
A.
B.
C.
D.
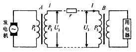
4、选择题 如图所示为某小型水电站的电能输送示意图,A为升压变压器,其输入功率为P1输出功率为P2,输出电压为U2 ;B为降压变压器,其输入功率为P3,输入电压为U3。A、B均为理想变压器,输电电流为I,输电线的总电阻为r,则下列关系正确的是

[? ]
A. 
B. 
C. 
D. 
5、计算题 某小型实验水电站输出功率是20 kW,输电线路总电阻是5 Ω.
(1)若采用380 V输电,求输电线路损耗的功率.
(2)若改用5000 V高压输电,用户端利用n1∶n2=22∶1的变压器降压,求用户得到的电压.