微信搜索关注"91考试网"公众号,领30元,获取公务员、事业编、教师等考试资料40G!
1、计算题 发电机输出功率为100 kW,输出电压是250 V,用户需要的电压是220 V,输电线电阻为10 Ω.若输电线中因发热而损失的功率为输送功率的4%,试求:
(1)用户得到的电功率是多少?
(2)在输电线路中设置的升、降压变压器原副线圈的匝数比.
2、选择题 在图甲所示的电路中,理想变压器原线圈两端的正弦交变电压变化规律如图乙所示.已知变压器原、副线圈的匝数比n1∶n2=10∶1,串联在原线圈电路中电流表A1的示数为1 A,下列说法正确的是 ( ).

A.电压表V的示数为200
V
B.变压器的输出功率为200 W
C.变压器输出端交流电的频率为100 Hz
D.电流表A2的示数为0.1 A
3、选择题 两个交流电i1=2sinω1t(A)和i2=2sinω2t(A),ω1≠ω2以下判断正确的是( )
A.由于ω1≠ω2,所以它们通过相同电感元件时,产生不同的自感电动势
B.由于二者是幅值相同的正弦式交变电流,所以它们通过相同的电感元件时,产生相同的自感电动势
C.由于二者频率不同,所以在相同时间内通过相同电阻元件时产生的热量不同
D.由于ω1≠ω2,所以i1和i2永远不可能同时达到峰值
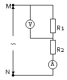
4、选择题 在电路的MN间加一如图所示正弦交流电,负载电阻R1和R2阻值均为100 Ω,若不考虑电表内阻对电路的影响,则


[? ]
A.交流电压表的示数为110 V
B.交流电压表的示数为155. V
C.交流电流表的示数为1.555 A
D.交流电流表的示数为1.10 A
5、选择题 在下列几种电流的波形图中,不是交变电流的是( )

A B C D