微信搜索关注"91考试网"公众号,领30元,获取公务员、事业编、教师等考试资料40G!
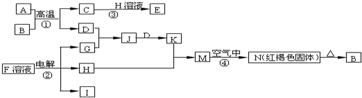
1、填空题 如图是一些常见的单质、化合物之间的转化关系图,有些反应中的部分物质被略去.反应①常被应用于野外焊接钢轨,A为日常生活中常见的金属单质,G为黄绿色气体,F是海水中含有盐的主要成分,J为D、G反应产物形成的水溶液.

请回答下列问题:
(1)H的化学式为______.
(2)反应②在工业上通常称之为______工业.
(3)写出反应③的离子方程式______.
(4)写出反应②的化学方程式______.
参考答案:反应①常被应用于野外焊接钢轨,应为金属铝和氧化铁发生铝热反应,方程式为:Fe2O3+2Al?高温?.?2Fe+Al2O3,则A为Al,B为Fe2O3,G为黄绿色气体,应为Cl2,F是海水中含有盐的主要成分,应为NaCl,电解生成NaOH、H2和Cl2,N为红褐色固体,应为Fe(OH)3,则D应为Fe,C为Al2O3,H为NaOH,G为Cl2,J为FeCl3溶液,K为FeCl2溶液,M为Fe(OH)2,H为H2,
(1)由以上分析可知H为NaOH,故答案为:NaOH;
(2)反应②为电解饱和食盐水的反应,工业上称为氯碱工业,故答案为:氯碱;
(3)反应③为Al2O3和NaOH的反应,离子方程式为Al2O3+2OH-=2AlO2-+H2O,故答案为:Al2O3+2OH-=2AlO2-+H2O;
(4)F是海水中含有盐的主要成分,应为NaCl,电解生成NaOH、H2和Cl2,反应的方程式为2NaCl+2H2O?电解?.?2NaOH+H2↑+Cl2↑,
故答案为:2NaCl+2H2O?电解?.?2NaOH+H2↑+Cl2↑.
本题解析:
本题难度:简单
2、填空题 (15分)下列框图中涉及的物质是中学化学常见的。其相互转化关系如图13所示。已知:单质A在单质G中能燃烧,其产物溶于水得
L;固体单C可以在B中燃烧;A、B、G通常为气态单质。请回答有关问题:

(1)写出B、L的名称:B??、L??;写出F在工业上的任何两点用途?。
(2)写出③的化学方程式?。
(3)说出形成单质C的元素在元素周期表的位置,第?周期,第?族。
(4)将E通入到某种棕黄色的溶液中也有L、F生成。其反应的离子方程式为??
?。
(5)写出④反应的化学方程式?。
参考答案:
(1)氧气、盐酸?(2分)
制化肥、炸药、农药、染料、盐类、精炼石油、除锈、制挥发性酸等。(2分,只要有答错没有分)
(2)2SO2+2H2O+O2=2H2SO4? (3分)
(3)第三周期?第ⅥA族?(2分)
(4)SO2+2Fe3++2H2O=SO4 2-+2Fe2++4H+?(3分)
(5)3Cl2+S+4H2O=6HCl+H2SO4 (3分)
本题解析:略
本题难度:一般
3、选择题 根据
,下列说法不正确是
①X一定是单质;
②反应Ⅱ一定是化合反应;
③若强酸为HNO3,氧化物一定是酸性氧化物;
④若强碱为NaOH,氧化物一定是Na2O。
A.①③
B.②③
C.②③④
D.全部
参考答案:D
本题解析:①X可以是单质,也可以是化合物,如NO与O2反应转化为NO2,NO2与H2O反应生成HNO3,错误;②如NO2与H2O反应生成HNO3和NO,Na2O2与H2O反应生成NaOH和O2,都不是化合反应,错误;③NO2与H2O反应可生成HNO3,NO2不是酸性氧化物,错误;④Na2O2与H2O反应也能生成NaOH,错误。
本题难度:一般
4、简答题 含A元素的一种单质是一种重要的半导体材料,含A元素的一种化合物C可用于制造高性能的现代通讯材料--光导纤维,C与烧碱反应生成含A元素的化合物D.
(1)B元素的原子最外层电子数与A相同,但相对原子质量比A小的元素,A与B在原子的电子层结构上的相同点是______.
(2)写出C与氢氟酸发生反应的化学方程式是______.
(3)将C与纯碱混合高温熔融时也发生化学反应生成D,同时还生成B的最高价氧化物E:将全部的E与全部的D在足量的水中混合后,又发生化学反应生成含A的化合物F.
①写出C与纯碱混合高温熔融时生成D和E的化学反应方程式:______.
②要将纯碱高温熔化,下列坩埚中可选用的是______.
A.普通玻璃坩埚B.石英玻璃坩埚C.铁坩埚D.瓷坩埚.
参考答案:含A元素的一种单质是一种重要的半导体材料,则A为Si,含A元素的一种化合物C可用于制造高性能的现代通讯材料--光导纤维,则C为SiO2,C与烧碱反应生成含A元素的化合物D为Na2SiO3,
(1)B元素的原子最外层电子数与Si相同,二者最外层电子数相同,均有4个电子,
故答案为:最外层均有4个电子;
(2)二氧化硅与氢氟酸反应生成四氟化硅与水,反应方程式为:SiO2+4HF═SiF4↑+2H2O,
故答案为:SiO2+4HF═SiF4↑+2H2O;
(3)B元素的原子最外层电子数与Si相同,二者最外层电子数相同,相对原子质量比A小的元素,则B为C,①由题目信息可知,二氧化碳与碳酸钠在高温条件下反应生成硅酸钠与二氧化碳,反应方程式为:SiO2+Na2CO3高温.Na2SiO3+CO2↑,
故答案为:SiO2+Na2CO3高温.Na2SiO3+CO2↑;
②普通玻璃坩埚、石英玻璃坩埚、瓷坩埚都含有二氧化硅,高温下能与碳酸钠反应,故选C,
故答案为:C.
本题解析:
本题难度:一般
5、简答题 已知:
①A、B、C、D四种物质均含元素X,有的还可能含有元素Y、Z.元素Y、X、Z的原子序数依次递增.
②X在A、B、C、D中都不呈现它的最高化合价.
③室温下单质A与某种常见一元强碱溶液反应,可得到B和C.
④化合物D受热催化分解,可制得元素Y的单质.
(1)元素X是______,Z是______.
(2)写出③中反应的化学方程式:______.
(3)写出④中反应的化学方程式:______.

Ⅱ.制取氨气并完成喷泉实验(图中夹持装置均已略去).
(1)写出实验室制取氨气前化学方程式:______.
(2)收集氨气应使用______法,要得到干燥的氨气可选用______做干燥剂.
(3)用图1装置进行喷泉实验,上部烧瓶已装满干燥氨气,引发水上喷的操作是______.该实验的原理是______.
(4)如果只提供如图2的装置,请说明引发喷泉的方法.______.
参考答案:Ⅰ.(1)室温下单质A与某种常见一元强碱溶液反应,可得到B和C,且A、B、C中都含有X,说明A中碱中发生了歧化反应,常温下能与碱溶液发生歧化反应的在中学化学中主要是
Cl2、Br2等,化合物D受热催化分解,可制得元素Y的单质,可知应为KClO3,由此可知X为O,Y为Cl,Z为K,A为Cl2,D为KClO3,故答案为:Cl(或氯);K(或钾);
(2)Cl2在碱性溶液中发生自身氧化还原反应,生成KCl和KClO,故答案为:Cl2+2KOH═KCl+KClO+H2O;
(3)KClO3在催化剂条件加热分解生成O2,根据质量守恒定律可写出化学方程式,故答案为:2KClO3MnO2.△2KCl+3O2↑;
Ⅱ.(1)实验室制氨气由氯化铵和熟石灰在加热条件下反应生成氨气和水,根据质量守恒定律可写出化学方程式,故答案为:2NH4Cl+Ca(OH)2═2NH3↑+CaCl2+2H2O;
(2)氨气密度比空气小,极易溶于水,只能用向下排空法收集,氨气为碱性气体,应用碱性干燥剂干燥,故答案为:向下排空气; 碱石灰;
(3)根据氨气极易溶于水,打开止水夹,挤出胶头滴管中的水时,烧瓶内压强迅速减小,外界大气压可将烧杯中的水压进烧瓶中形成喷泉,故答案为:打开止水夹,挤出胶头滴管中的水. 氨气极易溶解于水,致使烧瓶内气体压强迅速减小;
(4)如果用手(或热毛巾等)将烧瓶捂热,氨气受热膨胀,赶出玻璃导管内的空气,氨气与水接触,烧瓶内压强迅速减小,外界大气压可将烧杯中的水压进烧瓶中形成喷泉,故答案为:打开夹子,用手(或热毛巾等)将烧瓶捂热,氨气受热膨胀,赶出玻璃导管内的空气,氨气与水接触,即发生喷泉.
本题解析:
本题难度:一般